Air condition button does not light up after installing an aftermarket stereo?

2003 TOYOTA COROLLA
5,000,000 MILES • 1.8L • 4 CYL • 2WD • AUTOMATIC
Avatar
JOEYLILLIE9$
  • MEMBER
  • 1 POST
my A/C was working, and I installed an aftermarket radio in the dash but now the on/off button for the A/C doesn't light up when pushed to on and I have checked all the fuses and relays with no change in the problem. Please give me some insight into the cure.
Aug 19, 2024 at 8:48 AM
Advertisement
Avatar
STRAILER
  • CERTIFIED EXPERT
  • 53,855 POSTS
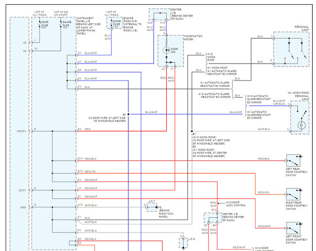
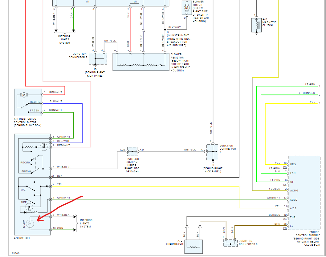
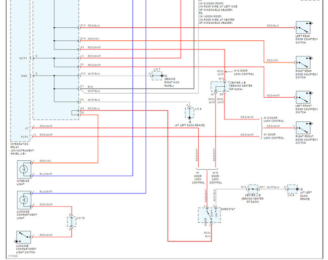
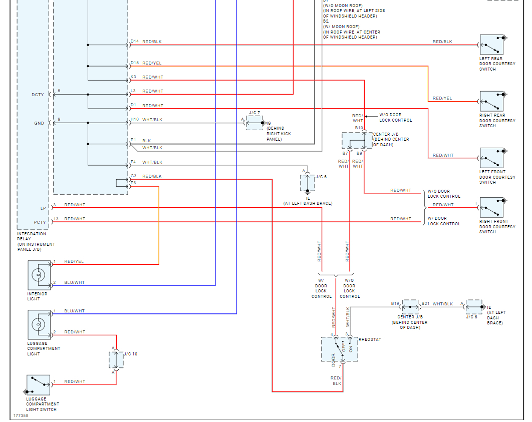
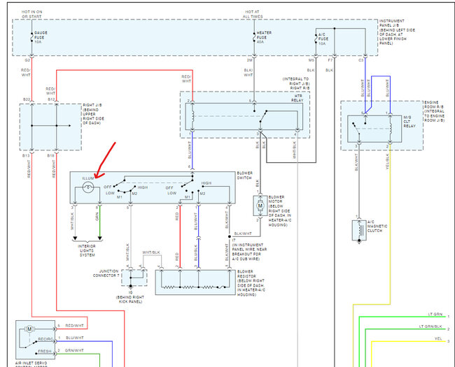
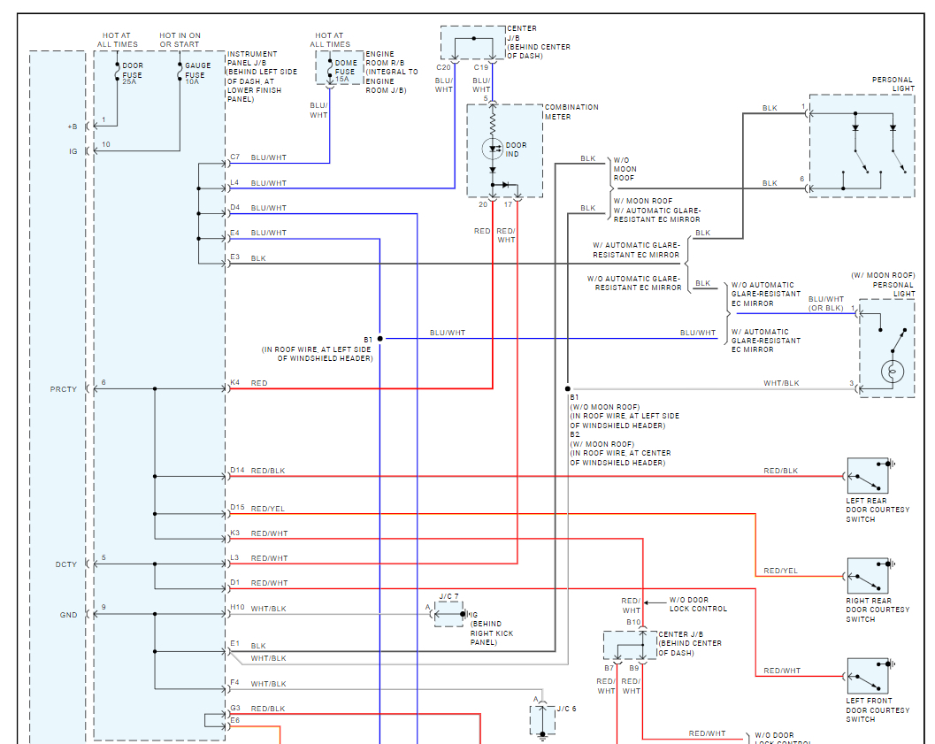
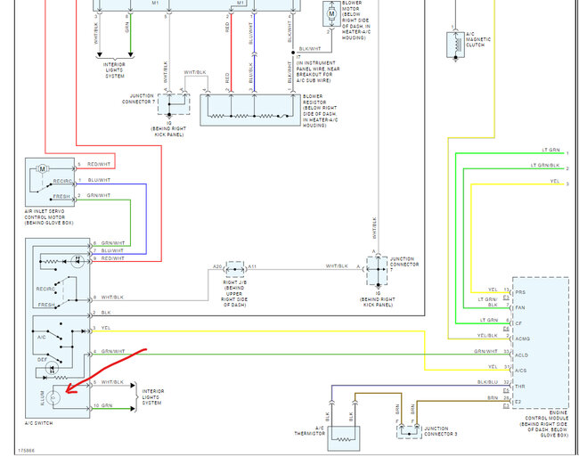
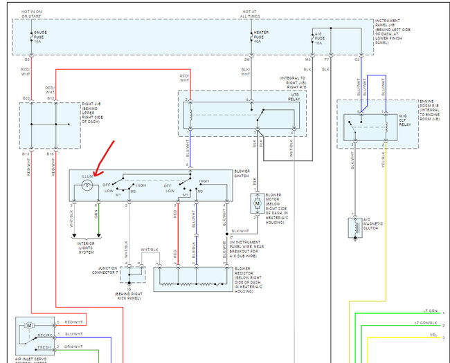
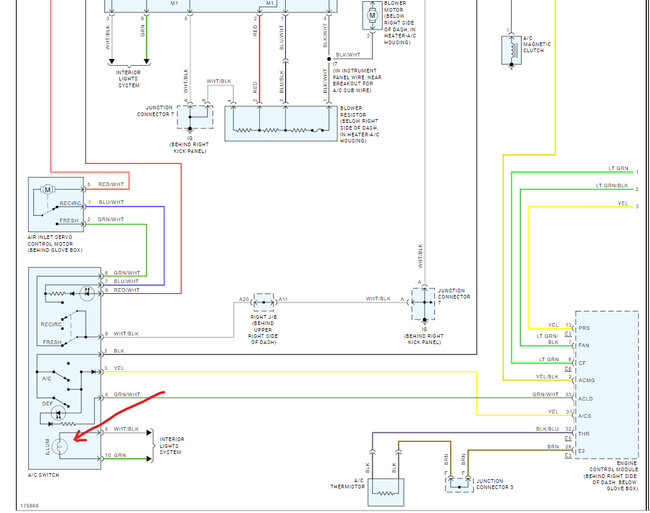
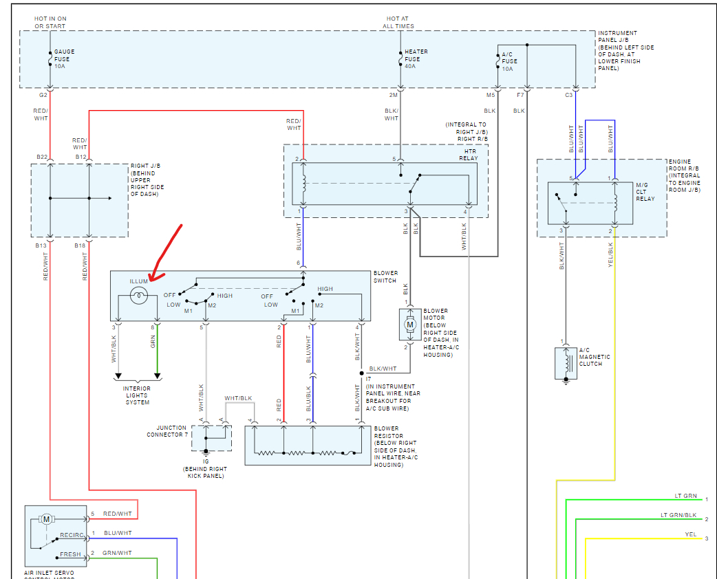
Was there a red and white wire you used to power the radio? If this wire was cut it powers the heater relay so you should put it back. Also, can I ask if the dome lights and dash illumination are still working? If not, I would check for power at the dome, gauge and door fuses here is a guide to help and I have included wiring diagram partials to help you see which fuses to check for power and how the system works.

https://www.2carpros.com/articles/how-to-check-a-car-fuse

The integration relay powers the button light. Check out the images (below). Please let us know what happens.
Aug 19, 2024 at 6:35 PM