airbag light stays on?

2014 CHEVROLET SILVERADO
20,000 MILES • 0.5L • V8 • 4WD • AUTOMATIC
Avatar
GABRIEL SINGLETON ROGERS
  • MEMBER
  • 2 POSTS
After removing the front seats and center console to re-upholster the interior, the dashboard airbag light will not reset and stays on continually. The message system says "service airbag" I have checked all wires and everything is connected securely. Please help!
Apr 15, 2017 at 11:17 AM
Advertisement
Avatar
STEVE W.
  • CERTIFIED EXPERT
  • 15,113 POSTS
Sounds like the passenger seat occupancy sensor or a seat belt sensor might have an issue. A good scan tool can tell you what the issue is, but those are the most likely items given the seat was removed. This video will help us get the codes so we can fix it.

https://youtu.be/rTtAnsOlZU4

Please run down this guide and report back.
Apr 15, 2017 at 1:12 PM
Avatar
GABRIEL SINGLETON ROGERS
  • MEMBER
  • 2 POSTS
Thank you for your reply. We scanned it and found it was the sensor thank you
Apr 15, 2017 at 1:14 PM
Advertisement
Avatar
STEVE W.
  • CERTIFIED EXPERT
  • 15,113 POSTS
Glad you could get it fixed, that kind of problem can be tough. Please use 2CarPros anytime we are here to help.
Apr 15, 2017 at 1:42 PM
Avatar
SIGNMAN1959
  • MEMBER
  • 1 POST
How many wires does the drivers seat airbag sensor have hooked to it? The plug has 2 wires on it but the wire coming out of the harness only has on that I can find.
Jan 26, 2021 at 6:34 PM (Merged)
Avatar
KASEKENNY
  • CERTIFIED EXPERT
  • 18,907 POSTS
I am attaching the wiring diagram of the system which should help. Can you get a picture of the connector that you are seeing that has two wires? The diagram shows there is one wire coming from the sensor so I am going to need to see the other to try an identify it. I suspect we have a different connector and think it is the inflation circuit.

Take a look at the diagram below and we can go from there. Thanks
Jan 26, 2021 at 6:34 PM (Merged)
Avatar
ROBERT MCBRIDE
  • MEMBER
  • 1 POST
Computer problem
2005 Chevy Silverado 6 cyl Two Wheel Drive Automatic 28.000 miles

When I now start my truck. the airbag service light now comes on and stays on. This vehicle has never been in any form of collision. I've had it since it was brand new. I tried disconnecting the battery to see if it would reset itself: It didn't! Is there a way to reset this warning light, or, am I saddled with a trip to the dealer to check out the ghost in the machine?
Jan 26, 2021 at 6:34 PM (Merged)
Avatar
2CARPRO JACK
  • CERTIFIED EXPERT
  • 11,533 POSTS
You dont have to go to the dealer, any shop with a scanner capable of accessing the air bag system will do. It has to be cleared through a scan-tool, and the light wont go away unless the repairs are completed
Jan 26, 2021 at 6:34 PM (Merged)
Avatar
KD9660
  • MEMBER
  • 1 POST
I am told it could be the clock spring. Analyzer shows no codes. Could this be the problem?
Jan 26, 2021 at 6:34 PM (Merged)
Avatar
KASEKENNY
  • CERTIFIED EXPERT
  • 18,907 POSTS
Can you get a video of the light flashing? More than likely it is flashing in a pattern which is the code itself. Send me a video of it and we can try to decode it. This will lead us to the correct issue.

Thanks
Jan 26, 2021 at 6:34 PM (Merged)
Avatar
STAN VELENSKI
  • MEMBER
  • 1 POST
Check engine and service airbag light on.
Jan 26, 2021 at 6:35 PM (Merged)
Avatar
CARADIODOC
  • CERTIFIED EXPERT
  • 34,306 POSTS
Here is a video to help see what the codes are I have a feeling the clock spring is out.

https://youtu.be/gnSGfEqrf_w

Please let us know what happens.
Jan 26, 2021 at 6:35 PM (Merged)
Avatar
2CP-ARCHIVES
  • MEMBER
  • 4,540 POSTS
My passenager air bag light on the mirror will not show if the air bag is on or off. Neither light lights up. Where do I find the seat sensor that controls this?
Jan 26, 2021 at 6:35 PM (Merged)
Avatar
HMAC300
  • CERTIFIED EXPERT
  • 48,601 POSTS
it's in t he seat if it has been wet from cleaning you'lll have to wait until it dries off if not the sensor may be bad also check to see if there is a switch on dash to turnon or off
Jan 26, 2021 at 6:35 PM (Merged)
Avatar
GORDO24
  • MEMBER
  • 2 POSTS
My air bag warning light has come on and will not go out even if I disconnect the battery.

Where is the location of the sensor so I can replace it?
Jan 26, 2021 at 6:35 PM (Merged)
Avatar
WRENCHTECH
  • CERTIFIED EXPERT
  • 20,761 POSTS
It's not quite that simple. You need to have the Airbag module scanned and the codes will give you a starting point. You will need a professional grade scan tool with airbag software installed. A simple code reader isn't going to cut it.
Jan 26, 2021 at 6:35 PM (Merged)
Avatar
GORDO24
  • MEMBER
  • 2 POSTS
Great. Thanks for the input.

Jan 26, 2021 at 6:35 PM (Merged)
Avatar
PSKGM
  • MEMBER
  • 2 POSTS
4 months ago my service airbag light came on. Took it to the dealer for scan and it came back with 17 codes and they tried to tell me it had been in an accident at one time. I am the second owner and bought it off my best friend 4 years ago who purchased it new. It has never been in an accident but they insist that it was They claim they need to replace the SDM to the tune of $775 and then recheck it. Don't want to be taken to the cleaners here. The codes they discovered are
B0012
B0013
B0014
B0016
B0017
B0018
B0022
B0024
B0051
B0084
B0092
B0100
B0103
B1001
U1016
U1041
U1300
U1301

Any help you could give me would be greatly appreciated.
Jan 26, 2021 at 6:36 PM (Merged)
Avatar
KHLOW2008
  • CERTIFIED EXPERT
  • 41,814 POSTS
Hi pskgm,

Thank you for the donation.

With so many codes on at one time, the problem is most likely be due to bad wire connections or a bad SDM.

Most codes can be erased but Code B0051 cannot be erased and requires the SDM to be replaced and reprogrammed.

Look out for wireharness that are subjected to the weather. Abrasions, water soaked or impact damages can cause wire harness to deteriorate.
Jan 26, 2021 at 6:36 PM (Merged)
Avatar
PSKGM
  • MEMBER
  • 2 POSTS
My understanding is B0051 refers to a deployment of the airbag. If the car has never been in an accident, why would the SDM be indicating this?
Jan 26, 2021 at 6:36 PM (Merged)
Avatar
KHLOW2008
  • CERTIFIED EXPERT
  • 41,814 POSTS
More than one codes listed denotes a deployment of the airbags. The likely cause would be a faulty SDM if deployment had not occurred.
Jan 26, 2021 at 6:36 PM (Merged)
Avatar
DODENDAWN
  • MEMBER
  • 3 POSTS
The passenger service air bag light came on in my truck about 8 months ago, is there a way to test and reset without going to a dealer or other shop to fix this.
Jan 26, 2021 at 6:36 PM (Merged)
Avatar
ASEMASTER6371
  • CERTIFIED EXPERT
  • 52,796 POSTS
no, this system is very complex and you looking at the components can set off an air bag.

you need to have the code pulled, repairs made and then the light will re set itself.

Roy
Jan 26, 2021 at 6:36 PM (Merged)
Avatar
SUPERBOND
  • MEMBER
  • 1 POST
My brother's truck's airbag light came on and will not go out. I was reading on other sites and they said to try and move the seat and the light will go out. On other sites people have changed sensors, fixed temporally, but it came back on. There are a lot of people with the same problem, somebody out there must know the solution.

Hi, looked under the passenger seat and all look fine, wires not even close. What else could it be? Thanks for a speedy reply

The code is : B0092. I hope that helps. Thanks

Jan 26, 2021 at 6:37 PM (Merged)
Avatar
DENNYP
  • CERTIFIED EXPERT
  • 1,824 POSTS
DTC B0092 Set (Repair Passenger Presence System (PPS) Sensor Harness) Subject: Air Bag Lamp On, Passenger Air Bag Indicator Always Reads OFF, DTC B0092 Set (Repair Passenger Presence System (PPS) Sensor Harness) Condition: Some customers may comment that the Air Bag Lamp is on and the Passenger Air Bag indicator always reads OFF. Upon investigation, the technician may find DTC B0092 set. Cause: The cause of this condition may be a shorted Passenger Presence System (PPS) sensor wire. The PPS sensor harness is located under the front passenger seat. This harness may be pinched between the seat frame and the track/riser. Correction: Locate the PPS sensor (1) and inspect the harness for proper routing. If the harness is pinched between the seat frame and the track/riser, use the procedure listed below to repair wire(s). Move the front passenger seat to the full rearward and full tilt up position. Loosen the seat frame to track/riser nut and remove the harness. Tighten the seat frame to track/riser nut.


https://www.2carpros.com/forum/automotive_pictures/102900_912514_1.jpg

Hope this helps.
Jan 26, 2021 at 6:37 PM (Merged)
Avatar
STRAILER
  • CERTIFIED EXPERT
  • 53,854 POSTS
Hello,

This problem has to do with the airbag module having a problem. Many of our members have replaced the sensor but it made no difference.

Here is a video to help

https://youtu.be/gnSGfEqrf_w

Here is its location (below).

PS. they get damaged when they get wet. :)

Please let us know if you need anything else to get the problem fixed.

Cheers, Ken
Jan 26, 2021 at 6:37 PM (Merged)
Avatar
FBRAND
  • MEMBER
  • 2 POSTS
Computer problem
2003 Chevy Silverado V8 Two Wheel Drive Automatic ? miles

i have a 2003 silverado with an air bag light that stays on constantly.when the ignition key is turned on the air bag light flashes 3 times then pauses before staying on.hopefully this flash code will help in diagnois of the problem. i also have a 1999 ford explorer that has an issue with the abs system.at very slow speeds the abs pulses the brakes and the brake pedal seemes to go soft,gives you the feeling your not going to stop.other than that the brakes work fine.
Jan 26, 2021 at 6:38 PM (Merged)
Avatar
SERVICE WRITER
  • CERTIFIED EXPERT
  • 9,123 POSTS
Have to love the goodies that are put into a vehicle to make it safer. just really expensive. I cannot knock ABS too much as it saved my life once.

Anyways you are going to need a capable scanner for both issues more than likely.

On the Chevrolet, you need to see if any air bag codes are present then we can go further with that. When the ignition is turned on, the airbag system goes through a diagnostic check, so that may be normal. But check for codes and that will tell where we need to go.

On the Ford. Again the ABS system must be checked for codes. Depending on that, you may need to drive it with the scanner hooked up and watch to see the wheel speeds for when the problem happens. A snapshot of the data can be taken at that point to make it easier to see if a wheel rpm is not being reported accurately.
Fair chance of a bad abs sensor.
Jan 26, 2021 at 6:38 PM (Merged)
Avatar
CHRISH94
  • MEMBER
  • 1 POST
Hello,

I have the truck listed above that has an airbag light that has stayed on. The code is B0084 and I have changed the front impact sensor. The old one did not seem to have any damage. Changing the sensor did not fix the issue.

I then detached the passenger seat to inspect the cables underneath. Every cable was connected and the cables were not broken, but encased in a black tube wrapped in electrical tape.

Does any one have any suggestions to address this? Truck w ill not pass smog test with air bag light on.

Thanks in advance.
Jan 26, 2021 at 6:39 PM (Merged)
Avatar
MHPAUTOS
  • CERTIFIED EXPERT
  • 31,937 POSTS
do a continuity test down the yellow wire, have it unplugged and battery disconnected, let the car sit for a few min so the capacitor can discharge. do not apply any voltage, just do a continuity test to look for a broken wire or faulty soldered joint at a socket pin.
Jan 26, 2021 at 6:39 PM (Merged)
Avatar
HOUSTONDIST.
  • MEMBER
  • 1 POST
I have a 2001 chevy silverado 1500 2wd 4.3(6cyl),and it got stolen.I recovered it all messed up with the steering distroyed.I got another steering wheel and had to program it in by the dealer and that cost me about 100 buck.Is there any thing I can try at home to get the airbag light to come off.The airbag was never deployed and is the same one I had in my other steering wheel.What can I do to save some money or is this hopless and give my money to the dealer?Thanks
Jan 26, 2021 at 6:39 PM (Merged)
Avatar
BLACKOP555
  • CERTIFIED EXPERT
  • 10,386 POSTS
you could choose to remove the negative battery cable for 10 minutes and hope it goes off, if not take it in. i dont want you messing aroudn with it and having it go off in your face.
Jan 26, 2021 at 6:39 PM (Merged)
Avatar
TERRYHUGHES
  • MEMBER
  • 1 POST
My airbag light is on in my instrument panel and it has been on since I changed the rack on my front end. I can hear a noise when I turn my steering wheel. I haven't checked any fuses yet but I think it might be the spring clock. My steering wheel might have turned too many times in one direction when I had the steering rack loose. What do you think it could be? Thanks
Terry Hughes
Jan 26, 2021 at 6:39 PM (Merged)
Avatar
CARADIODOC
  • CERTIFIED EXPERT
  • 34,306 POSTS
You figured it out already. It's a common problem. Be sure the tires are perfectly straight ahead when you install the new clock spring. It will come locked in the centered position and will have tape through the center so it can't be turned even if you press the buttons that the steering wheel is supposed to when it's installed.
Jan 26, 2021 at 6:39 PM (Merged)
Avatar
GBEACH804
  • MEMBER
  • 1 POST
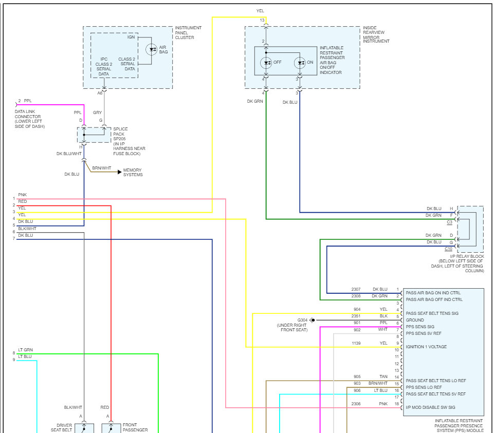
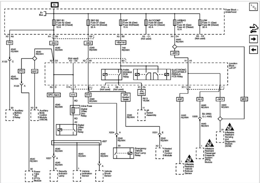
Bought a 2006 Silverado 1500 Z71, the previous owner swapped the front seats and apparently cut the wiring harness. Now I have an airbag light and multiple codes.
Jun 13, 2023 at 4:55 PM
Avatar
STRAILER
  • CERTIFIED EXPERT
  • 53,854 POSTS
Yep, the wires will need to be repaired. Here are the wiring diagrams so you can see how the system works and which wires go where in case you need it. This guide may help as well

https://www.2carpros.com/articles/how-to-check-wiring

Once the wiring is fixed, please post the airbag system trouble codes. Check out the images (below). Please let us know if you need anything else to get the problem fixed.
Jun 13, 2023 at 6:04 PM