Aftermarket radio wiring harness color codes?

2005 PONTIAC BONNEVILLE
1,783,600 MILES • 6 CYL • 2WD • AUTOMATIC
Avatar
RACINE BONNVILLE
  • MEMBER
  • 1 POST
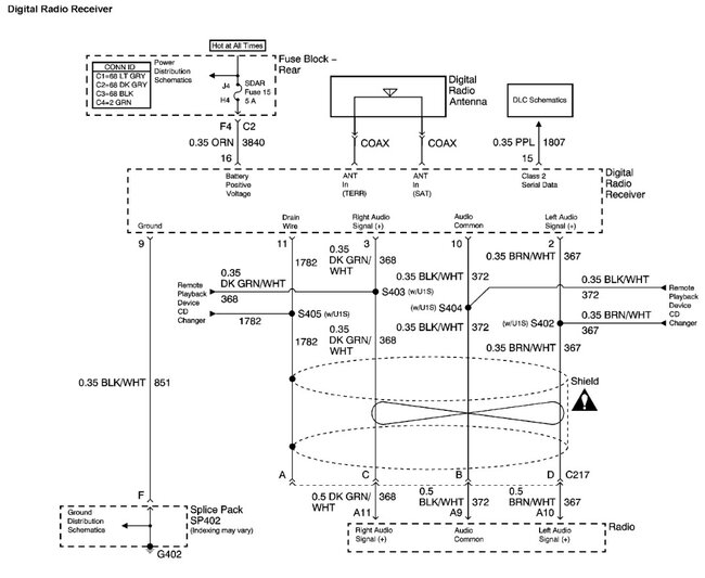
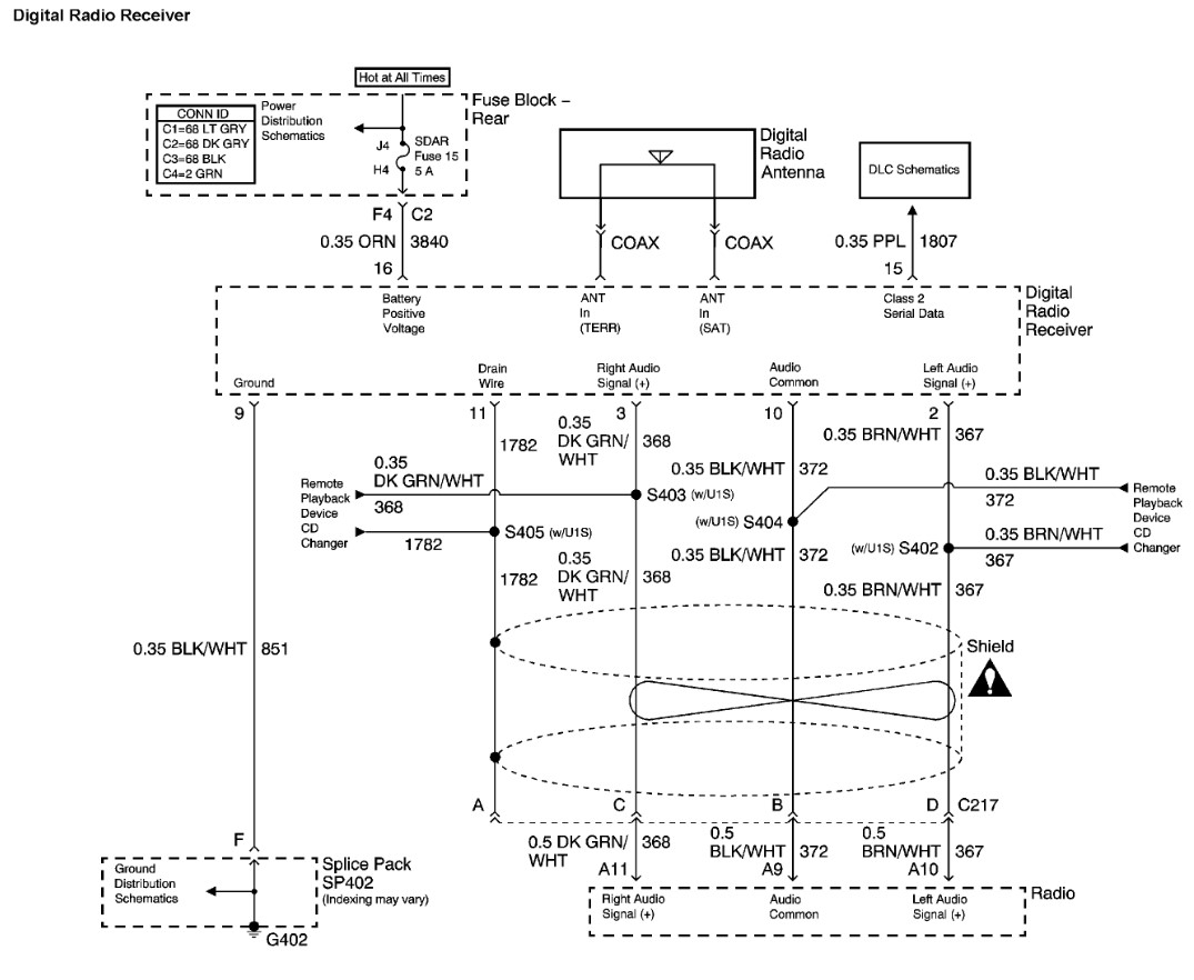
I bought an aftermarket radio wiring harness and need to a color code and function for each wire.
Dec 12, 2025 at 6:20 AM
Advertisement
Avatar
STEVE W.
  • CERTIFIED EXPERT
  • 15,113 POSTS
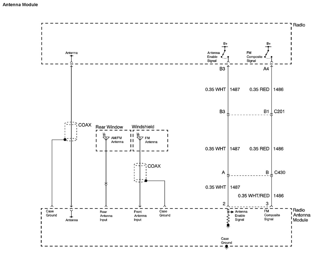
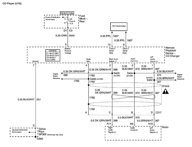
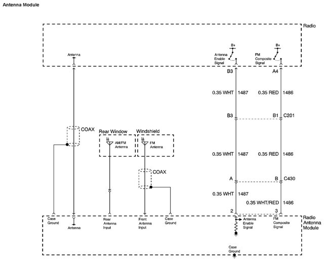
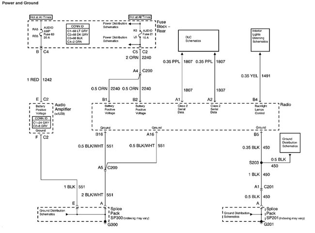
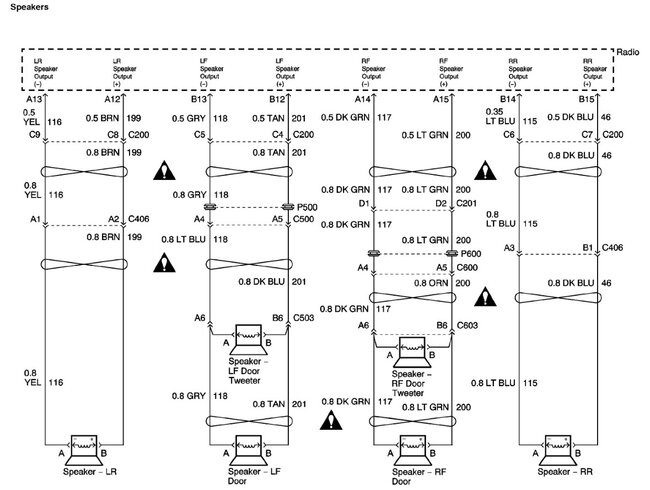
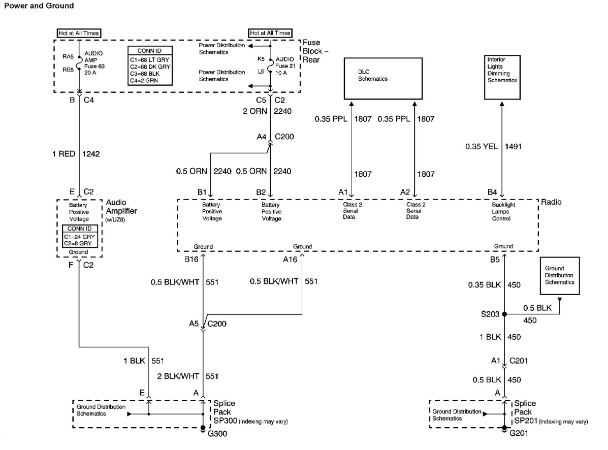
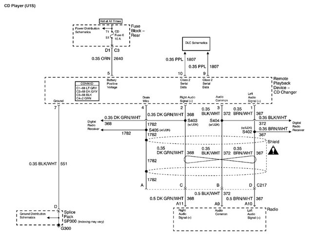
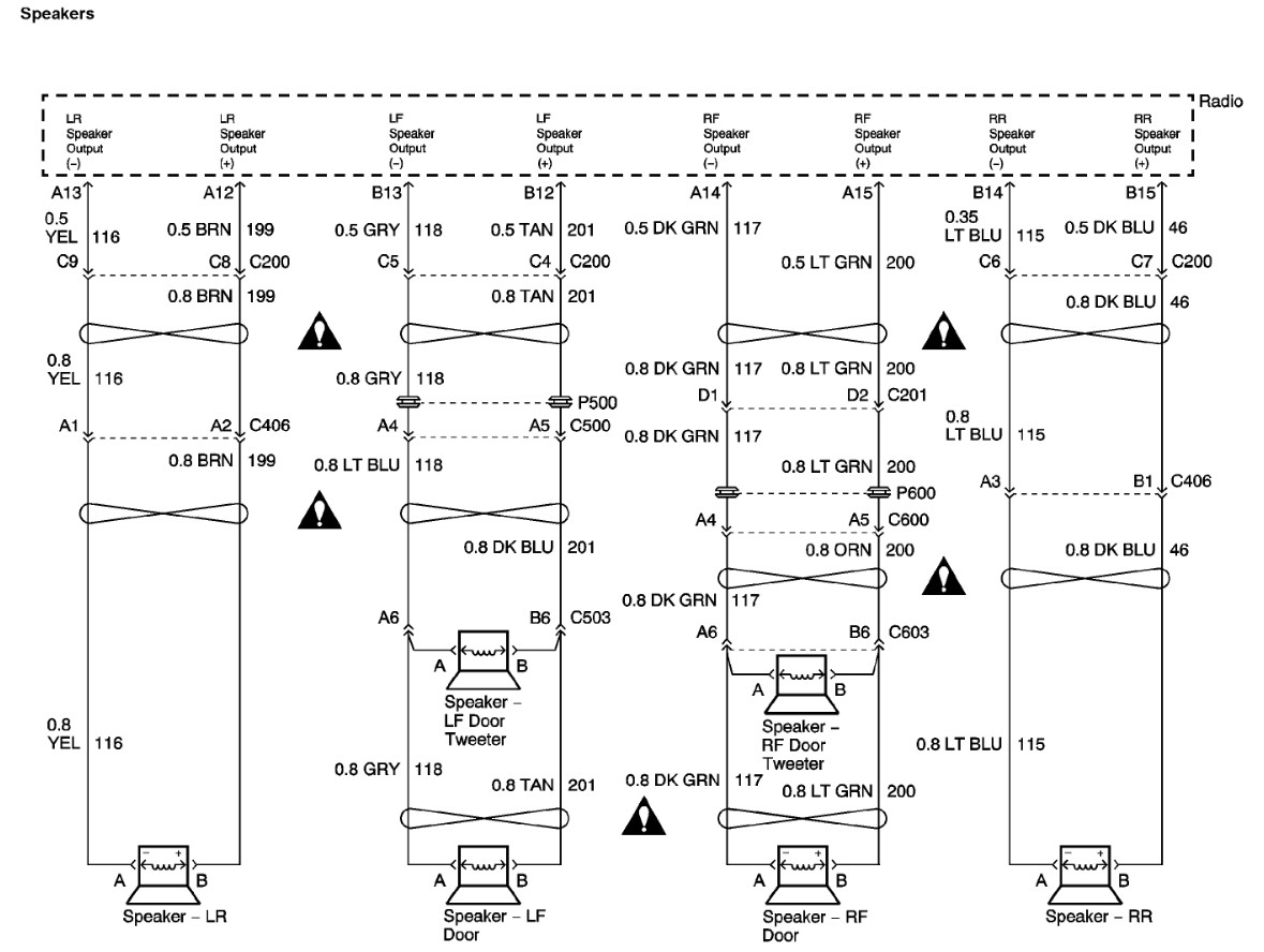
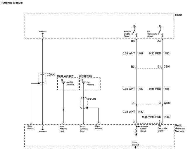
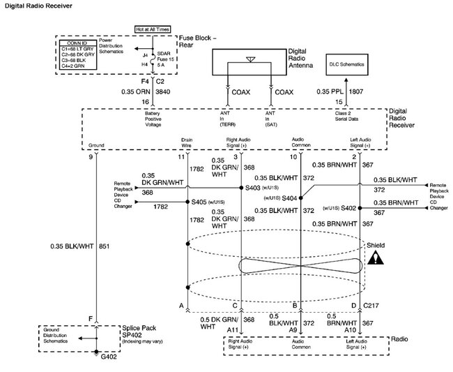
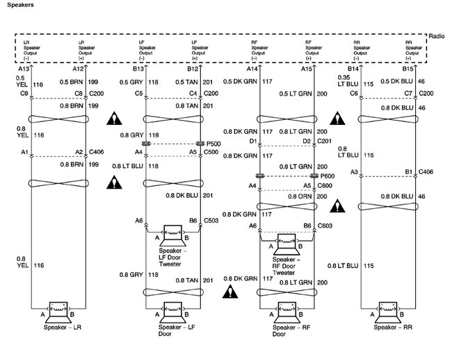
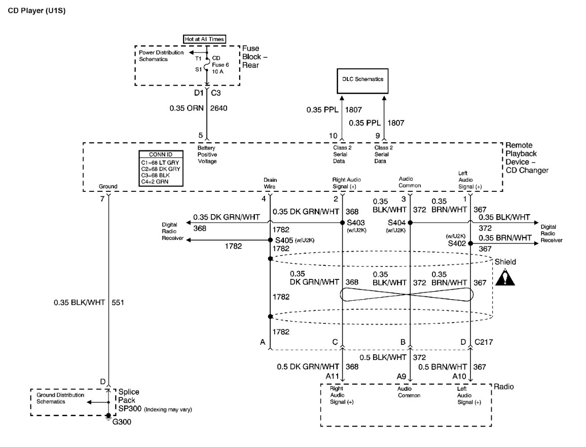
The attached are the diagrams for both the base and full optioned systems. The first 3 are the base radio without an amp. The others are the amp and digital (xm) modules. The base radio power and outputs are the same with the amp, they just go to the amp instead of speakers.
Dec 12, 2025 at 12:01 PM