Aftermarket radio on but no sound?

2005 ACURA RL
180,000 MILES • 3.6L • 6 CYL • 4WD • AUTOMATIC
Avatar
CELSO1211
  • MEMBER
  • 4 POSTS
I bought an aftermarket radio, it turns on everything works there just isn’t any sound at all.
Jul 9, 2023 at 4:52 PM
Advertisement
Avatar
STRAILER
  • CERTIFIED EXPERT
  • 53,854 POSTS
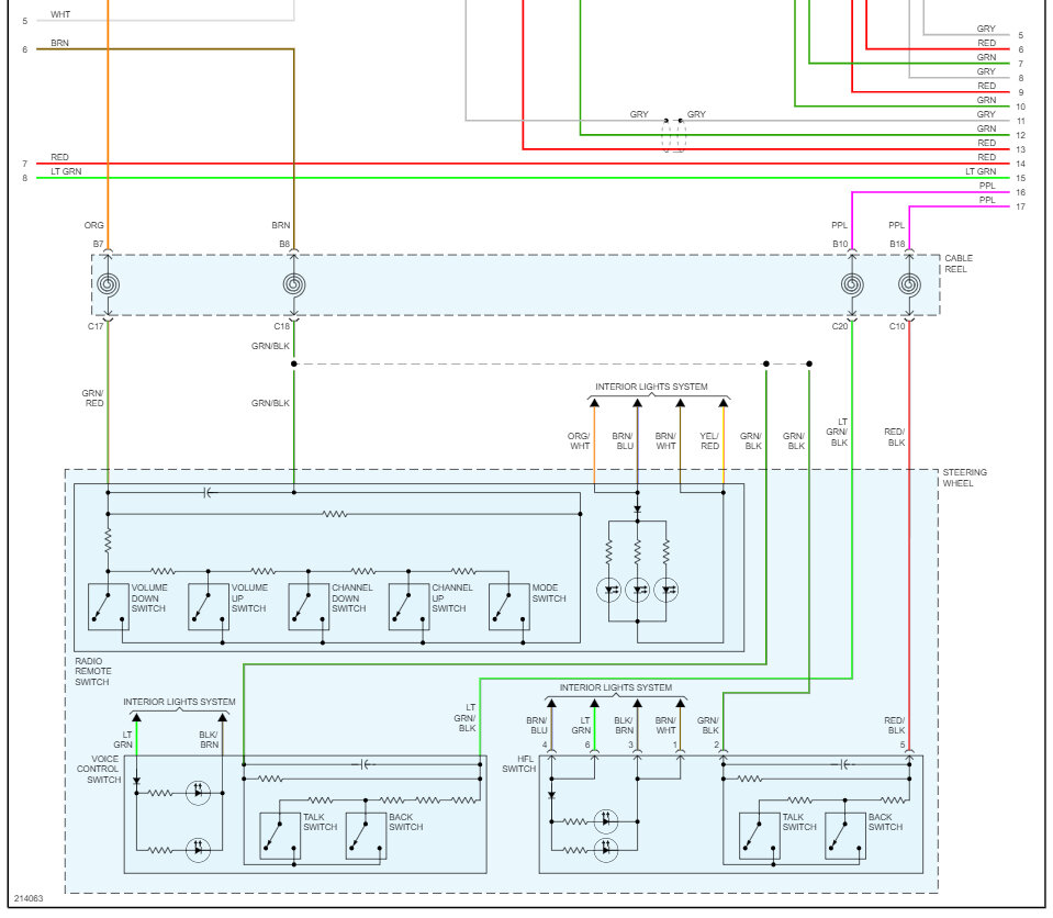
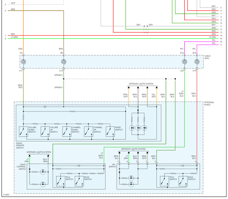
It might be defective, here are the radio wiring diagrams so you can double check the installation and see how the system works. I did notice there is an amplifier so the aftermarket radio must be compatible and if not, you will need to wire the speakers up individually. Check out the images (below). Please let us know how it goes.
Jul 10, 2023 at 12:08 PM
Avatar
CELSO1211
  • MEMBER
  • 4 POSTS
Yeah, i connected it to a speaker i had and it worked so it’s most definitely the amp because when connected to my car it doesn’t work. Any idea how i can connect it directly to the speakers?
Aug 19, 2023 at 4:51 PM
Advertisement
Avatar
STRAILER
  • CERTIFIED EXPERT
  • 53,854 POSTS
To bypass the amp or? Did the aftermarket radio come with instructions for this? If you want to bypass the amp use the wiring diagrams to connect to the speakers.
Aug 20, 2023 at 11:34 AM
Avatar
CELSO1211
  • MEMBER
  • 4 POSTS
Yes, to bypass the amp or anyway to make the sound go to the speakers. Also, is there any stereo that is compatible with the amp of my car?
Aug 20, 2023 at 7:38 PM
Avatar
STRAILER
  • CERTIFIED EXPERT
  • 53,854 POSTS
You will need to search for a radio that has this capability or wire the speakers directly at the amp using the wiring diagrams I have provided.
Aug 21, 2023 at 9:48 AM