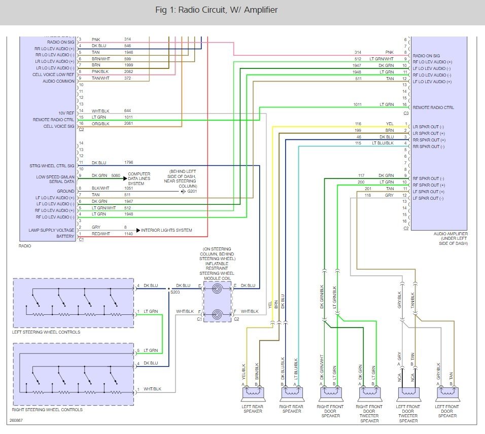
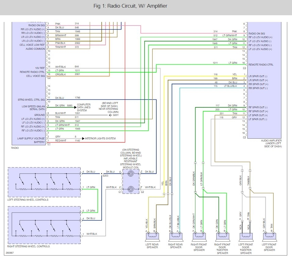
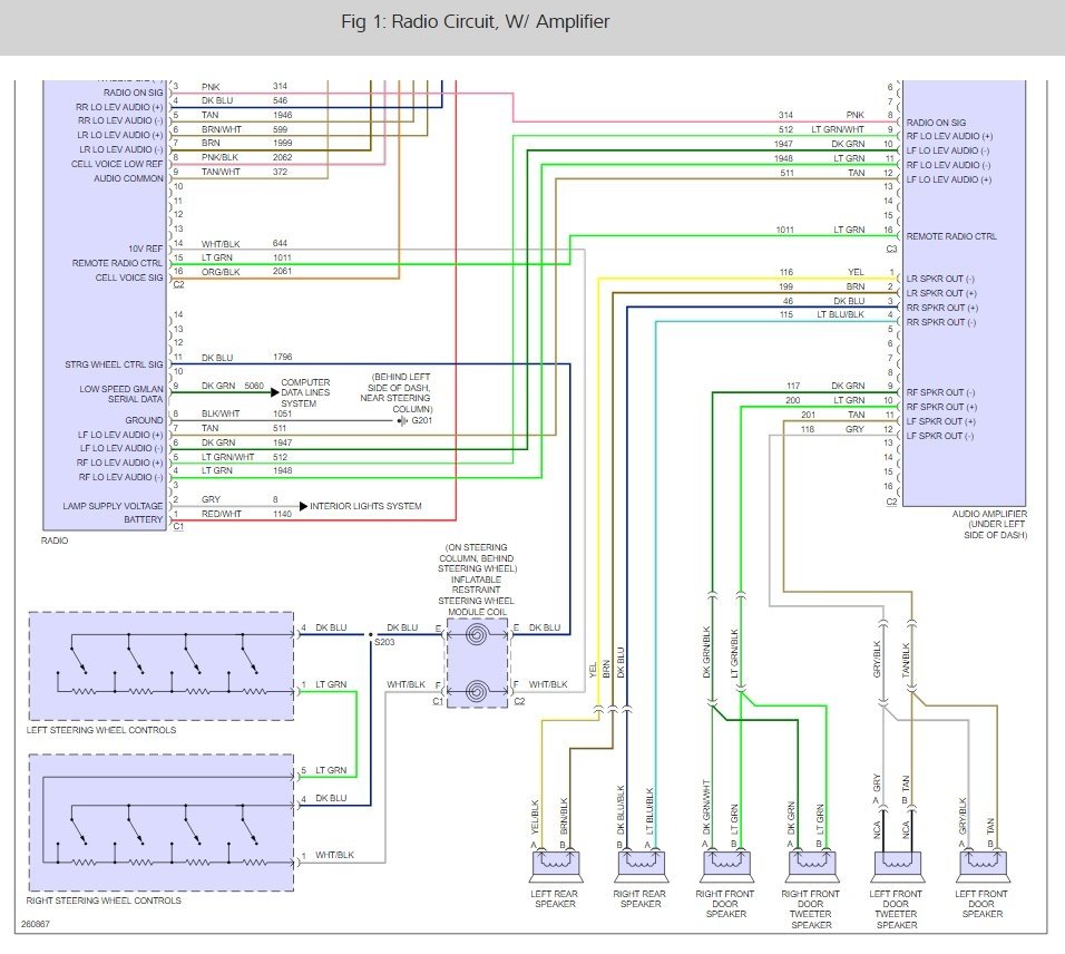
My car has the four speakers up front two on the door by window and to on the side of the door on the floor, two in the back plus the stock sub-woofer that it comes with. I bought a pioneer after market radio for the car, I bought the housing piece for the console, the aftermarket GM antenna adapter and the aftermarket GM adapters. I spliced all the wires and hooked wired them to my radio, but when I plug it into my car the radio turns on but no sounds comes out of the speakers. I have tired using my other adapter that the kit comes with but that adapter does not even turn on my radio. I put the old adapter on and tried disconnecting my battery, but even then the sound still does not come through, so I am stumped on what is causing the radio no to send sound to the speakers.
Jun 25, 2017 at 8:30 AM

