radio wiring diagrams please?

2012 DODGE RAM
145,000 MILES • V6 • 4WD • AUTOMATIC
Avatar
DIANE HOWELL
  • MEMBER
  • 3 POSTS
I have a white wire with orange tracer and a white wire with gray tracer. I'm not certain where they go or to what other wire to connect to. I have an orange and orange/black remaining as well as red and blue/black.
Dec 28, 2018 at 10:51 AM
Advertisement
Avatar
STEVE W.
  • CERTIFIED EXPERT
  • 15,113 POSTS
Welcome to 2CarPros,

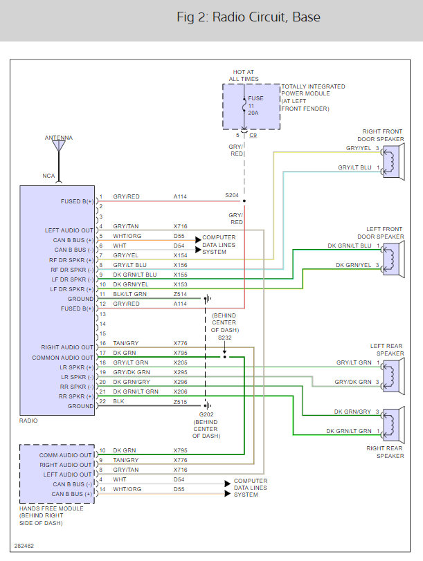
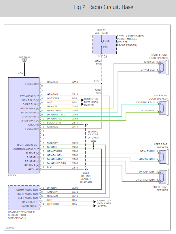
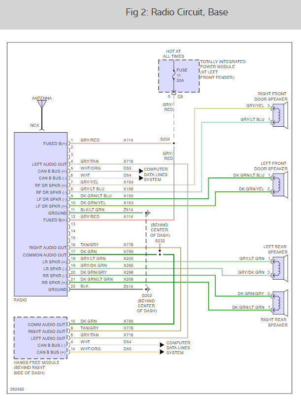
On which end are these wires? Truck side or the radio? Which radio option was in the truck from the factory as the wiring changes depending on the options. Here are the radio wiring diagrams you requested and a guide to help check the connections.

https://www.2carpros.com/articles/how-to-check-wiring

I have included radio wiring for both base and premium units. Check out the diagrams (Below). Please let us know what happens.
Dec 28, 2018 at 10:59 AM
Avatar
DIANE HOWELL
  • MEMBER
  • 3 POSTS
The white/orange and white/grey are on the truck side. Original radio image is attached.
Dec 28, 2018 at 12:46 PM
Advertisement
Avatar
STEVE W.
  • CERTIFIED EXPERT
  • 15,113 POSTS
Okay, those are the computer data lines that were used to control the OEM stereo. I doubt the replacement unit will use them. However it depends on the new unit. If you post the make/model number of the new one I can see if they have an online wiring diagram and see if it uses those. Do the orange and orange/black, red and blue/black you have remaining come from the new radio?
Dec 28, 2018 at 5:28 PM
Avatar
DIANE HOWELL
  • MEMBER
  • 3 POSTS
Yes they are on the new unit. I have attached the original diagram that came with the radio. Dual - XVM286BT. Thanks for you help.
Dec 28, 2018 at 6:39 PM
Avatar
STEVE W.
  • CERTIFIED EXPERT
  • 15,113 POSTS
Looked it up.
Orange wire would connect to the wire that turns on the back up lights. It would tell the radio you are in reverse and to turn on the back up camera.

Orange/black wire is the dimmer for the radio screen.

Blue/black wire is the remote turn on, it would be used to turn on the OEM amplifier and amplified antenna.

Red wire is an accessory power feed. It goes to a switched power feed to turn the radio on/off as you turn the trucks key on and off.

The reverse wire, dimmer, and remote are all part of the vehicles network so there is no direct way to connect them. It might be possible to find wires that would control those items but because most of them are ground switched you would need to add relays and be sure that it doesn't cause issues with the computers signals.

You have V6 in the trucks information. Is this a Dakota or full sized truck? If you verify the vehicle information I can see if the wiring diagrams show places you might be able to connect them.
Dec 28, 2018 at 9:03 PM
Avatar
DRSMITTY
  • MEMBER
  • 1 POST
I bought this truck (1500) used. I soon realized only the dash tweeters worked and after lots of troubleshooting, I decided it was likely the factory infinity amp causing the issue (there is a aftermarket receiver unit installed using a C2R-CHYD wiring interface). I decided to remove the factory AMP (since I did not want a faulty item being powered) by pulling out the dash in-order-to remove it. I then proceeded in running my own speaker wires, AMP and new receiver unit.
Now my truck will not start and the alarm begins going off randomly, My fob hardly ever works. My battery is reading 12.6 volts (I believe, I need to double check). I have tried to disconnect the battery and wait. I have also tried to disconnect, and connect the positive and negative wires together for a few hours, still nothing. I have reset the computer by holding down the trip button while turning on the ignition. I am currently out of Ideas. I have double checked, and my new radio only has a connection to V+, GND, ACC, Reverse Notification and Parking Brake notification. There is no CAN connection. It looks like the infinity AMP may be connected to the CAN, is having it unplugged causing my issues?
All installation work I performed was done with the negative side of the battery disconnected, so I would not have expected some weird discharge which would affect the computer.
Could something have happened with one of the wiring harnesses to the doors which would mess up the security system? This is the only other thing I could think of.

I was able to get the truck started by sitting with the key in the "on" position and keeping my foot on the brake, every once in a while the engine would try to turn over, after about ten minutes the truck started, I drove a while and the security alarm light and the low tire pressure light would come on together and then go off. After about ten minutes of driving, I parked, turned off the truck and tried to turn it on again with no success.
Aug 27, 2020 at 11:06 AM (Merged)
Avatar
STRAILER
  • CERTIFIED EXPERT
  • 53,854 POSTS
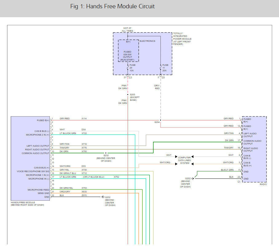
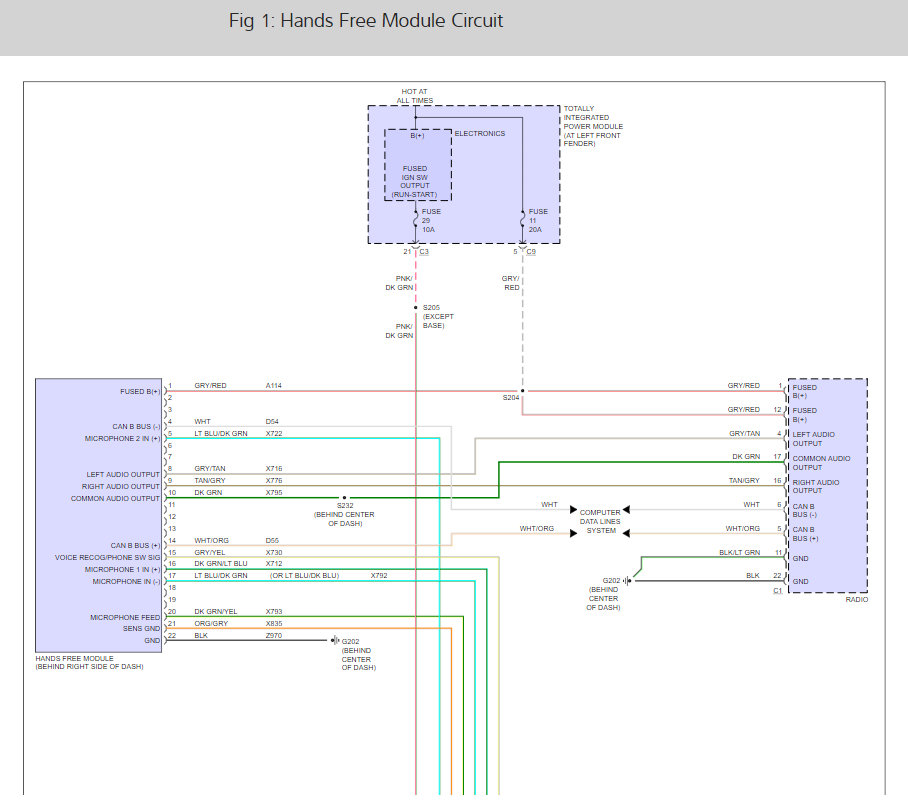
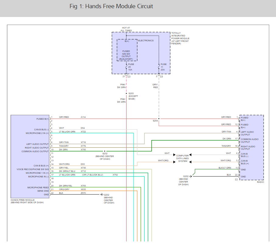
The radio is tied to the hands free and satellite portion of the car so it sounds like that got interrupted. I would try to find a harness adapter or try to figure out what goes where to satisfy the CAN and security systems of the car. Here are wiring diagrams to help you see how the system works and a guide how how to test the wiring:

https://www.2carpros.com/articles/how-to-check-wiring

Check out the diagrams (below). Please let us know what you find.

Cheers, Ken
Aug 27, 2020 at 11:06 AM (Merged)
Avatar
WYOKOKE
  • MEMBER
  • 3 POSTS
I tried to replace the factory radio, and couldn't get it to power up. Had the factory wiring already stripped, and set that back in the dash until I can get back to it next week, while figuring out if the problem is the radio or the truck. Since then, though, I have no dome lights when the doors open, no lights on the dash, and power locks only work when the ignition is on. I had no issues with any of this before. Are these somehow related to the wiring for the radio?
Aug 27, 2020 at 11:06 AM (Merged)
Avatar
STRAILER
  • CERTIFIED EXPERT
  • 53,854 POSTS
Hello,

It sounds like one of the wires might have grounded popping a fuse I would check fuse # 51, 2 and 21. Here is a guide to help get you started and the fuse locations with the radio wiring diagrams so you can see how it works:

https://www.2carpros.com/articles/how-to-check-a-car-fuse

Check out the diagrams (below). Please let us know what happens. Cheers, Ken

Aug 27, 2020 at 11:06 AM (Merged)
Avatar
WYOKOKE
  • MEMBER
  • 3 POSTS
Would this be worth dealing with before I have time to get back into the radio, or will it just blow again? I assume the latter?
Aug 27, 2020 at 11:06 AM (Merged)
Avatar
STRAILER
  • CERTIFIED EXPERT
  • 53,854 POSTS
Yes the ladder, can you pull the radio out to see if you have any exposed wiring?
Aug 27, 2020 at 11:07 AM (Merged)
Avatar
WYOKOKE
  • MEMBER
  • 3 POSTS
I can, but it won't be for a few days until I have time to get to that.
Aug 27, 2020 at 11:07 AM (Merged)
Avatar
STRAILER
  • CERTIFIED EXPERT
  • 53,854 POSTS
Okay let me know.
Aug 27, 2020 at 11:07 AM (Merged)
Avatar
JTRIGGS
  • MEMBER
  • 6 POSTS
Is there a pinout difference in the wiring plugs between a 2001 dodge ram 1500 and a later model ram radio? I have an 01 Ram 1500 with a am/fm cassette and want to install 02-05 radio with a cd changer.
Aug 27, 2020 at 11:07 AM (Merged)
Avatar
CARADIODOC
  • CERTIFIED EXPERT
  • 34,306 POSTS
Yup, there's two different plug styles but a few models of '01 already had the new style.
Aug 27, 2020 at 11:07 AM (Merged)
Avatar
CARADIODOC
  • CERTIFIED EXPERT
  • 34,306 POSTS
The two plugs on the left were used from the early '80s through 1999 on everything and 2002 on the full-size vans. The two plugs on the right were used starting with a few 2000 models and on everything by 2003. You might want to reconsider installing a changer. Every brand has a lot of trouble. I have dozens of them on my shelf that I can't fix. Chrysler is the only company that will allow me to buy their radio service manuals and I still have little success. Ford's are much worse but they all have a lot of problems. I can suggest a really nice radio if you have cds and cassettes but you have to tell me whether you have the rounded or square-face radio.
Aug 27, 2020 at 11:07 AM (Merged)
Avatar
JTRIGGS
  • MEMBER
  • 6 POSTS
Thanks for the quick reply. I one I now have what I assume is the square face radio/cassette player. It has slightly radiused corners but is primarily square. It does not have the oval display of the newer ones.
Considering the problems you suggest the in dash changers have would you then recommend getting a replacement radio and the remot changer module instaed of the in dash all in one unit?

Thanks again.
Aug 27, 2020 at 11:07 AM (Merged)
Avatar
CARADIODOC
  • CERTIFIED EXPERT
  • 34,306 POSTS
The little Chrysler 4 and 6-disc in-dash remotes are the same mechanisms as used in the radios. The 4-disc needs four shipping screws installed to survive the vibration of shipping, especially if it comes from UPS. They get out-of-time and there is nothing in the service manual to tell how to reset it. I haven't had time yet to sit down and compare a working changer to a bad one. The 6-disc goes into a lock mode when you disconnect the power so it holds up better from shipping. My preference is the huge, bulky 6-disc add-on units but changing discs is a hassle. I have one in the trunk of a Dynasty but I found no matter what I stick in, that's not what I want to listen to on the highway. I prefer talk radio. If you have your old radio out, tell me the model number on the sticker on top.
Aug 27, 2020 at 11:07 AM (Merged)
Avatar
ALEXANDER27
  • MEMBER
  • 1 POST
So I installed the new stereo in a truck, but now when I turn on the headlights the stereo shuts off. Until I turn the headlights off. And I also got a pink. An orange wire that is not connected what do I do with them?
Aug 27, 2020 at 11:07 AM (Merged)
Avatar
JTRIGGS
  • MEMBER
  • 6 POSTS
Actually I don't have the current am/fm cassette unit out. I'm just kind of looking at what I want to replace it with since I have hundreds of CD's and I have run across a lot of used cd players and changers on Ebay. I see the difference in the sware face vs. oval faced units. I can buy a brand new never used remote changer for $50.00 and then replace my cassette unit with a changer control head but I may just go back to buying a new aftermarket radio that takes SD cards (about the same cost as buying a used OEM head and seperate changer unit and just put all my music on SD cards instead of CD's.
Like you, I mostly listen to talk radio these days.
Aug 27, 2020 at 11:07 AM (Merged)
Avatar
PORTAFISHING
  • MEMBER
  • 37 POSTS
Here is a factory radio wiring diagram I hope this helps. This guide can help test the connections

https://www.2carpros.com/articles/how-to-check-wiring

Check out the diagrams (Below). Please let us know what you find. We are interested to see what it is.

Stephen
Aug 27, 2020 at 11:07 AM (Merged)
Avatar
CARADIODOC
  • CERTIFIED EXPERT
  • 34,306 POSTS
If you found one on eBay, give me the item number so I can look at it. Mrcd1 used to sell a lot of them. I fixed one of his radios but there was no way he could know it had a problem. Most of his stuff is pretty good. Reason I asked for your model number is there are a few round-face radios that have a 100 percent failure rate. The cassette model is 56038518. The cd model ends with a "67". After the problem develops the a radio will continue to work fine until the battery is disconnected or run dead. A lot of mechanics are falsely blamed for damaging those models. Most of them have three lighted tone controls but some have two non-lighted controls. The 8518 model has the jack on the back to plug in a remote changer. There is an almost identical radio built by Mitsubishi that looks and mounts the same, has the same three tone controls and runs the same changer. It was only used in one car model for one year so they're hard to find. Used car dealers are always watching eBay for them. Instead, there is an identical cd / cassette radio, also built by Mitsubishi for Chrysler that is a much better model. They weight about four times what the Chrysler-built radios weigh.
Aug 27, 2020 at 11:07 AM (Merged)
Avatar
STEVE W.
  • CERTIFIED EXPERT
  • 15,113 POSTS
What is the make and model of the new stereo? With that we could see if they have a wiring diagram showing the wires for it. Using that and the OEM wiring it may be possible to figure it out.
Aug 27, 2020 at 11:07 AM (Merged)
Avatar
JTRIGGS
  • MEMBER
  • 6 POSTS
I actually have found one of the mitsubishi models for a 01-05 dodge stratus w/ the 4 disc changer with the numbers MR459823 and DY-5UC6CWYD. What would your opinion be on this?
Aug 27, 2020 at 11:07 AM (Merged)
Avatar
CARADIODOC
  • CERTIFIED EXPERT
  • 34,306 POSTS
I have three of them ready to sell. This model has an orange display and faceplate back lighting. I have a rare one with the standard bluish green back lighting but that one is brand new. I repair and sell radios at the nation's second largest old car show in Iola, WI. If you have the model you listed shipped, be sure the seller installs the shipping screws, (which most people wouldn't have), otherwise there's a real good chance the four lights on the front for the four cds will be flashing and it won't work. That's what I mean by "out-of-time", and I haven't figured out yet how to correct that.
Aug 27, 2020 at 11:07 AM (Merged)
Avatar
JTRIGGS
  • MEMBER
  • 6 POSTS
Yeah, this looks like it comes from an auto dismantler so I highly doubt they have the transport lock screws. Chances are I'll just opt for replacing the current system with and aftermarket system that uses SD media cards and just drop the CD's from my truck. I rip all my own music collection anyway.
Thanks for all your help and advice.
Aug 27, 2020 at 11:07 AM (Merged)
Avatar
CARADIODOC
  • CERTIFIED EXPERT
  • 34,306 POSTS
Happy to help a fellow Dodge owner. If the seller is LKQ, they have yards all over the country. I visited two in Tennessee a few years ago. One of my 4-disc radios came from them with not one single stitch of packing material in the 15" cubed box! It actually survived but the display crystal was scuffed so badly you couldn't read the numbers. They sent me a second one, also with no packing material. It didn't work but I made one out of the two.
Aug 27, 2020 at 11:07 AM (Merged)
Avatar
JTRIGGS
  • MEMBER
  • 6 POSTS
That's the place. Good to know that the unit might not arrive in decent shape. The price seemed good but the hassle of dealing with a non functioning part isn't worth the savings. I can get a new Sony digital media replacement system from Crutchfield for $40 more and thy include shipping,the mounting bezel, and a wiring adapter harness for free. Plus I am willing to bet the audio specs on the Sony is a lot better.

Thanks again.
Aug 27, 2020 at 11:07 AM (Merged)
Avatar
CAPO547
  • MEMBER
  • 4 POSTS
I have the gray and black plugs I am trying to find the left and right audio on it but don't know which one can't read the diagram that good if you can help me out
Aug 27, 2020 at 11:07 AM (Merged)
Avatar
CARADIODOC
  • CERTIFIED EXPERT
  • 34,306 POSTS
I have that information, but it's on my computer that just went through a major house fire. If I don't get back to you within a week, post another reply to remind me.
Aug 27, 2020 at 11:07 AM (Merged)