After market trailer brake controller

2011 GMC YUKON
90,000 MILES • 6.2L • V8 • AWD • AUTOMATIC
Avatar
ROMALOOCH
  • MEMBER
  • 1 POST
I have a XL Denali. I just bought this vehicle and it does not have an integrated brake controller so I bought an after market trailer brake controller and installed it on the vehicle. The vehicle did come pre-wired for a brake controller so the wires were already under the dashboard. I hooked it up and everything works great except the wire from the vehicle that is suppose to be for the brake switch is wired hot meaning there is power to it all the time and the brakes on the trailer are fully applied. This wire is only suppose to get power through the brake switch when the brake pedal is applied. Anybody ever heard of this before?
Jun 17, 2017 at 6:03 PM
Advertisement
Avatar
STRAILER
  • CERTIFIED EXPERT
  • 53,854 POSTS
Hello,

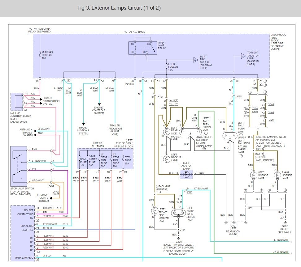
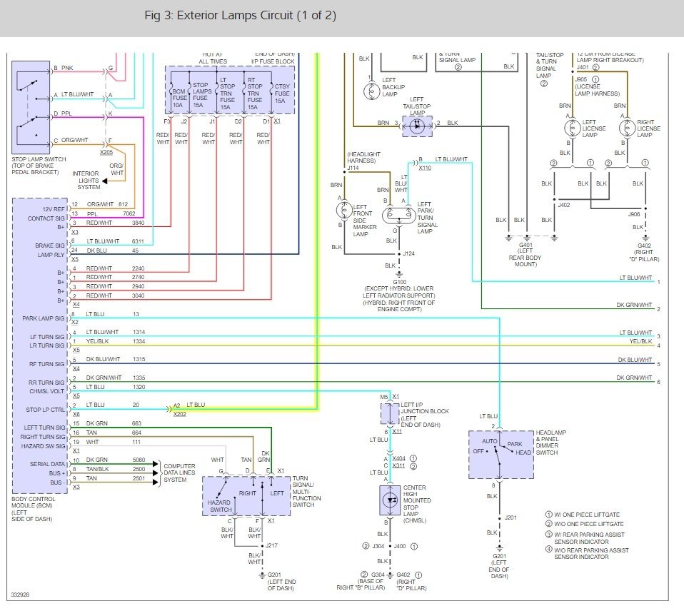
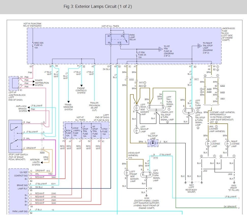
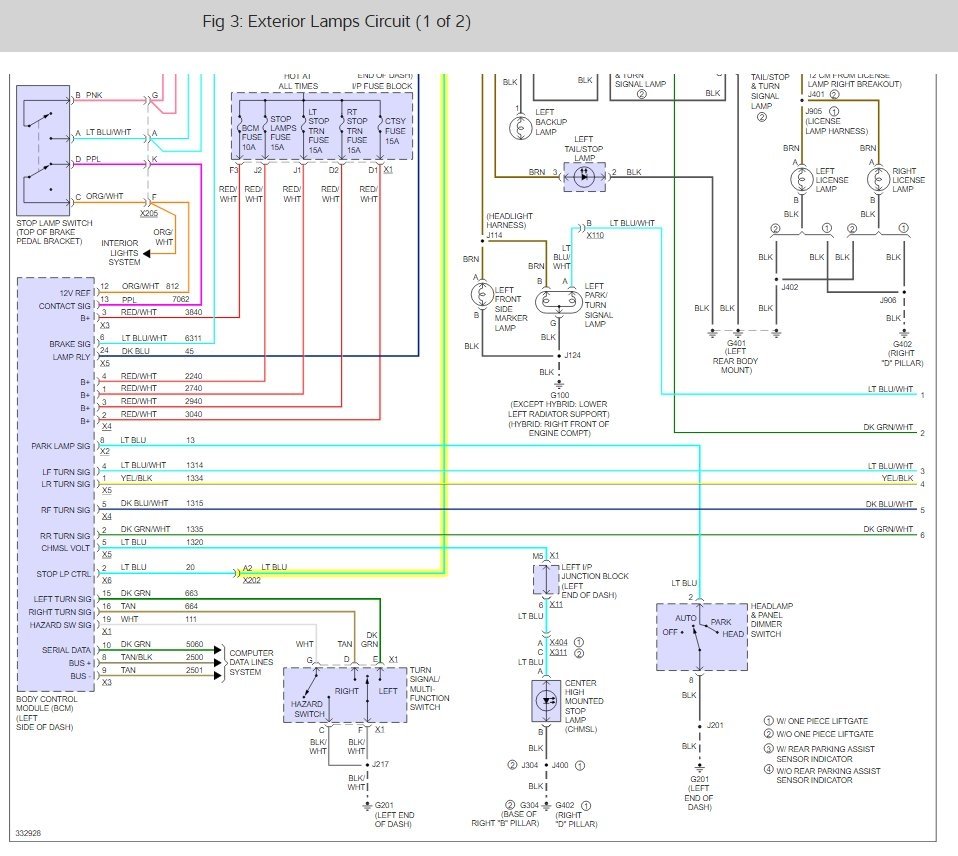
It sounds like you have the wrong wire connected to the trigger for the controller. Here is a wiring diagram so you can get the right wire.

It looks like it is light blue with white

Please let us know if you need anything else to get the problem fixed.

Cheers, Ken
Jun 18, 2017 at 10:37 AM