Aftermarket stereo installation issue?

2002 CADILLAC DEVILLE
96,000 MILES
Avatar
  • MEMBER
  • 1 POST
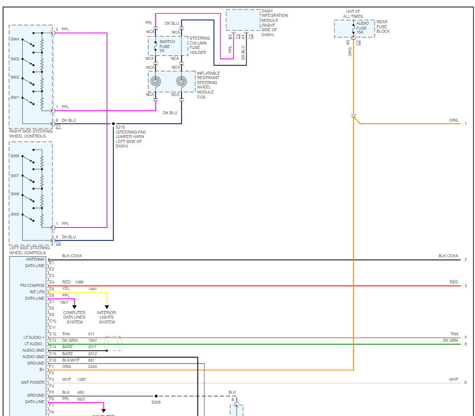
I bought a pioneer sph-10bt stereo to put in my car listed above, which does have the factory amp, but it does not have a Bose system. The interface/wiring harness I'm trying to install is a PAC model number os2-gm32x. The interface has 2 sets of speaker wires white/black and grey/black I hooked those with the matching colors on back of pioneer. But what do I hook the other 2 sets coming off back of pioneer that are purple and green. Why does the OEM plug coming out from the dash have only 3 sets of audio wires instead of 4? and why does each set have 3 wires instead of 2? I read something about return audio wire or common ground wire. Which ones go to the factory amp? Must be purple and blue because I notice there isn't anything plugged into that slot in the harness because for some reason the factory amp doesn't seem to be working?
Apr 27, 2023 at 3:57 AM
Advertisement
Avatar
STRAILER
  • CERTIFIED EXPERT
  • 53,854 POSTS
If the factory amp isn't working, it could be due to a wiring issue or a problem with the amp itself. Here are the radio wiring diagrams with the speaker so you can see how the radio system works. Check out the images (below). Please let us know what happens.
Apr 27, 2023 at 5:51 PM