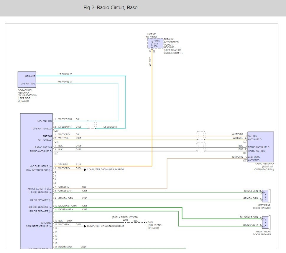
I am trying to hook up a after market amp and sub, but do not know the color scheme for the speakers to install the output converter.
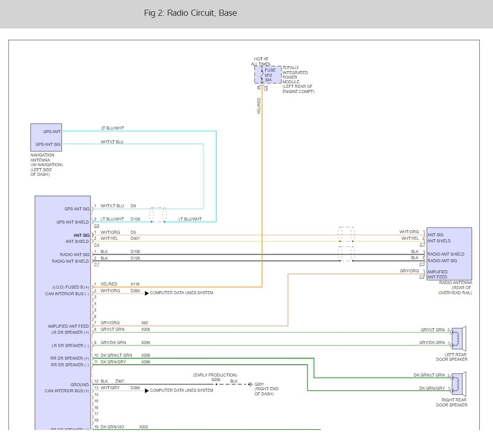
I have the power cord hooked up to the positive post on the fuse box and it is grounded in the back where the jack is located.
I have the power cord hooked up to the positive post on the fuse box and it is grounded in the back where the jack is located.
Jun 5, 2017 at 2:50 PM






