After aftermarket remote start installed, van will only start with remote start

2012 DODGE CARAVAN
85,000 MILES • 0.6L • 6 CYL • 2WD • AUTOMATIC
Avatar
LISA HEIDER
  • MEMBER
  • 1 POST
Engine will only turn on if remote start is used.
Nov 17, 2019 at 12:45 PM
Advertisement
Avatar
MOTOR MASTER
  • CERTIFIED EXPERT
  • 279 POSTS
Hello my name is Dave.

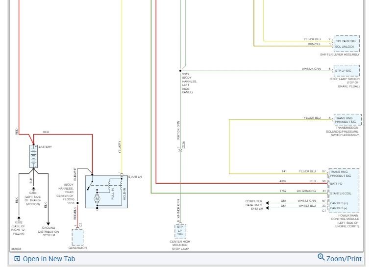
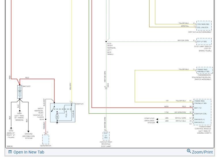
It sounds to me like the remote start wasn't installed properly, if you had it installed by a shop I would recommend returning and having them fix the problem, if you or a friend did it I would recommend uninstalling it and seeing if it will start. What it sounds like is that when it was installed the signal wire going to the starter was cut making it so the signal can only come from the remote start module. I have attached the diagram for the starting system to help you trace the starter signal from the wireless node to the starter, I would look for a place where the wire was spliced and/or cut and at least temporally remove the input from the remote start module and make sure the circuit is complete. Please keep us up to date on your progress and thank you for using 2CarPros!
Nov 18, 2019 at 4:02 AM