Adding puddle light

2003 FORD EXPLORER
230,000 MILES • 4.0L • V6 • 2WD • AUTOMATIC
Avatar
SEANTOLLIVER
  • MEMBER
  • 1 POST
Hello,

My power mirror has four wires. Is it possible to add a puddle light/mirror? I have the XLS model. What is required?
Dec 4, 2017 at 1:54 PM
Advertisement
Avatar
STRAILER
  • CERTIFIED EXPERT
  • 53,854 POSTS
Hello,

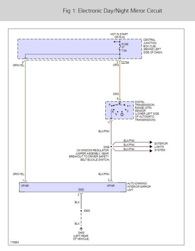
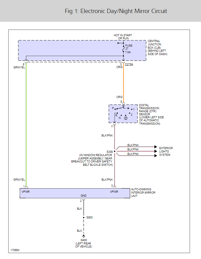
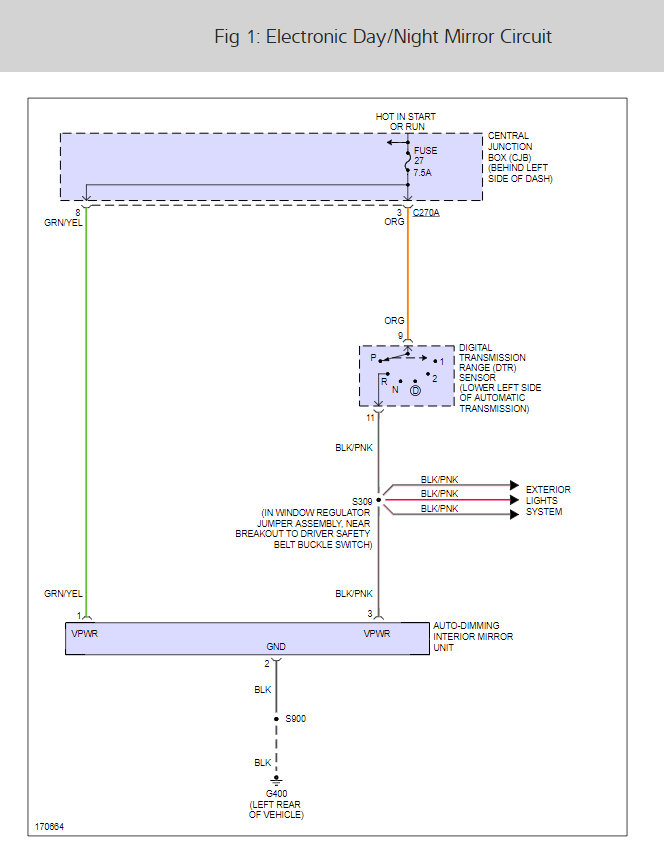
Yes, it is possible just tap into the interior light circuit.

Here is the wiring diagram so you can make it happen.

Check out the diagrams (below).

Please let us know if you need anything else to get the problem fixed.

Cheers, Ken
Dec 5, 2017 at 3:05 PM