Adding a new sound system

2002 CHEVROLET TRAILBLAZER
151,325 MILES • 4.2L • 6 CYL • 4WD • AUTOMATIC
Avatar
RAIDER$21
  • MEMBER
  • 1 POST
Hi Ken, so I bought a touchscreen Inteq double din DVD-CD radio. It has Bluetooth and rear camera, video, steering wheel, mic, subwoofer plug. I ran the monster cable to the amp I have the remote ran into the amp to the radio. I have a 2 channel amp and 1- 12inch subwoofer... having trouble with the wiring. It’s been 20 years since I hooked up a system. I can’t get it to turn on there’s an extra tan wire (mute) and an orange and black (dim) can you explain please how to get my stereo working and my subwoofer please?
I’m Roberto by the way. Nice to meet you.
Oct 3, 2020 at 3:59 AM
Advertisement
Avatar
DANNY L
  • CERTIFIED EXPERT
  • 5,648 POSTS
Hello, I'm Danny.

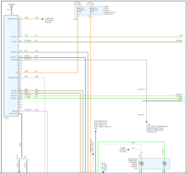
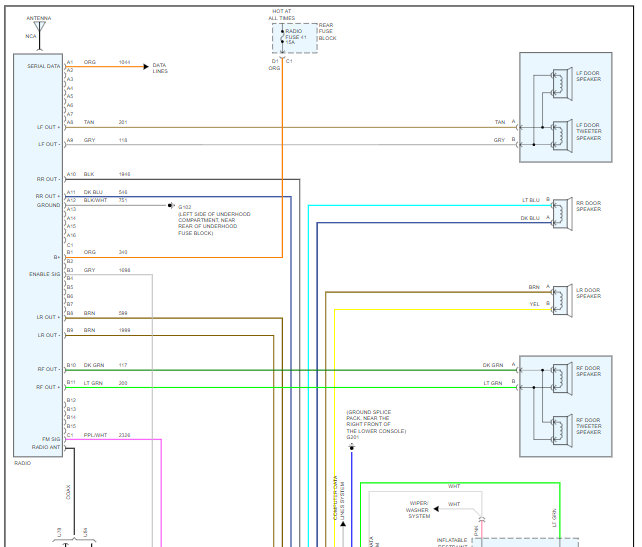
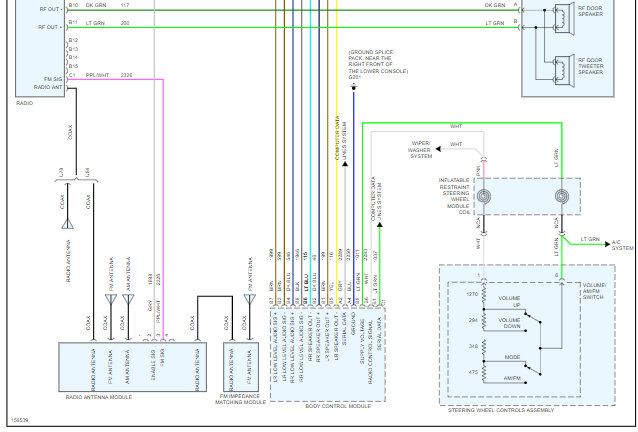
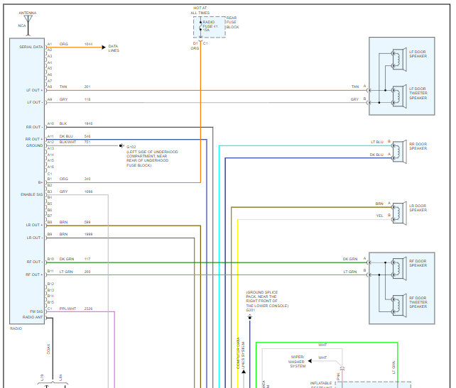
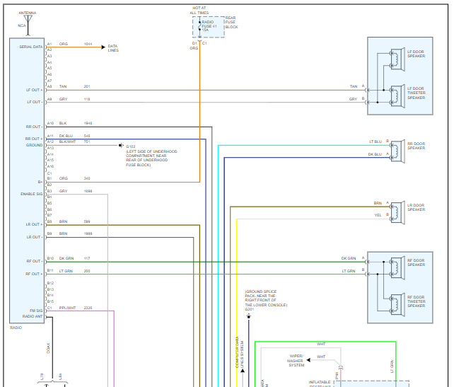
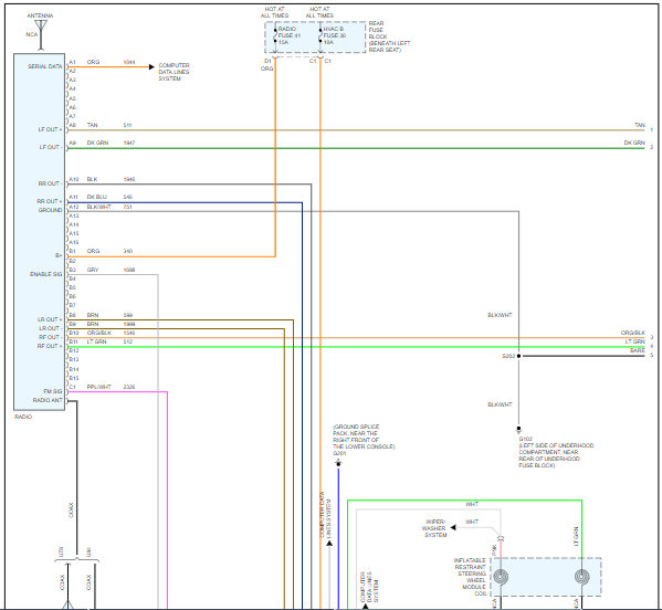
I've attached the wiring diagrams below for your vehicle. Your truck came with 3 different type of audio systems, Base radio without rear seat audio, Base radio with rear seat audio, and Premium sound. Here is a tutorial that shows how to check wiring:

https://www.2carpros.com/articles/how-to-check-wiring

I've attached all the different wiring diagrams below since you didn't specify. I've cut the pictures in half so you can view larger. Let me know which system is yours and we'll go from there. Hope this helps and thanks for using 2CarPros.
Oct 3, 2020 at 1:18 PM