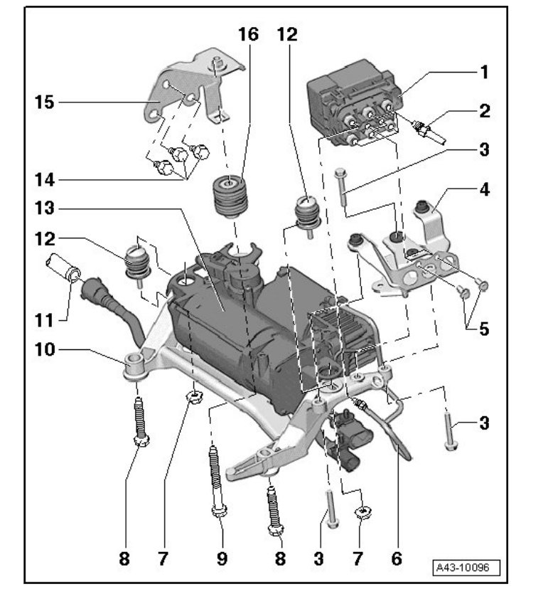
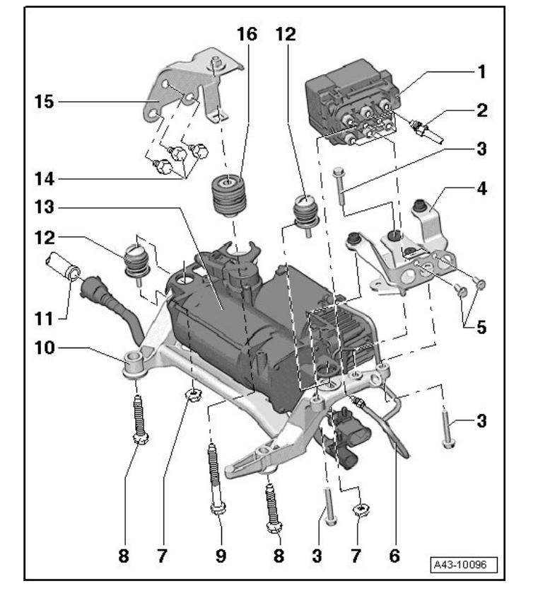
When I start my engine, the adaptive suspension lights come on (green, yellow or both). Normally the suspension would move to the required height and the lights would go off. Instead, a loud motor noise can be heard (in the attached video) coming from near the front right wheel. It continues on for a couple of minutes, sometimes intermittently, until it stops. I've taken it to the Audi garage, and they've said it isn't worth the cost of the repairs because I live in the Caribbean and the cost of labor and parts are high. I need to either ship it off the island to have it repaired elsewhere or live with it, which is distracting to say the least! Any help greatly received!
Sep 26, 2022 at 1:11 PM






