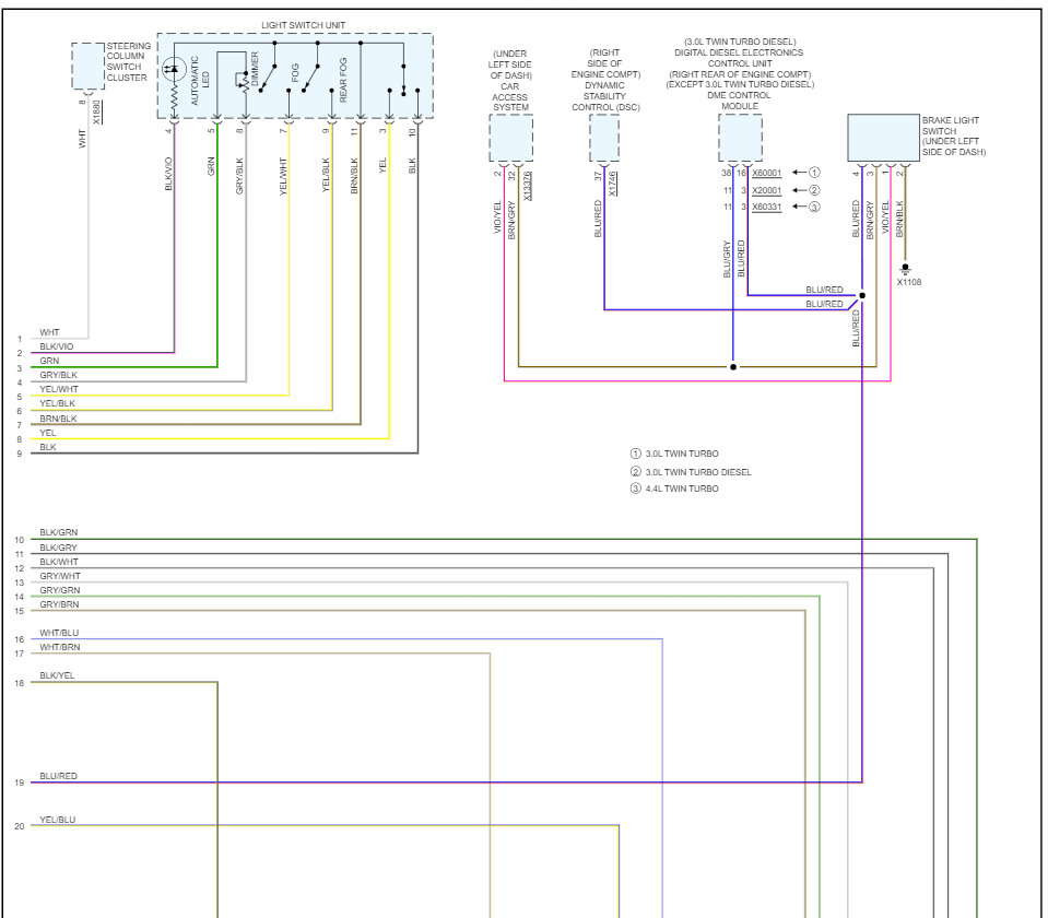
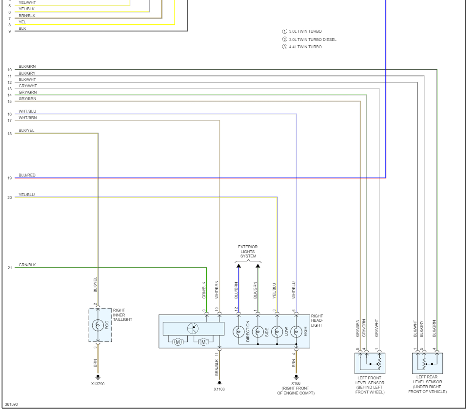
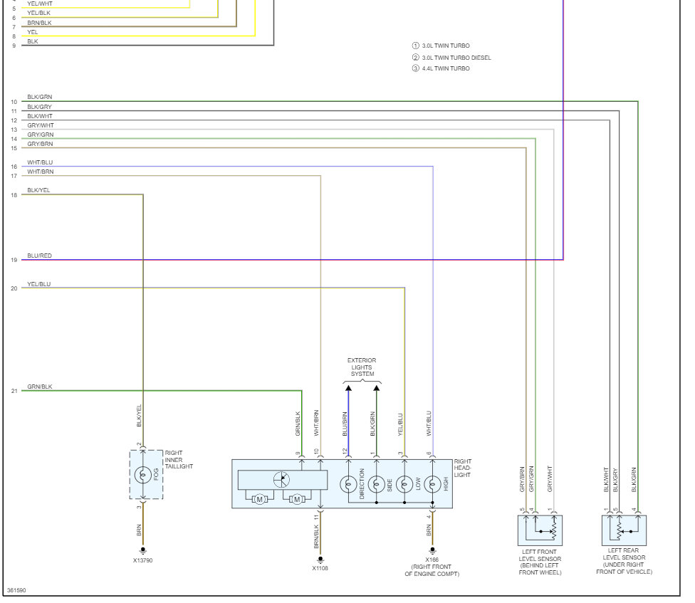
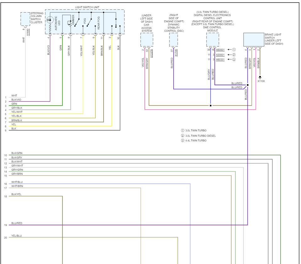
My adaptive headlight is out on the right pass side. My headlight got hit and the plastic cracked, and it hasn’t worked since. I tried to replace the bulb and that did not work, still no light. I tested the cable that connects to the DS1 light module and it’s only getting .04 volts. I have 11 footwell module codes when we scanned the car so is that maybe the issue?
May 12, 2023 at 7:47 PM



