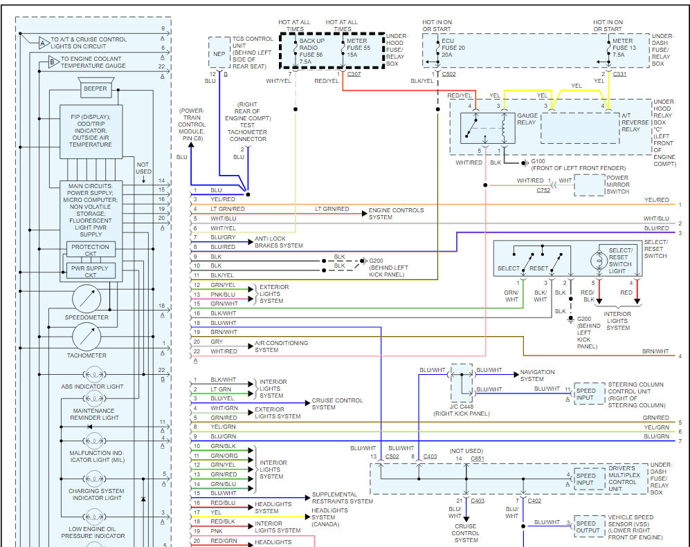
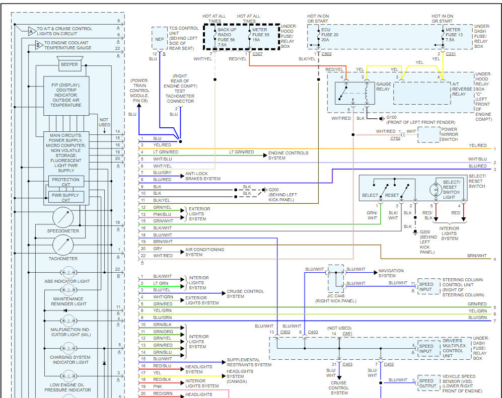
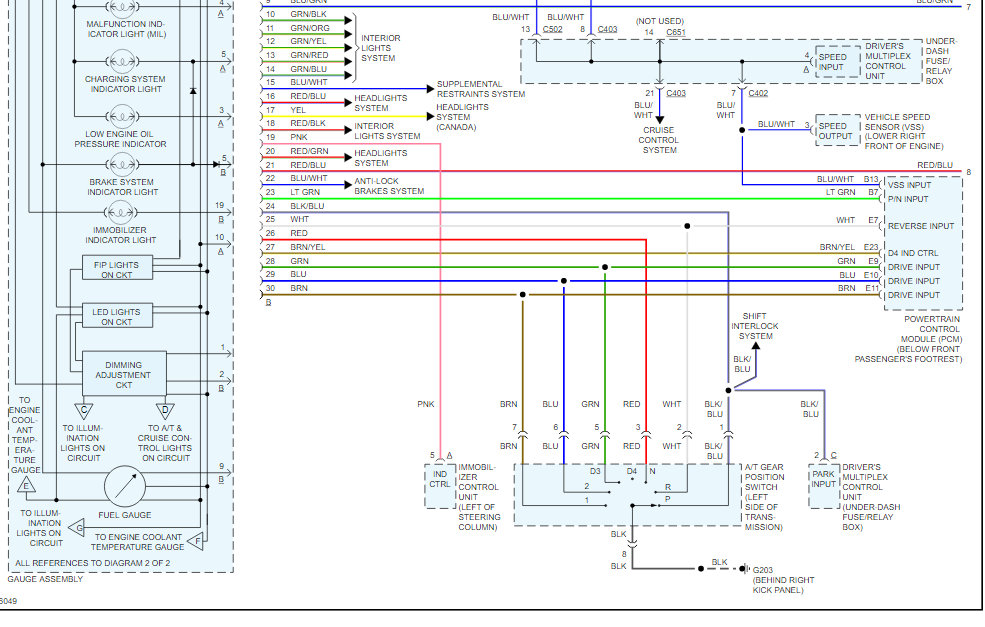
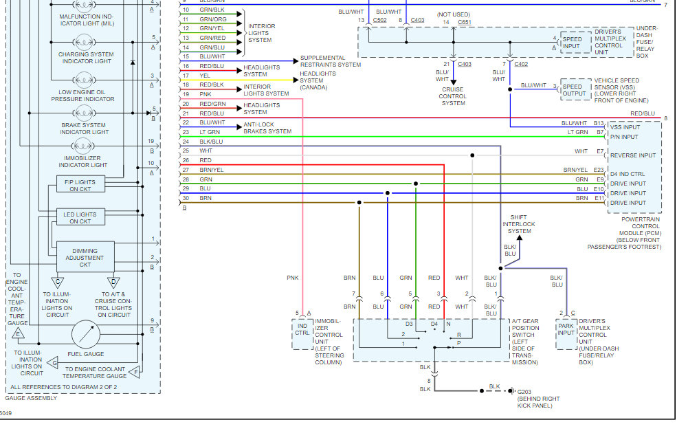
Question: Today I was driving like any other day. All of a sudden I was on the highway and all of a sudden the lights where fading in and out. The next thing I knew was that everything just went to zero. That wasn't the bad part about it though, smoke starting coming through the back of my steering wheel, I pulled over and popped the hood. There was no smoke coming from the engine or anything. So i got back into the car and I find out i can still drive, but my speedometer is dead and it won't tell me the RPM or how much gas I have. Did i blow a fuse or something or did the electrical wires just like explode. Help me please.
Sep 11, 2008 at 9:42 PM



