Cruise control not working

1994 ACURA INTEGRA
Avatar
DANE RHODE
  • MEMBER
  • 3 POSTS
My cruise control went out. Where is the solenoid, and or fuse?
Jan 24, 2009 at 10:08 PM
Advertisement
Avatar
BLUELIGHTNIN6
  • CERTIFIED EXPERT
  • 16,542 POSTS
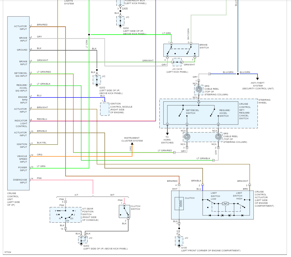
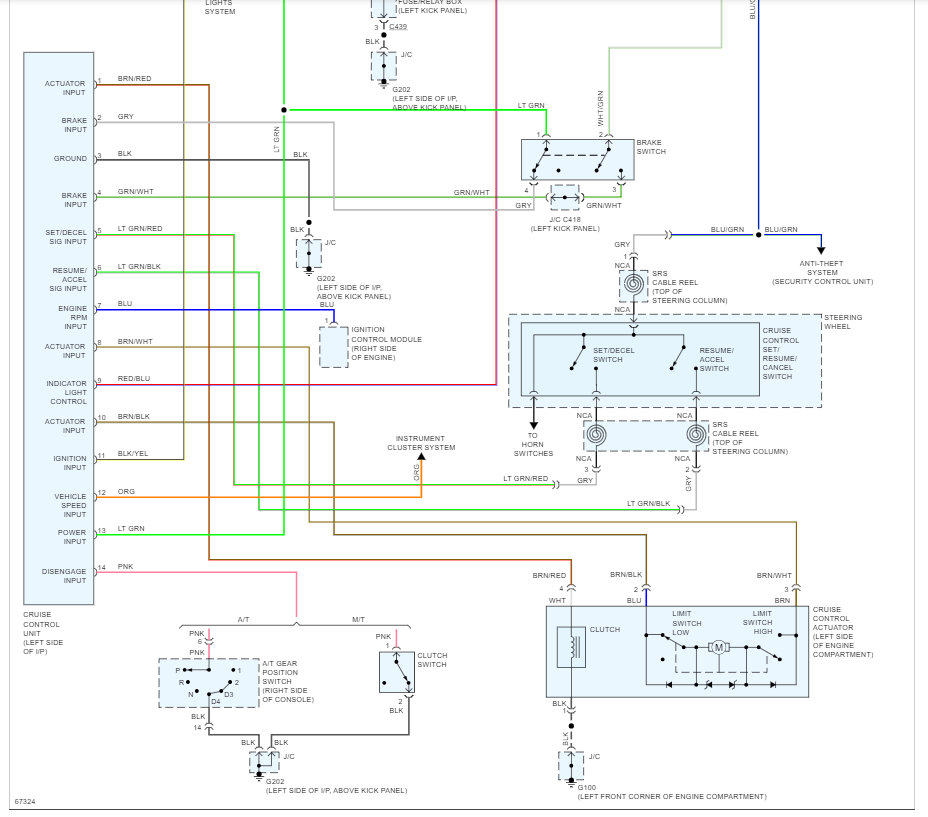
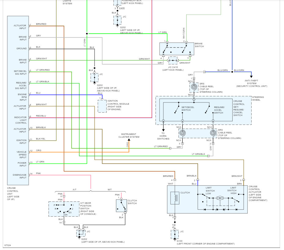
There are two fuses, but I would check the fuses brake light switch and clock spring through the steering wheel which can break causing the cruise control not to work anymore. Here is a guide the the cruise control wiring diagrams to help you fix the problem:

https://www.2carpros.com/articles/how-to-check-wiring

Check out the diagrams (below). Please let us know what you find. We are interested to see what it is.

Cheers
Jan 24, 2009 at 10:24 PM
Avatar
GREGTHOS
  • MEMBER
  • 1 POST
I had this problem and had to replace the clock spring in the steering wheel cost me $260.00 at the shop. I wish I did it myself. FYI
Jul 19, 2018 at 2:44 PM
Advertisement