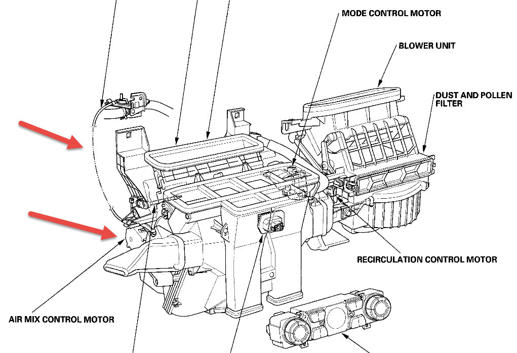
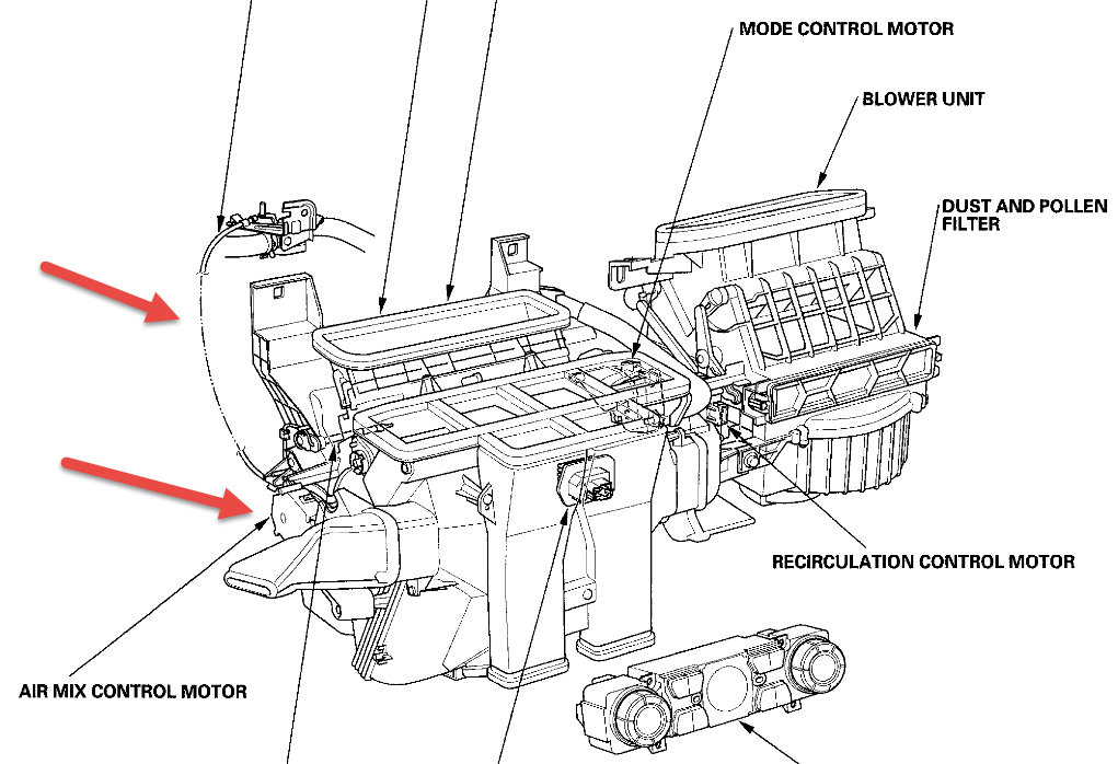
Actually blowing hot air on driver side semi cool air on passenger side.
How do you renew the temperature driver?
How do you renew the temperature driver?
Jul 6, 2017 at 12:01 PM
