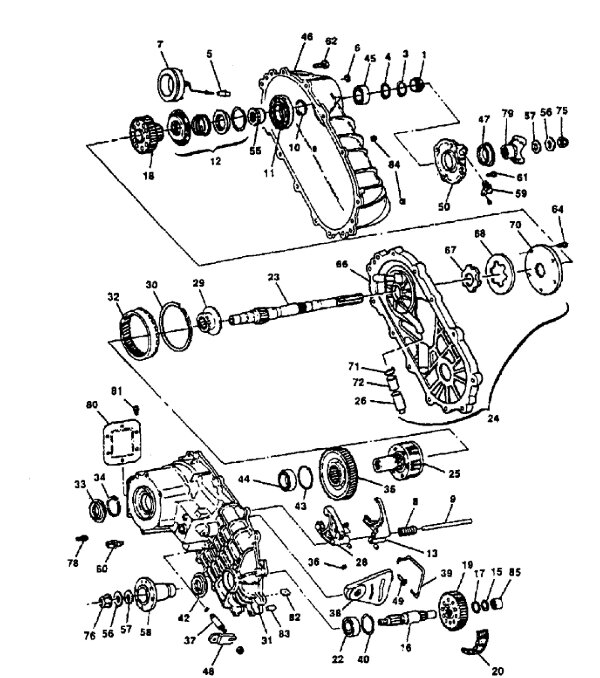
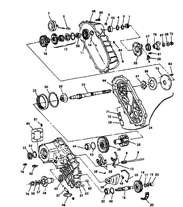
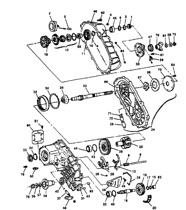
1992 K1500 won't go in forward or reverse unless I accelerate. I'm parked on a hill slanted upwards and when I put it in reverse it stops my truck completely as if my brake is on. When I accelerate it will move, however it's sluggish. In neutral it to rolls fine.
Some things I noticed before this is when I'm accelerating from a stop there is a single clunk noise the same applies when I come to a stop.
-What I've done-
* Added trans fluid (Was a bit low)
*Changed Transfer case fluid (was extremely low and miscolored)
*Changed Rear Differential Fluid
*Checked shift linkage
Some things I noticed before this is when I'm accelerating from a stop there is a single clunk noise the same applies when I come to a stop.
-What I've done-
* Added trans fluid (Was a bit low)
*Changed Transfer case fluid (was extremely low and miscolored)
*Changed Rear Differential Fluid
*Checked shift linkage
May 3, 2025 at 2:44 AM

