Accidently put battery in backwards

1986 FORD F-350
200,000 MILES • 6 CYL • 4WD • MANUAL
Avatar
XHECKTOR
  • MEMBER
  • 4 POSTS
I accidentally put battery on backwards and now there is no spark, but there is power to and from the coil.
Mar 12, 2016 at 10:23 PM
Advertisement
Avatar
MHPAUTOS
  • CERTIFIED EXPERT
  • 31,937 POSTS
Check main EFI fuse as this may have blown, if all fuses are okay, you may have spiked the ECU and caused some internal damage.
Mar 12, 2016 at 11:49 PM
Avatar
XHECKTOR
  • MEMBER
  • 4 POSTS
I am not sure where the efi fuse is located.
Mar 13, 2016 at 3:07 AM
Advertisement
Avatar
MHPAUTOS
  • CERTIFIED EXPERT
  • 31,937 POSTS
it should be in the main fuse block, check your owners manual, if no good let me know and i will look further into its location
Mar 13, 2016 at 5:45 AM
Avatar
XHECKTOR
  • MEMBER
  • 4 POSTS
There is no efi it is a inline 6 is a carb unit
Mar 13, 2016 at 4:25 PM
Avatar
CJ MEDEVAC
  • CERTIFIED EXPERT
  • 11,004 POSTS
DIFFERENT GUY

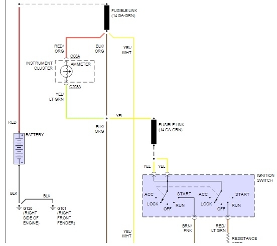
LETS LOOK AT FUSIBLE LINKS

HIS INFORMATION IS FROM "PRODEMAND", W/ A 4.9 A "F-350" WAS NOT AN OPTION, ONLY A F-250. NEVER THE LESS, I HAVE THIS UPPER HALF OF THE CHARGING SYSTEM DIAGRAM. (I HAVE TO SCREEN SHOT THEM, AS, "PD" IS AN ONLINE PAY REPAIR MANUAL)

FUSIBLE LINKS ARE LIKE "WIRE FUSES" WHEN BLOWN, THEY MIGHT EITHER BE BURNED IN HALF, INSULATION BUBBLY, OR IF YOU GENTLY PULL ON ONE, IT WILL STRETCH OUT LIKE A RUBBER BAND (THE WIRE IS DISINTEGRATED.)

LET ME KNOW IF THIS DIAGRAM BELOW HELPS

THE MEDIC
Mar 13, 2016 at 7:10 PM