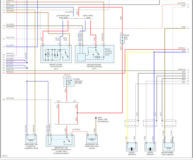
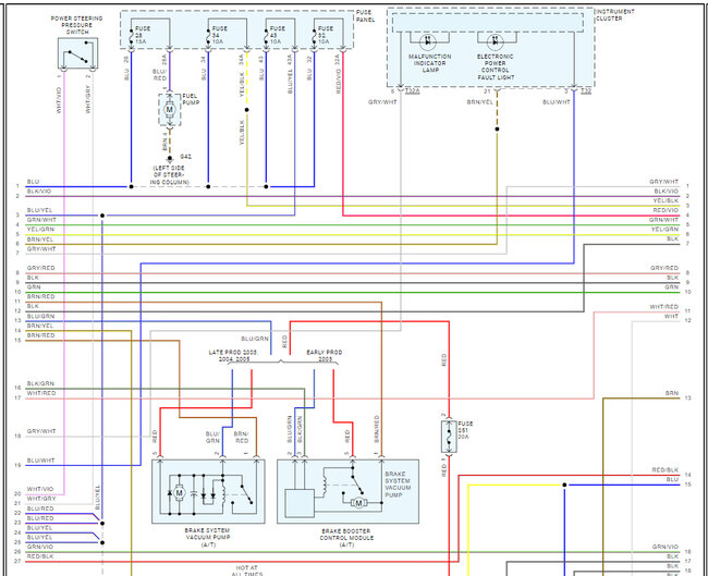
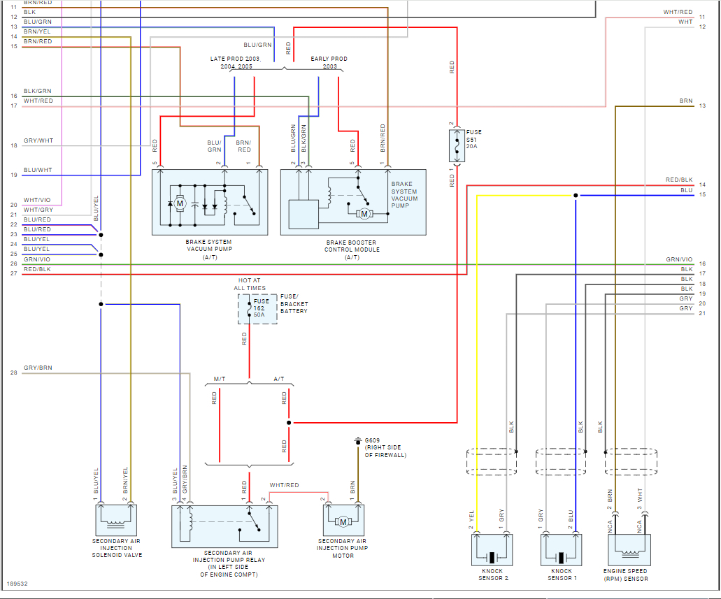
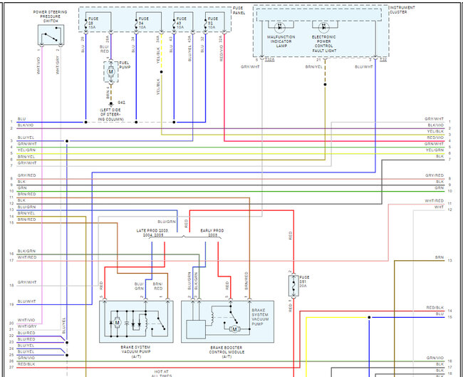
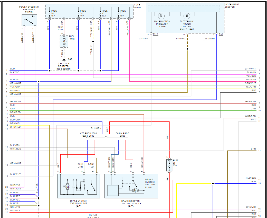
Check out the images (below). Let us know if you need anything else.
Image (Click to enlarge)
Aug 17, 2024 at 8:47 AM
ECLECTIC ECLECTIC
MEMBER
21 POSTS
If you have the wire values of each wire. Thank you.
Aug 24, 2024 at 1:14 PM
Advertisement
STRAILER
CERTIFIED EXPERT
53,854 POSTS
They don't give us those sorry, here is the complete wiring diagrams though which can help. Here is a guide that will help you test the wiring and the complete engine wiring diagrams below.