Codes P0715 and P2004

2006 FORD FUSION
108,000 MILES • 2.3L • 4 CYL • 2WD • AUTOMATIC
Avatar
TYRONEG9
  • MEMBER
  • 3 POSTS
The codes popping up are P0715 P2004. Acceleration,idling shifting. please give me more information.
May 28, 2019 at 6:43 PM
Advertisement
Avatar
STEVE W.
  • CERTIFIED EXPERT
  • 15,113 POSTS
Welcome to 2CarPros.
The first code P0715 is an Input Speed Sensor A Circuit code. This can simply be the sensor has failed or that the wiring to it has an issue. This is the code causing the shifting issues. Testing involves checking the wiring for the signal feeds and if they are both correct and undamaged you replace the sensor. The sensor is located on the firewall side of the transmission. See picture 1 below.

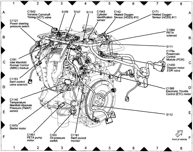
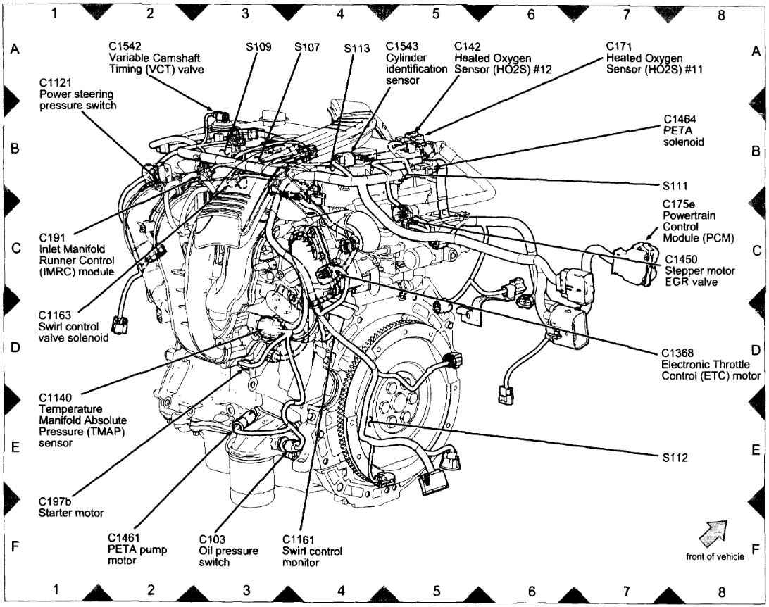
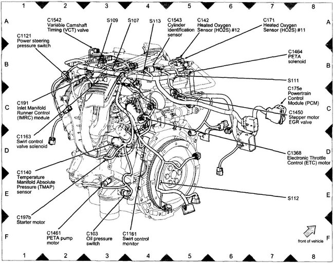
The second code P2004 is for the Intake Manifold Runner Control Stuck Open. This is the valve inside the intake manifold that moves to open/close the intake runners. In the closed position the intake runners are made shorter and that increases the torque the engine creates. Then as the rpm's hit about 2,600 a solenoid triggers and the controller opens the valve. Testing for this involves using a scan tool to trigger the runner and see if the controller operates and checking the feedback signal to see if it is correct. The various parts to the system are all on the back of the engine in the intake manifold. The are labelled as swirl control parts in the second picture. The solenoid is the only part that isn't a part of the intake manifold itself. The last time I repaired one the entire intake was the repair. That may have changed but Honda does not show replacement part numbers.
May 28, 2019 at 9:21 PM
Avatar
TYRONEG9
  • MEMBER
  • 3 POSTS
Is it okay for me to keep driving the car or should I immediately get it replaced? what price range am I looking around?
May 29, 2019 at 9:20 AM
Advertisement
Avatar
STEVE W.
  • CERTIFIED EXPERT
  • 15,113 POSTS
The transmission issue should be repaired ASAP to keep from damaging the transmission. If the problem is only the sensor on the transmission it is around $100.00 depending on where you get it.
Changing it yourself isn't really hard, basically remove one bolt, gently twist and pull the old one out. Apply a bit of trans fluid or petroleum jelly to the o-ring on the new one and push it into place. You will also need a dab of thread sealant for the bolt. Reconnect the connector and see if the code goes away.
The sensor is located under the battery tray so removing it is needed as well. For that you disconnect the negative terminal first, then the positive. Remove the hold down brace nut and bolt. Then the heat shield, then the battery. Next remove the bolt and nut that secure the tray and you should be able to lift it enough to get to the sensor. Reverse the process to put it back together.

Part number for the TSS sensor is Ford 6E5Z-7M101-A

The intake manifold issue is a bit more forgiving. It can cause the loss of power you have and should be dealt with as soon as you can. Price wise it depends on exactly what is wrong. That is why using a scan tool to control it and determine what the failure actually is should be done first. Around me that diagnostic charge usually equals 1 hour of labor. Some shops give you a break if you also have them do the repairs.
May 29, 2019 at 2:39 PM
Avatar
TYRONEG9
  • MEMBER
  • 3 POSTS
I'm assuming it's the sensor because my check engine light comes on and stays on when I turn the car off for five or six times but after the fifth or sixth start of the car the check engine light goes away. from the information I've given you what do you think it is?
May 29, 2019 at 4:14 PM
Avatar
STEVE W.
  • CERTIFIED EXPERT
  • 15,113 POSTS
It could be but unless I personally tested it I cannot say for sure. However, it would likely be the first part a shop would change. Even if they didn't actually test to be sure.
In my case I would put a scope on it and see if it was sending the proper signal or not. Then verify that same signal at the PCM. But most shops will toss the part in and hope it's the repair.
May 29, 2019 at 9:22 PM