Acceleration, vibration or “miss”

1994 LINCOLN TOWN CAR
22,222,200 MILES • 4.6L • V8 • 2WD • AUTOMATIC
Avatar
JORDAN G MYETTE
  • MEMBER
  • 2 POSTS
So the car starts awesome, even idles quite well, but if you go and step on the pedal it sputters and backfires. It does the same thing while driving unless you position the peddle in just the right spot.
When you try holding it at a specific speed (50 mph is usually the worst) it has a jerk to it almost like the transmission is slipping does this at highway speed as well but almost unnoticeable. I’ve driven it for a week like this and the transmission hasn’t quit. I’ve pressure tested the fuel on the fuel rail it read 40 psi. Changed the fuel filter. Changed spark plugs, changed ignition wires.
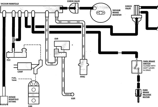
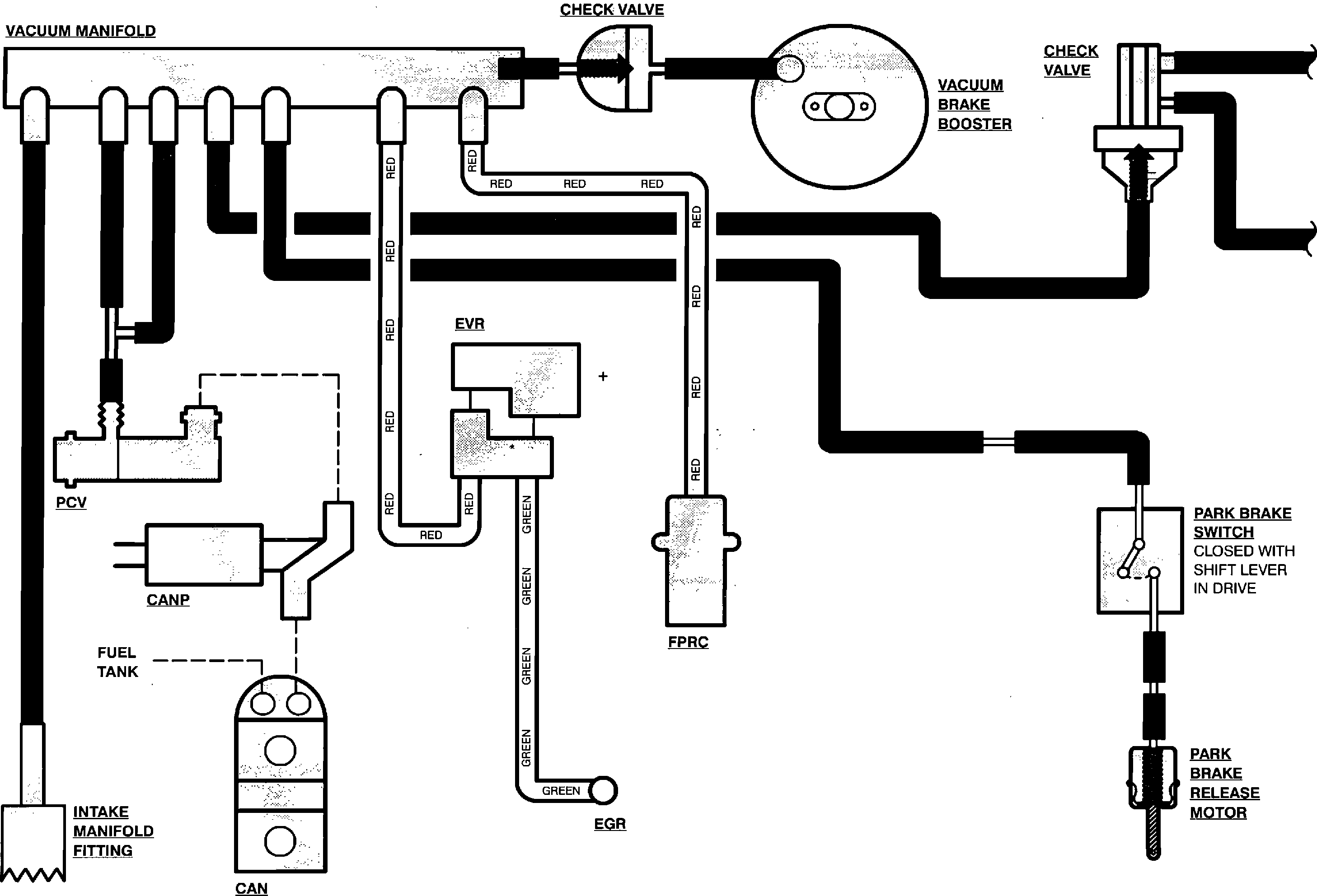
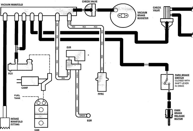
It has had this back fire, engine running poorly upon acceleration for quite a while, but this jerking thing the car does at highway speeds began after I fixed a vacuum leak that runs from a T connector on the passenger side to another port on the drivers side of the engine. It passes between the block and the intake. Next to the one connected to the fuel rail. What the heck is going on with this car?
Apr 30, 2019 at 6:56 PM
Advertisement
Avatar
STEVE W.
  • CERTIFIED EXPERT
  • 15,113 POSTS
Welcome to 2CarPros. That description sounds like a timing issue or something like a coil that is failing as it heats up.
Does it do the spitting setting still or does it have to be under load, like you can rev it in park and it does or doesn't do it? What if you put it in drive and hold the brake, is it better worse or the same? Is it the same way when you first start the engine cold, does it get better or worse as the engine warms up?
Check the ignition module plug, these have a TSB about moisture getting into the connection and causing rough idle and running poorly. Make sure the pins are clean, dry and fit properly. If in doubt some contact cleaner and plugging it in out a few times then apply some dielectric grease around the boot to give a better seal.

Another thing to check, you say it starting acting a bit different after you fixed the leak, check the hose at the fuel pressure regulator, it should be dry inside, if the regulator diaphragm is bad it can draw in fuel there and cause running issues. Not real common but it happens. Another test would be to disconnect each vacuum line and see if anything changes. The EVAP and EGR can both cause issues.

As for the transmission, if the engine isn't running correctly it can mess up the shifting in the transmission as well.
Apr 30, 2019 at 7:33 PM
Avatar
JORDAN G MYETTE
  • MEMBER
  • 2 POSTS
So I went through all that stuff and couldn’t get it to run any better. Yesterday I was getting reading to spray intake cleaner down the intake. And when I took the overhead cam off it started running better. (First thing I did was take the intake off to make sure nothing was blocking it). Put the cam back on, car nearly quits. So I thought mass air flow sensor. I took the wire off and yes corrosion. I did what you said about the dialectic grease in the ECM plug so tried it on the mass air flow. Car runs brand new. Doesn’t skip s best now. After all this I can’t believe it was the darn sensor. Thank you for your advice.
May 5, 2019 at 1:31 AM
Advertisement
Avatar
STEVE W.
  • CERTIFIED EXPERT
  • 15,113 POSTS
Great to hear you found it. Moisture and corrosion are big enemies when it comes to automotive electronics. The MAF and it's harness along with the throttle body were actually the next steps on this issue because of the corrosion issue with the seals on that engine.
You got there first. Great job on that.
You are more than welcome, please return anytime. Thank you for using 2CarPros

May 5, 2019 at 1:51 AM