Does my car have a throttle position sensor

2004 SATURN L300
250,000 MILES • 3.0L • 6 CYL • 2WD
Avatar
TERRY3
  • MEMBER
  • 4 POSTS
Does the car listed above have throttle position sensor?
Apr 23, 2020 at 3:40 AM
Advertisement
Avatar
ASEMASTER6371
  • CERTIFIED EXPERT
  • 52,796 POSTS
Good morning,

The sensor is part of the throttle body and cannot be replaced without replacing the entire throttle body.

Why are you thinking you need the sensor? Is there a code?

Roy
Apr 23, 2020 at 6:26 AM
Avatar
TERRY3
  • MEMBER
  • 4 POSTS
No codes. code reader want link. new fuel pump. filter though exhaust was plugged; took apart still no change. tune up, changed cam. sometimes rev to 4 grand then no more. butterfly open sometimes and surges for a second .
Apr 23, 2020 at 7:14 AM
Advertisement
Avatar
ASEMASTER6371
  • CERTIFIED EXPERT
  • 52,796 POSTS
Okay, did you check the actual fuel pressure?

https://www.2carpros.com/articles/how-to-check-fuel-system-pressure-and-regulator

I would start there to be sure there is enough pressure for the fuel injectors.

Roy
Apr 23, 2020 at 7:18 AM
Avatar
TERRY3
  • MEMBER
  • 4 POSTS
No car idles perfect. Butterfly isn't opening when pedal is pushed.
Apr 23, 2020 at 7:26 AM
Avatar
ASEMASTER6371
  • CERTIFIED EXPERT
  • 52,796 POSTS
Okay, how do you rev to 4 grand if the plate does not open?

If the throttle body is bad, it should code.

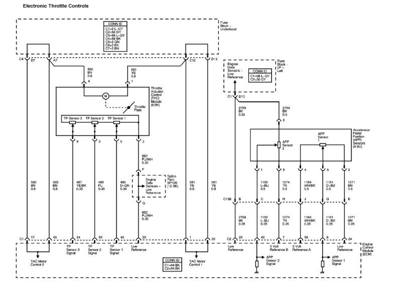
There is also a pedal sensor that controls throttle. I attached a picture of it.

https://www.2carpros.com/articles/how-to-check-wiring

You will need a real scan tool to monitor the voltages of the system to find the failure.

Roy
Apr 23, 2020 at 7:33 AM