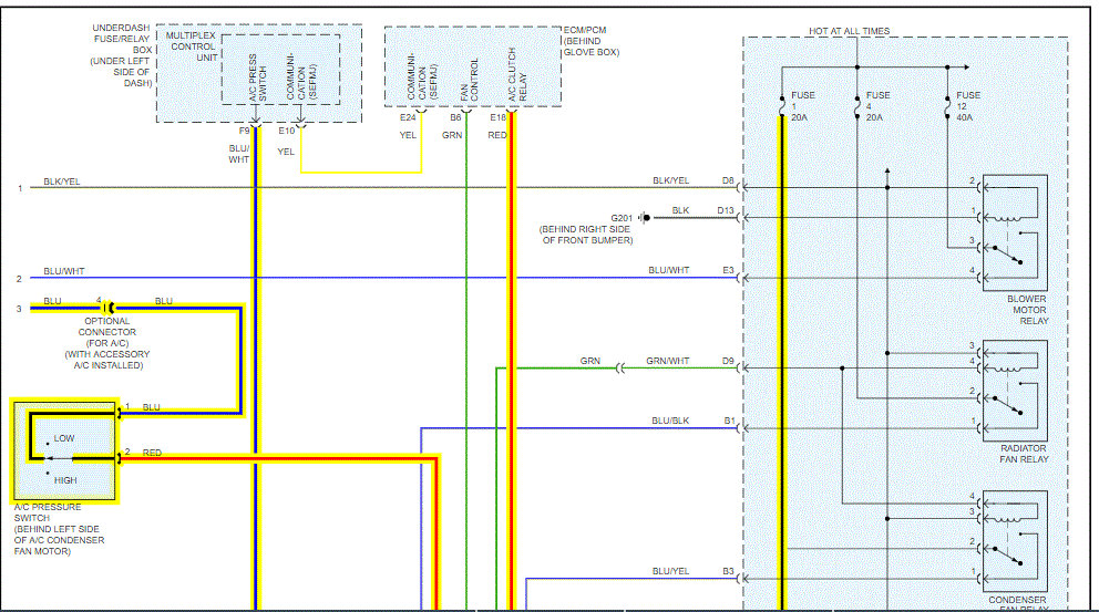
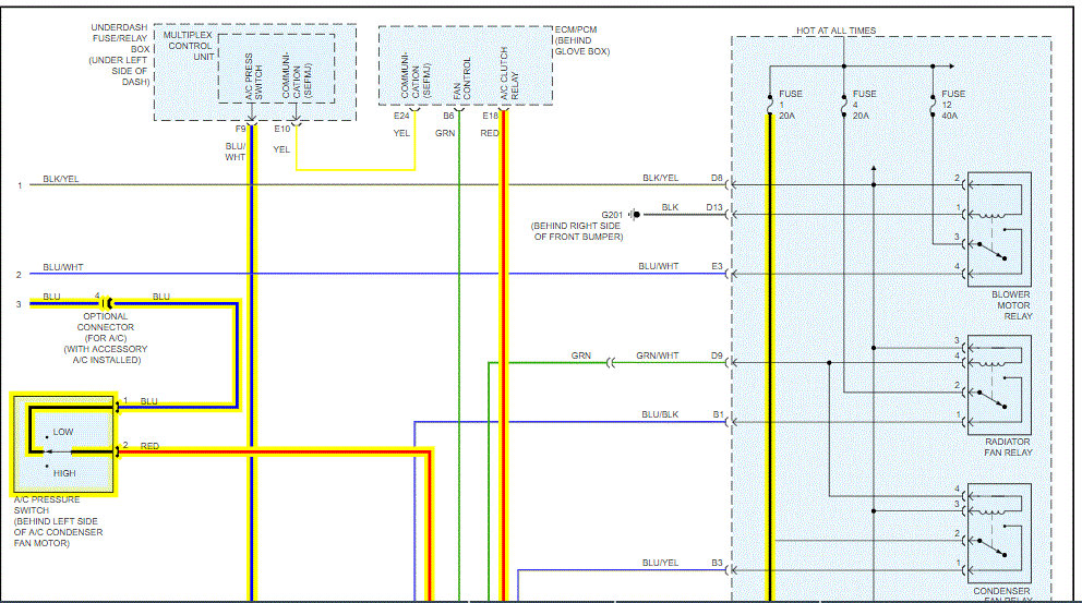
The car was sitting for a little while and the brand new battery drained, so I replaced it. After that, the A/C doesn't blow cold. The A/C button lights up when pressed, I jumped the A/C evaporator temperature sensor in the drivers lower foot well and no change. I checked/swapped around the A/C relays under the hood on the passenger side, no change. I took the car to a local mechanic and he was able to jump some wires and get the compressor to come on and blow cold air. I let the car run and get to temperature until both fans came on by themselves so I know both are working correctly.I replaced the PCM the first time (had the immobilizer settings transferred over), still no change. I took the car to a local Honda dealer and they were able to jump things and the system to blow cold too. Then they were about to take the compressor out to replace it and the A/C system worked all by itself then stopped working so they didn't pull anything apart. They said they found a short in between the PCM and the original multiplex and wanted to replace the PCM again, I told them no and brought the car home. I replaced the multiplex with a new OEM Honda part, still no A/C change. Then I bought another brand new OEM Honda PCM, I just installed it and still no change. I am completely baffled here and so is the Honda dealer. They had the car for 4 days or so and said there is a short after the 1st replacement PCM but before the original multiplex. So to sum it up, I've put two new PCM's in the car and a new multiplex and still no A/C coming on.
Jul 22, 2020 at 10:23 AM




