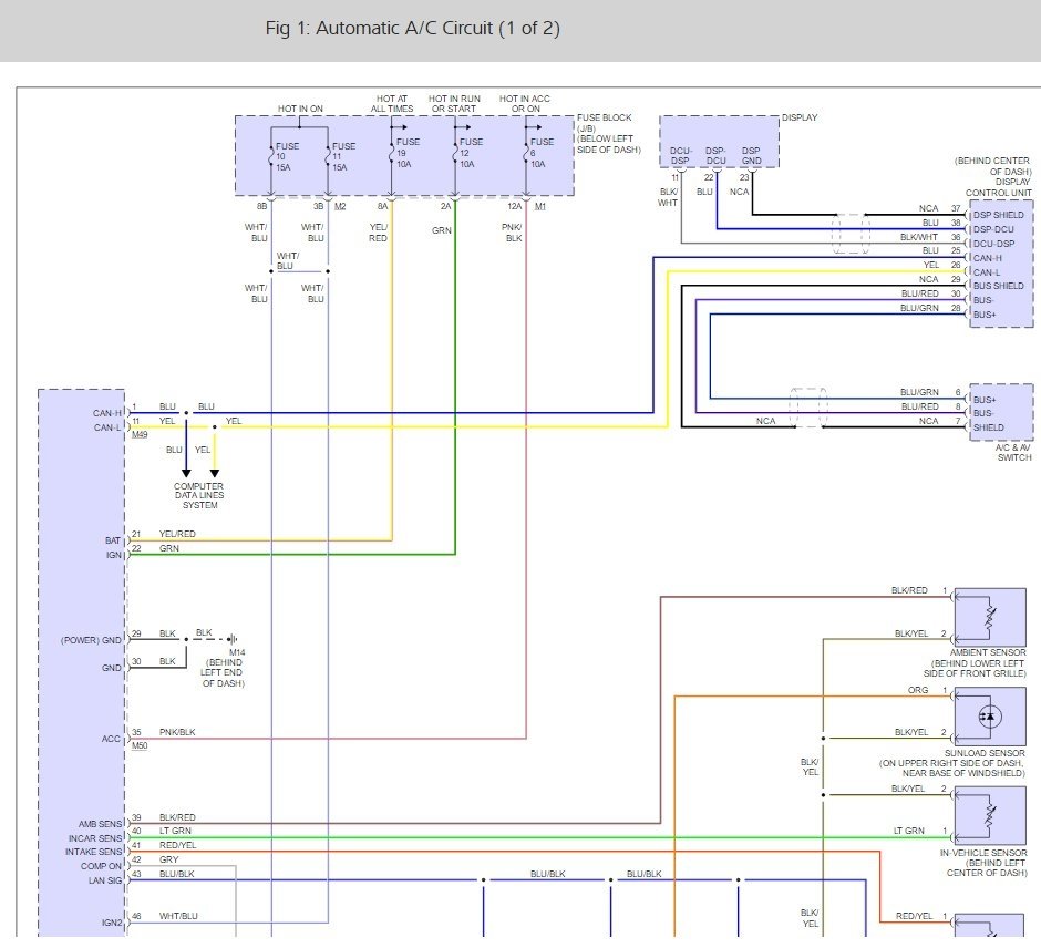
I have had my AC compressor changed three times, and the Freon is full. The fan system is working but only blows hot air. My mechanic says there is not any power going to the compressor, but is not sure if it is an issue with the internal computer or the AC relay. He also is not sure where the relay would be. Any help or advice would be welcome.
Apr 15, 2017 at 3:37 PM

