I get a code about A/C relay and the compressor wont come on

2000 DODGE RAM
174,000 MILES • 5.2L • V8 • 2WD • AUTOMATIC
Avatar
RAY RENFROW
  • MEMBER
  • 1 POST
I replaced the dash and frame which required the wiring harness to be removed. I hooked everything back. but I get a code about A/C relay and the compressor wont come on. is there another connection other then the control panel?
Jul 7, 2019 at 10:05 AM
Advertisement
Avatar
ASEMASTER6371
  • CERTIFIED EXPERT
  • 52,796 POSTS
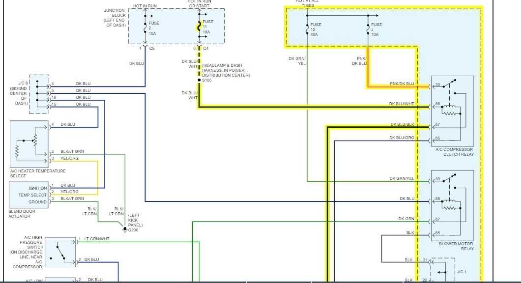
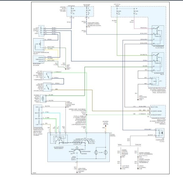
Okay, below is the description of the 645. Did you verify powers to the AC clutch relay?

SYMPTOM
P0645 - A/C CLUTCH RELAY CIRCUIT

WHEN MONITORED
With the ignition key in the RUN position and battery voltage above 10.4 volts.

SET CONDITION
An open or shorted condition is detected in the A/C clutch relay control circuit.

POSSIBLE CAUSES
- A/C clutch relay
- A/C clutch relay circuit wiring harness intermittent defect
- A/C clutch relay circuit wiring harness observable defect
- A/C clutch relay control circuit shorted to ground
- A/C clutch relay control circuit open
- Fused ignition switch output circuit open
- Fused ignition switch output circuit high resistance
- Powertrain Control Module

443

This is an evap purge valve issue. Verify power to the purge valve.

SYMPTOM
P0443 - EVAP PURGE SOLENOID CIRCUIT

WHEN MONITORED
At ignition key ON and battery voltage greater than 10.4 volts (during initialization or power-up).

SET CONDITION
After arming conditions are satisfied: not powering down, not already in limp-in, time since last solenoid activation > 72 micro seconds. PCM will set a trouble code if the actual state of the solenoid does not match the intended state, on two consecutive key cycles.

POSSIBLE CAUSES
- Fused ignition switch output circuit open
- Evaporative purge solenoid
- EVAP purge solenoid circuit wiring harness & connector intermittent defect
- EVAP purge solenoid circuit wiring harness & connector observable defect
- EVAP purge solenoid control circuit shorted to ground
- Evaporative purge solenoid control circuit open
- Powertrain Control Module
Apr 23, 2021 at 11:45 AM