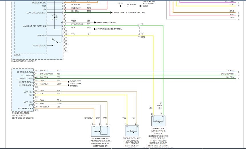
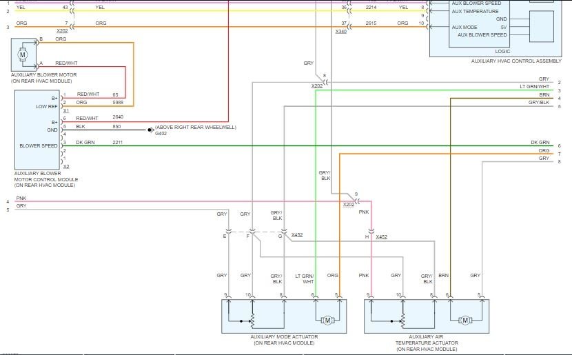
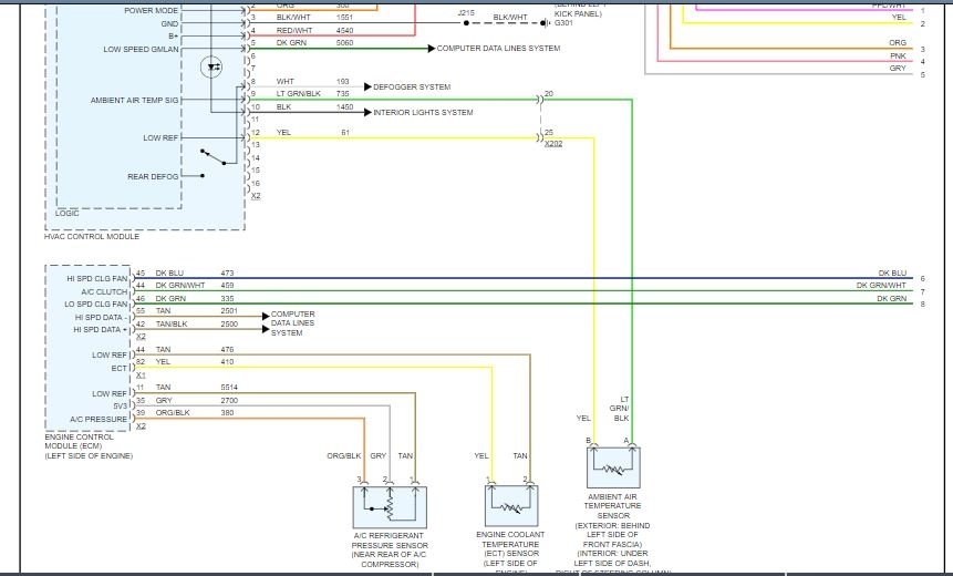
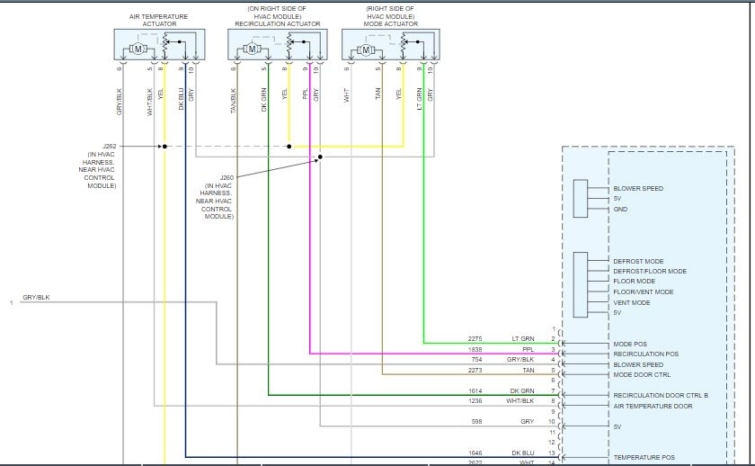
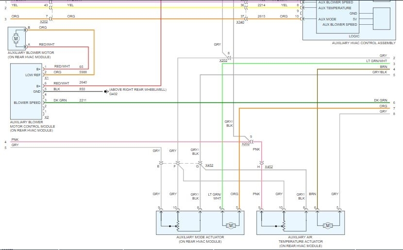
When I push the button to turn on front AC the light that should come on blinks three times and goes off. The heat still comes out of vents AC will not turn on. AC works in the back controls.
Jan 26, 2018 at 2:49 PM









