A/C only blowing through the defrost

2007 FORD CROWN VICTORIA
140,000 MILES • V8 • 2WD • AUTOMATIC
Avatar
ANGIEDOOLEY
  • MEMBER
  • 1 POST
Nothing ever blows through vents.
Jun 13, 2021 at 8:22 AM
Advertisement
Avatar
JACOBANDNICKOLAS
  • CERTIFIED EXPERT
  • 110,175 POSTS
Hi,

The components which change the airflow direction are called mode door actuators. Oftentimes, they are electrical. However, on this vehicle, they are actuated by engine vacuum. I attached a pic of one below for you to see what they look like.

What I need you to do is this. First, with the engine running listen to see if you hear any hissing sounds which could indicate a leak. Switch between defrost and floor and panel to see if there is any noise.

The reason I want you to do it this way is because these actuators are very difficult to access on this vehicle. Also, there are two different actuators involved. One controls the defrost to the floor, and there is a separate one for the vents. I don't think both would be bad. Instead, I have a feeling there is a leak or no vacuum getting to the unit.

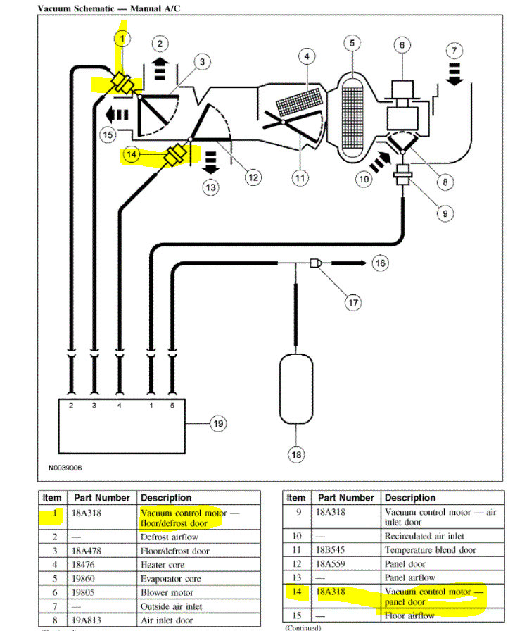
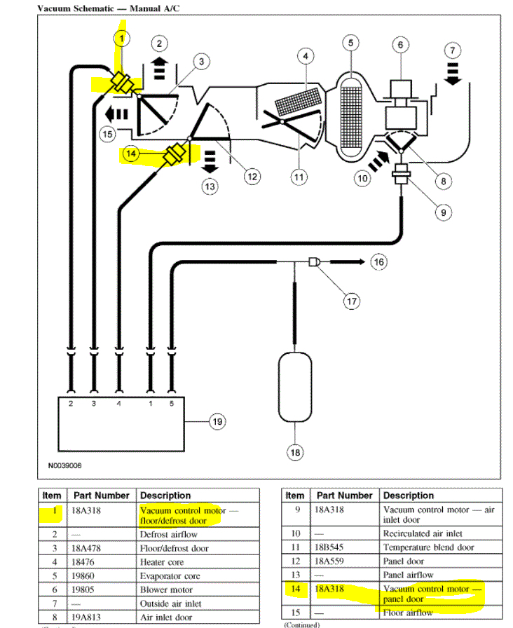
If you look at pic 2, it shows the vacuum schematic for your vehicle's HVAC unit. Number 16 is the hose that runs to the engine intake manifold and supplies vacuum to the system. The two highlighted components are the actuators I'm referring to.

The hose to the engine runs through the firewall and could be broken as well.

Let me know if you hear anything first and we'll go from there. Also, here is a link you may find helpful. It discusses how to find engine vacuum leaks. This procedure is really for under the hood, so in the event we find there is no vacuum to the system, it will help.

https://www.2carpros.com/articles/how-to-use-an-engine-vacuum-gauge

Take care and let me know what you find.

Joe

See pics below.
Jun 13, 2021 at 9:17 PM