☰
Login
Join
×
Home
Answered Questions
Repair Topics
Repair & Service Guides
Popular Questions
Warning Lights
Trouble Codes
How It Works
Testing / Diagnostics
Symptoms
Videos
Login
Become a Member
Home
Jeep
Grand Cherokee
Climate Control
Air Conditioner
Not Working
AC not working properly
2002 JEEP GRAND CHEROKEE
208,000 MILES • 4.7L • V8 • 4WD • AUTOMATIC
PARIS JAMES
MEMBER
1 POST
FOLLOW
AC switch does not light up and clutch not spinning. Also, AC does not blow cold air.
Jul 3, 2018 at 11:47 PM
Advertisement
ASEMASTER6371
CERTIFIED EXPERT
52,796 POSTS
Good morning.
Did you check the fuses for power on both sides with a test light?
If you have a test light we can do some checks to se if it has the correct power to start the compressor.
Also, do you know if it has Freon in the system?
Roy
https://www.2carpros.com/articles/car-air-conditioner-not-working-or-is-weak
https://www.2carpros.com/articles/how-a-car-fuse-works
https://www.2carpros.com/articles/how-to-use-a-test-light-circuit-tester
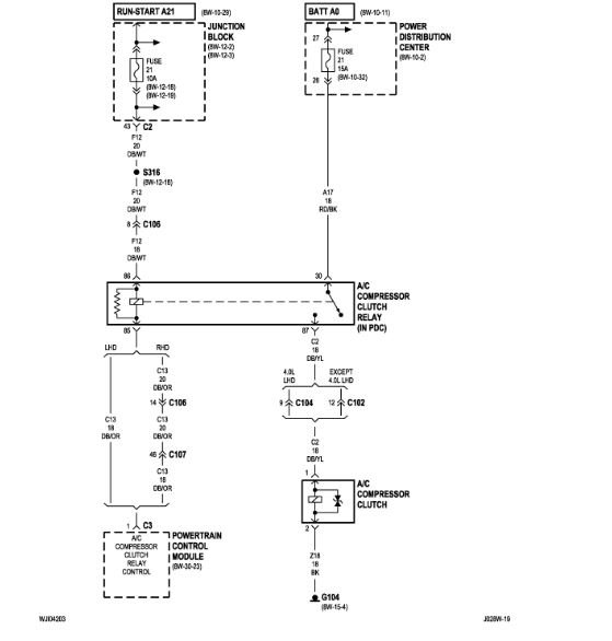
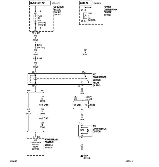
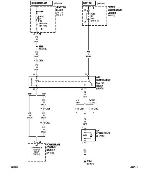
Image (Click to enlarge)
Jul 4, 2018 at 5:10 AM