Fuse blows when the A/C is turned on

2008 CHEVROLET UPLANDER
100,000 MILES • 4.3L • 6 CYL • 2WD • AUTOMATIC
Avatar
ITADEBBIE
  • MEMBER
  • 1 POST
And it blows hot air.
May 7, 2022 at 2:03 PM
Advertisement
Avatar
JACOBANDNICKOLAS
  • CERTIFIED EXPERT
  • 110,175 POSTS
Hi,

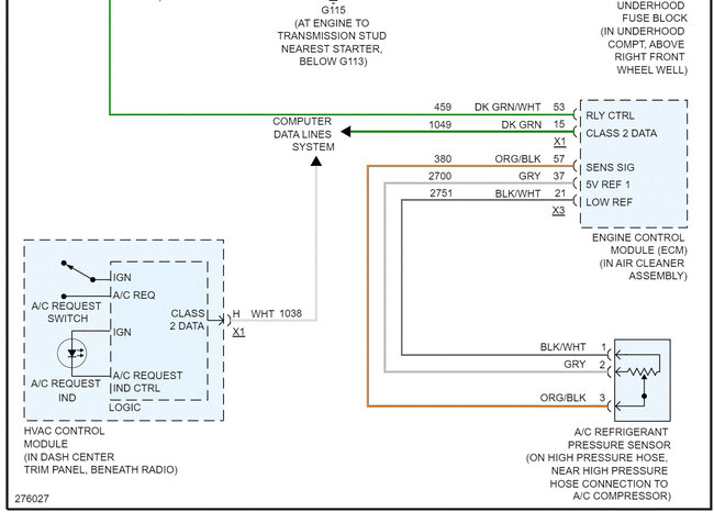
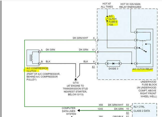
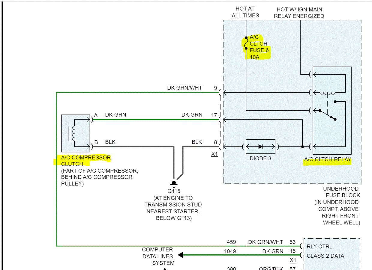
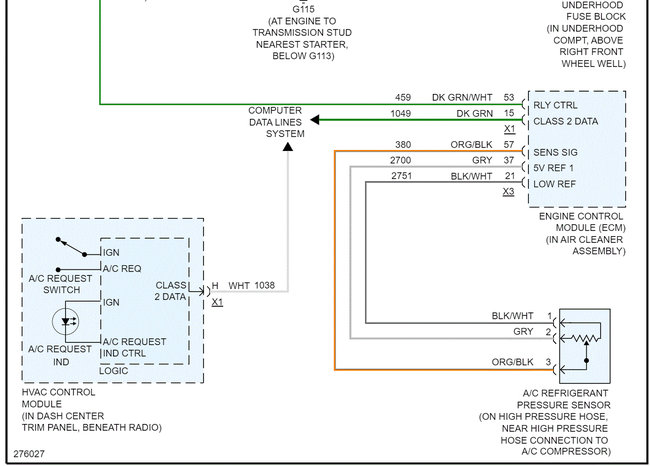
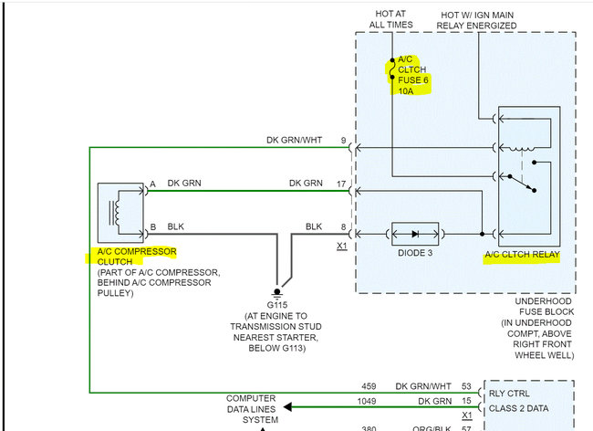
Is it the 10 amp (fuse 6) in the under-hood fuse box? If so, that is what powers the compressor clutch, via the compressor relay.

If it fails when you turn the A/C on, there is likely either a short between the relay and compressor clutch or the AC clutch is bad. Also, this fuse will prevent the A/C compressor from being engaged, so you won't get cool air in the vehicle.

I attached the wiring schematic below, so you have a reference. What I need you to do is this. Remove the relay and switch it with a different one having the same part number to see if that prevents the fuse failure. If there isn't one, here is a link that explains how to test one:

https://www.2carpros.com/articles/how-to-check-an-electrical-relay-and-wiring-control-circuit

If it does, move to the compressor clutch and disconnect it. Replace the fuse and relay and see if the fuse fails. If it does, there is a short between the two items. Inspect the wiring for damage and the connector at the clutch for concerns.

If it doesn't, check the connector at the clutch for damage or indications of it shorting. If there is no issue found, suspect the clutch is bad.

Let me know what you find or if you have other questions.

Take care,

Joe

See pics below.
May 7, 2022 at 10:52 PM