A/C trouble

2005 CHEVROLET TAHOE
148,000 MILES • 5.3L • V8 • 4WD • AUTOMATIC
Avatar
HOWARD7
  • MEMBER
  • 1 POST
A/C blows mildly cool in front heater blows okay, rear A/C blows good cold air. low pressure line is cold output line is slightly cool. replaced very bottom actuator but no change. there are two others i believe one on top and other re circulation maybe i am wrong. could it be A/C evaporator or actuator trouble?
Jun 3, 2019 at 9:15 PM
Advertisement
Avatar
ASEMASTER6371
  • CERTIFIED EXPERT
  • 52,796 POSTS
Good morning,

Can you give me the high and low side readings of the system with the engine running?

Below is the procedure and a picture of the actuator.

Roy

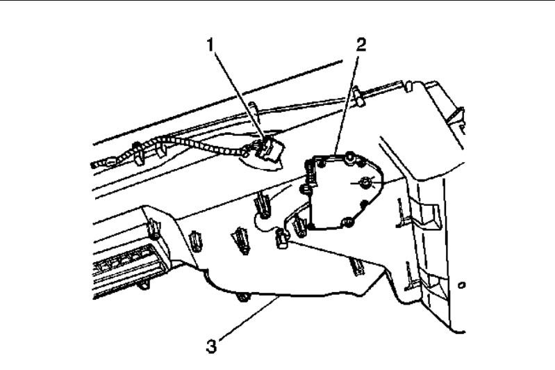
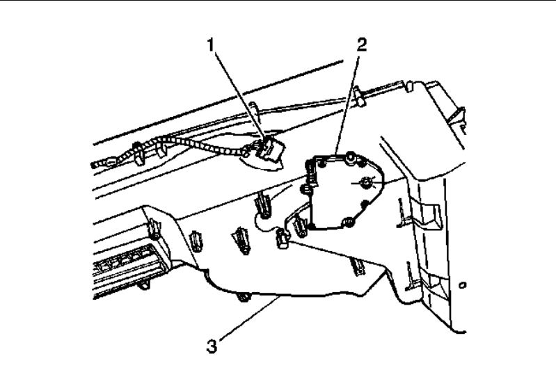
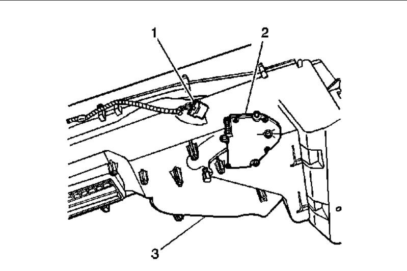
REMOVAL PROCEDURE
1. Remove the I/P insulator panel.


imageOpen In New TabZoom/Print

2. Disconnect the electrical connector (1) from the left air temperature actuator (2).
3. Remove the screws from the left air temperature actuator (2).
4. Remove the left air temperature actuator (2) from the HVAC module assembly (3).
Jun 4, 2019 at 3:16 AM
Avatar
HOWARD7
  • MEMBER
  • 1 POST
Low side 35 high side 190. Replaced accumulator, orifice tube and low pressure port. vacuumed system no leaks. Also have clicking behind radio when key is turned on for a few seconds. don’t know if that information would help.
Jun 4, 2019 at 11:39 AM
Advertisement