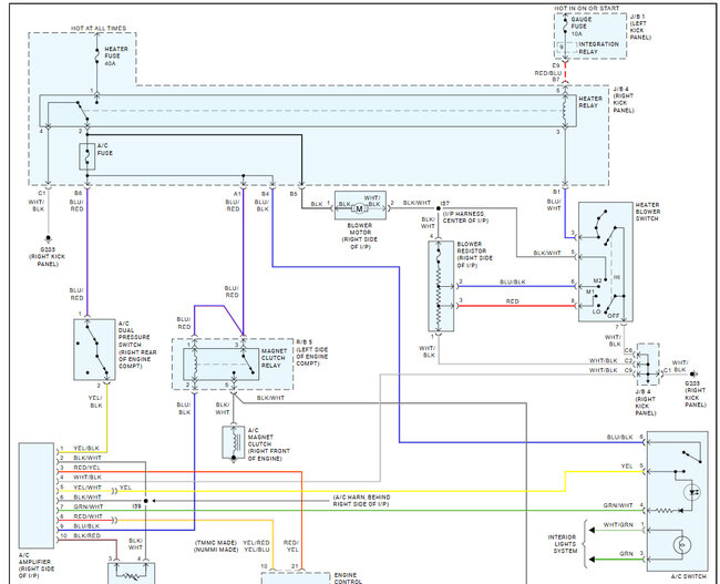
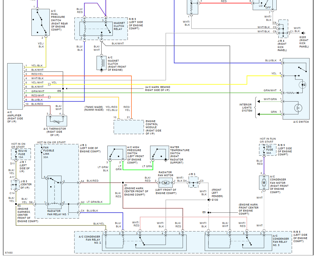
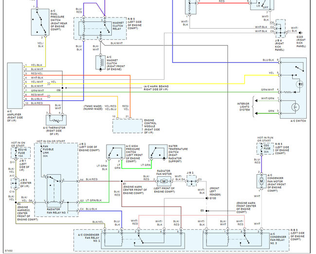
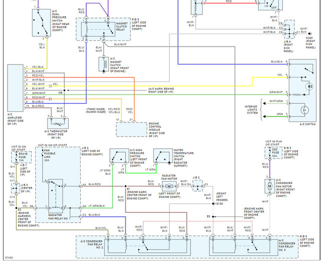
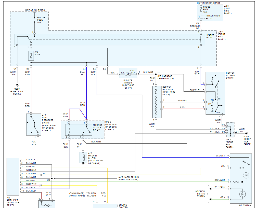
So I notice whenever I turn on the A/C fan it's not just the fan alone turn on the A/C compressor turn on as well and the A/C button seems to have no use. Also, the engine is stalling because the A/C compressor is taking all power because the engine is not rising the RPM to run it.
Nov 20, 2024 at 8:53 AM



