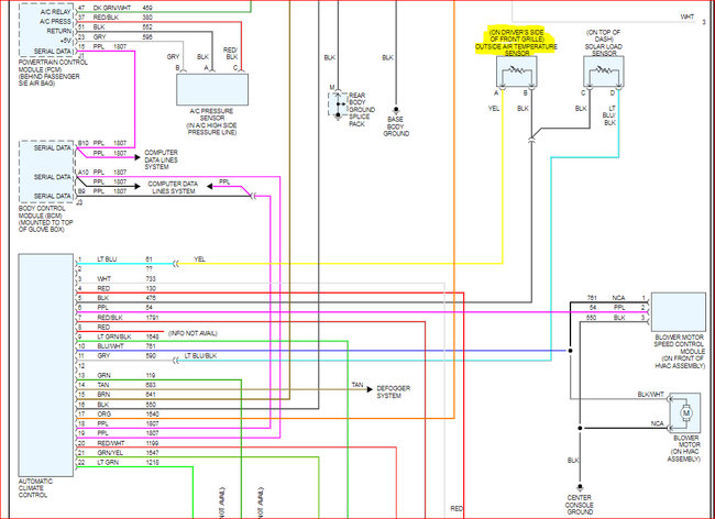
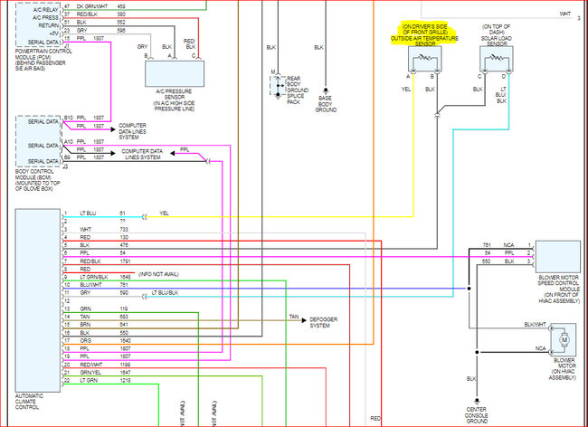
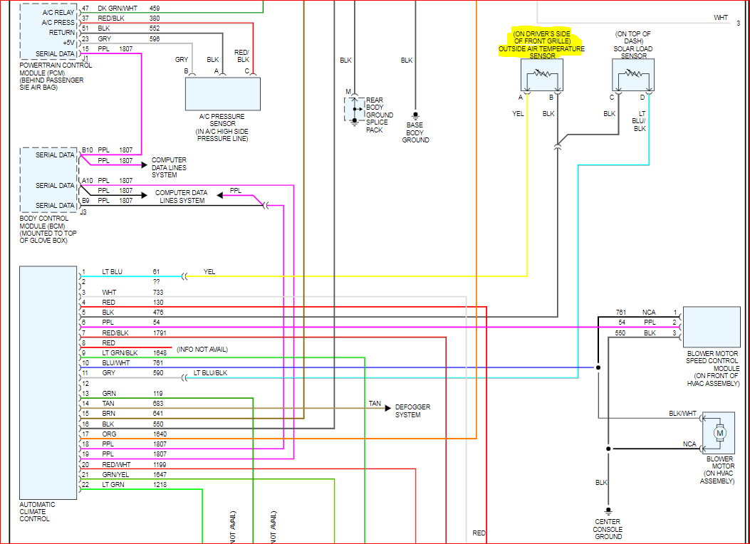
A/C sensors location

2003 SATURN L200
209,000 MILES • 2.2L • 4 CYL • 2WD • AUTOMATIC
Avatar
BILLYPERKINS72
  • MEMBER
  • 2 POSTS
The A/C is not working, I think it's the climate control sensor for exterior. The digital readout says OC the blowers are working and when I get something different on screen it is negative 40 so blows hot air. I need an illustration of where sensor is located.
Apr 9, 2019 at 9:58 AM
Advertisement
Avatar
JACOBANDNICKOLAS
  • CERTIFIED EXPERT
  • 110,175 POSTS
Welcome to 2CarPros.

I'm not sure which sensor you are looking for. Can you tell me if this is an automatic climate control?

Since this type of issue can be related to a few different things, I honestly recommend having the computer scanned for diagnostic trouble codes. They are not going to be the traditional P type codes, but rather a B code. It will require a better scanner than the ones offered at parts stores. Without scanning it, we could be replacing expensive parts unnecessarily.

Let me know.

Joe
Apr 10, 2019 at 5:02 PM
Avatar
KASEKENNY
  • CERTIFIED EXPERT
  • 18,907 POSTS
Hi Billy,

If you have one of your temp sensors reading -40 degrees then you are correct that this is why your HVAC blows hot. However, I want to make sure I understand where you are seeing this -40. Are you seeing this on your vehicle display where it shows you what the outside temperature is? If this is the case then this information comes from the ambient temperature sensor.

From what I am seeing on your vehicle the ambient air temperature sensor is located in the grille on the driver's side. Please see the attached documents.
Apr 10, 2019 at 5:16 PM
Advertisement
Avatar
BILLYPERKINS72
  • MEMBER
  • 2 POSTS
Hey thanks. I hit a deer a while back my wire for sensor was just hanging down under the car but the actual sensor was gone and there's not a place on my grill that looks like it's been broke. with this diagram I should be able to figure it out again. thanks
Apr 10, 2019 at 5:57 PM
Avatar
KASEKENNY
  • CERTIFIED EXPERT
  • 18,907 POSTS
Glad to help. Let us know if you need anything else.
Apr 10, 2019 at 7:23 PM