A/C relay/fuse no power?

2008 CHEVROLET SILVERADO
215,000 MILES • 4.8L • V8 • 4WD • AUTOMATIC
Avatar
LAP4768
  • MEMBER
  • 5 POSTS
Hello, have the truck listed above 1500 and have no power to A/C fuse or relay under hood, no power from ignition switch as well to pin 86 I believe (upper left of relay). don't know where to begin?
May 25, 2023 at 8:58 PM
Advertisement
Avatar
BORIS K
  • CERTIFIED EXPERT
  • 836 POSTS
Hello,

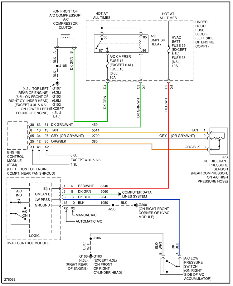
The A/C compressor relay is supplied directly from the under-hood fuse block with constant 12V on terminals 85+30

See image below

Terminal 86 is a switched ground from the ECM on dark green/white wire
Terminal 87 is 12V out to fuse

Suggest checking connections at under-hood fuse block for possible corrosion.

How to test a relay:
https://www.2carpros.com/articles/how-to-check-an-electrical-relay-and-wiring-control-circuit

Cheers, Boris

May 26, 2023 at 3:26 AM
Avatar
LAP4768
  • MEMBER
  • 5 POSTS
Will check out later this afternoon.

Thanks
May 26, 2023 at 12:30 PM
Advertisement
Avatar
LAP4768
  • MEMBER
  • 5 POSTS
They all appeared in pretty good condition, but I remover board from under hood fuse panel and sprayed it with contact/electrical cleaner and blew dry with air hose, then re assembled back together, no change?
May 28, 2023 at 1:53 PM
Avatar
JACOBANDNICKOLAS
  • CERTIFIED EXPERT
  • 110,175 POSTS
Hi,

I noticed we haven't been in contact with you for a few days. Have you been able to make any progress? We are interested in knowing.

Let me know.

Joe
May 31, 2023 at 6:47 PM
Avatar
LAP4768
  • MEMBER
  • 5 POSTS
Negative, been riding my bike, due to no ac. Looking to take it to a shop that is reasonable in price and turnaround time, could be a fault code possible turning it off, did have a code for airbag issue in past and had a recall from gm that dealership done not long ago, but they also said that had nothing to do with why airbag light was on? Nor why it was on, but they could hook it to diagnostic scanner for $250.00 and see what it comes to with. Idk strange no power from ignition on to relay or to ac fuse? Could the ECM turn power off to those circuits?
Jun 1, 2023 at 9:35 PM
Avatar
BORIS K
  • CERTIFIED EXPERT
  • 836 POSTS
Hello,

As previously indicated, the ECM only supplies switched ground to terminal 86 at the AC relay.
Terminals 30 and 85 have constant 12V supplied internally by the engine fuse block.
The ECM has no means to switch off this 12V supply.
The AC fuse will only get 12V supply once the relay has been switched on.

How a relay works:
https://youtu.be/T1o29KTVbTE

Cheers, Boris
Jun 2, 2023 at 4:06 AM
Avatar
LAP4768
  • MEMBER
  • 5 POSTS
Found I have to fault codes UO140, lost communication with body control module, and U0121, lost communication with anti lock control, something similar happened to my 06 GMC Sierra, had lost communication with body control module, and at that time mainly the issue was couldn't roll up windows, in bad rain storm, and steering wheel radio control lost connection with device, ,and I believe that's when ac quit working on it. The dealership kept my truck 3 days and then charged $950.00 labor and no parts were used. Total scam I believe. And currently still no ac on the 06 GMC haven't really trouble shot it , but seems to be a controler issue. But need to check itd relay and fuse. Says s dead battery can cause BCM issues. IDK
Jun 3, 2023 at 4:08 AM
Avatar
BORIS K
  • CERTIFIED EXPERT
  • 836 POSTS
Hello,

In general, communication fault codes(U-codes) can be caused by low voltage situations.
U-codes will be set as history not current. Erase codes and see what comes back after you have checked below

I would suggest checking the 12V battery state of charge, checking battery connections and giving the main ground points a general check over and clean. check the alternator charging rate.

https://www.2carpros.com/articles/everything-goes-dead-when-engine-is-cranked
and
https://www.2carpros.com/articles/how-to-check-a-car-alternator
and
https://www.2carpros.com/articles/symptoms-of-a-bad-car-battery

Have you checked the refrigerant charging level of the AC system? Low refrigerant pressure can cause the AC relay not to be activated.
Suggest to check live data in the ECM for AC pressure switch and live data in AC control module (HVAC). The ECM and HVAC module rely on plausible inputs of both switches to allow the ECM to switch a ground to the AC compressor relay to allow the AC compressor clutch to switch on. See image below.

How to check AC pressure switch:
https://youtu.be/kjLCeiupfD8

https://www.2carpros.com/articles/car-air-conditioner-not-working-or-is-weak
and
https://www.2carpros.com/articles/how-a-car-air-conditioner-works

Cheers, Boris

Jun 5, 2023 at 2:00 AM