Where is the A/C relay on the vehicle listed above, Sport model with a 2.5L?
Jun 29, 2022 at 4:01 PM
Advertisement
JACOBANDNICKOLAS
CERTIFIED EXPERT
110,175 POSTS
Hi,
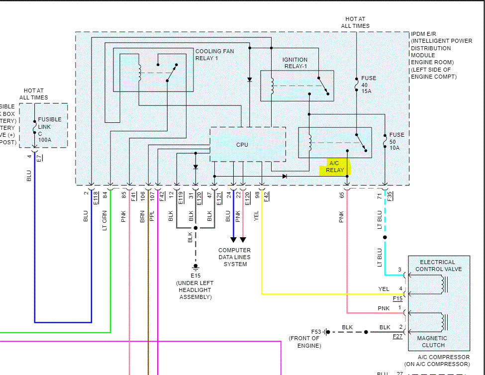
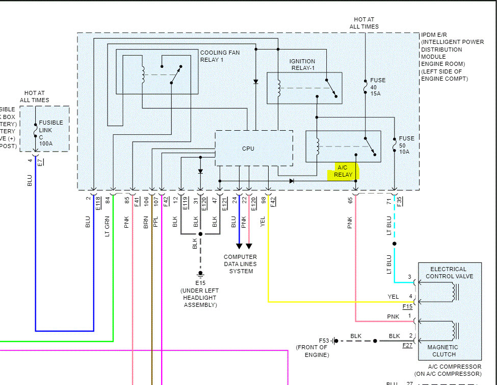
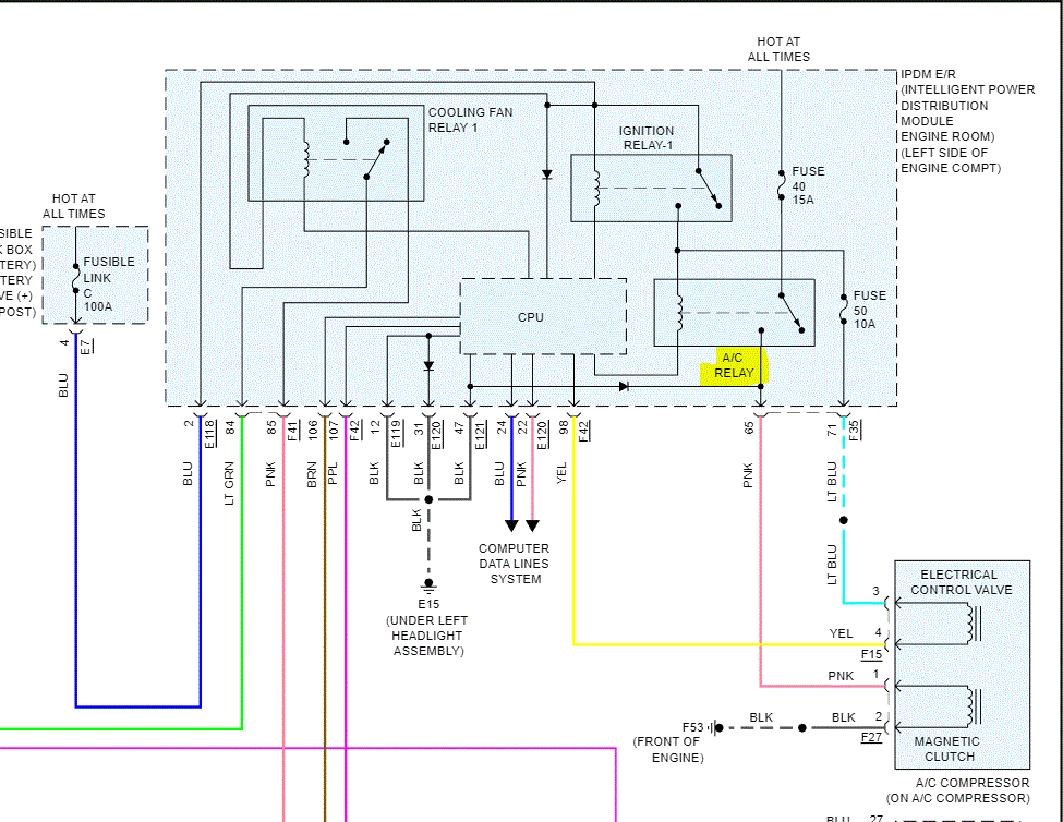
The A/C compressor relay is in the IPDM (intelligent power distribution module) under the hood. Here is the issue. You won't see it. It is an integral component within the module.
I attached a portion of the schematic for you to see.
Let me know if this helps or if you have other questions.