Where is the A/C compressor relay located?

1997 MERCURY COUGAR
165 MILES
Avatar
JFELAN71GMAIL.COM
  • MEMBER
  • 1 POST
I can't find the A/C compressor relay.
Feb 3, 2025 at 4:38 PM
Advertisement
Avatar
STEVE W.
  • CERTIFIED EXPERT
  • 15,113 POSTS
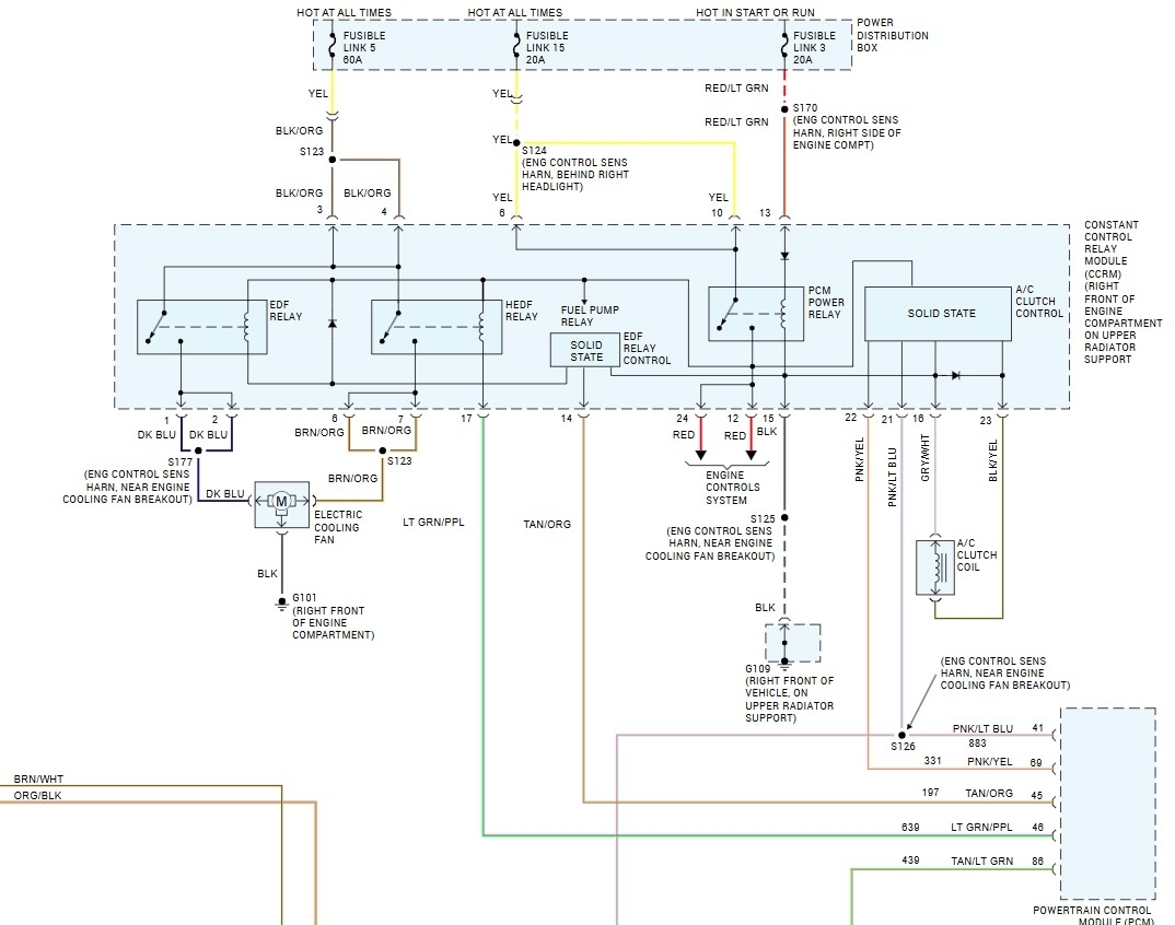
Your car doesn't use a relay. It uses a solid-state controller module that also controls the A/C clutch, the cooling fans and other devices. I take it the clutch isn't engaging? That can be tested if you put a test light leads in place of the two wires on the clutch connector. Then turn the A/C on max and see if the light turns on.
Feb 3, 2025 at 7:25 PM