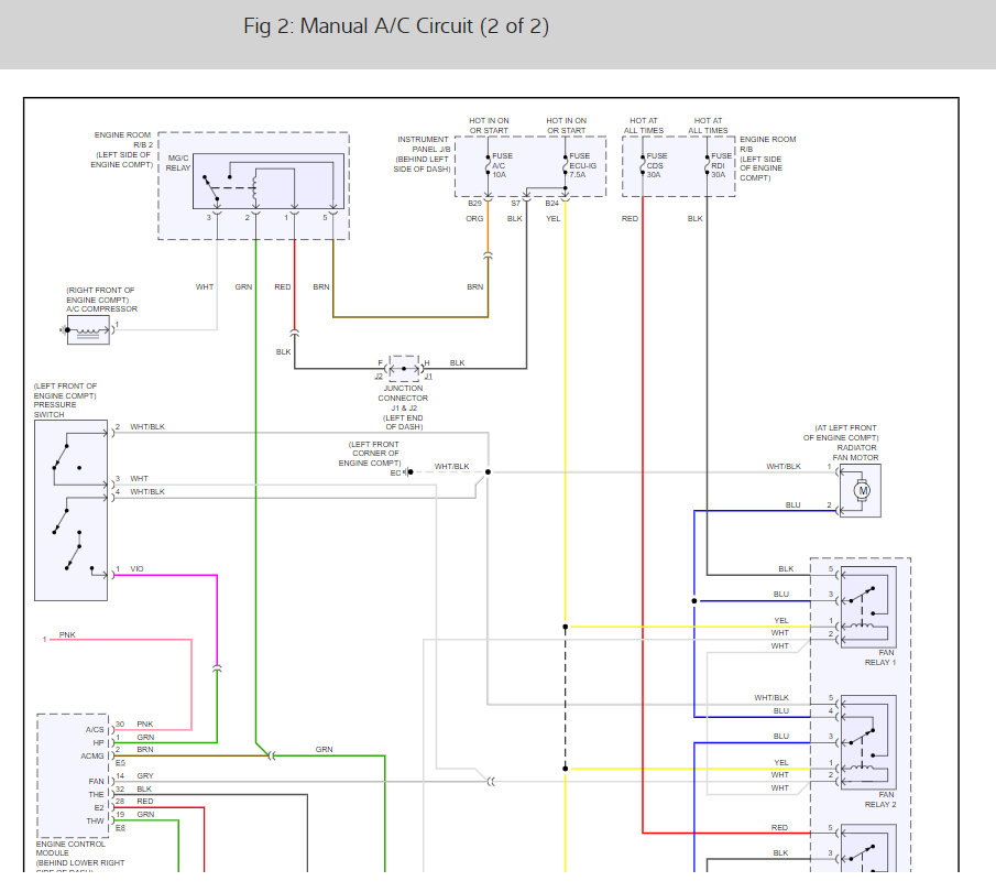
so I thought it needed to be charged. Then I realized it was because the A/C clutch wasn't engaging. I got it to engage, checked to see if it needed Freon but it read that it didn't. After I turned A/C off I could never get it to engage again. I checked everything troubleshooting says and nothing. Now it just depends on it's mood I'll try and it will engage . Runs great for 15 minutes and turns off and won't kick back on no matter how many times I try. So maybe it will turn on in four days and then it just repeats. Help!
Jul 30, 2019 at 6:14 PM



