A/C problem, compressor is not engaging or getting power

2002 SATURN L200
177,000 MILES • 4 CYL • AUTOMATIC
Avatar
STERLINGBSTRAIN
  • MEMBER
  • 6 POSTS
Blower was going in and out . I'd turn car on and need to open front hood and slam shut for it to come on, only sometimes. Began blowing low off and on while driving but still was cold. When I'd turn left it would blow hard, normal. Then back to low when straightened out. We used voltage meter to check relays and and such. Now the compressor is not engaging or getting power at all. But blower still works bad as before only hot air. Do I have electric problem?
Jun 23, 2019 at 8:48 PM
Advertisement
Avatar
ASEMASTER6371
  • CERTIFIED EXPERT
  • 52,796 POSTS
Good afternoon,

Yes, you do.

I suspect the blower motor or the connector is the issue with the blower motor.

As far as the A/C, do you have any gauges to tell me the pressures? I need to see them to see if there is Freon in the system.

Roy

1. Turn ignition On and select outside air on control head.
2. Disconnect negative battery cable.


imageOpen In New TabZoom/Print

3. Open engine hood and remove wiper arm assemblies.

CAUTION: A SHARP EDGE IS REVEALED ONCE THE WEATHERSTRIP IS REMOVED.


imageOpen In New TabZoom/Print

4. Remove weatherstrip at rear of engine compartment.


imageOpen In New TabZoom/Print

5. Remove cowl retaining nuts and remove cowl screen assembly.


imageOpen In New TabZoom/Print

6. Rotate locking tabs outward to release filter assembly.
7. Remove filter by lifting straight up.


imageOpen In New TabZoom/Print

8. Remove wiper module retaining bolts and slide wiper module to right.


imageOpen In New TabZoom/Print

9. Remove filter housing attachment bolts and remove filter housing.


imageOpen In New TabZoom/Print

10. Remove blower motor housing screws, release locking tabs and remove fan housing.
11. Disconnect blower motor electrical connector by squeezing bottom of connector and pulling downward.
12. Remove blower motor assembly by lifting straight out.
Jun 24, 2019 at 1:46 PM
Avatar
STERLINGBSTRAIN
  • MEMBER
  • 6 POSTS
Thanks for your response. Reads 130 without compressor running.
Jun 25, 2019 at 12:24 AM
Advertisement
Avatar
ASEMASTER6371
  • CERTIFIED EXPERT
  • 52,796 POSTS
What is the outside temperature?

is that both the high and low side pressure?

Roy
Jun 25, 2019 at 2:38 AM
Avatar
STERLINGBSTRAIN
  • MEMBER
  • 6 POSTS
That was pressure on both sides. Compressor not engaged. Temperature outside was 101 degrees.
Jun 25, 2019 at 9:59 PM
Avatar
STERLINGBSTRAIN
  • MEMBER
  • 6 POSTS
130 on each side.
Jun 25, 2019 at 10:00 PM
Avatar
ASEMASTER6371
  • CERTIFIED EXPERT
  • 52,796 POSTS
That's not too bad. It is close to ambient temperature.

when the compressor comes on, what are the pressure readings?

Roy

Jun 26, 2019 at 1:53 AM
Avatar
STERLINGBSTRAIN
  • MEMBER
  • 6 POSTS
The compressor will not engage at all. That is my problem.
Jun 26, 2019 at 1:22 PM
Avatar
ASEMASTER6371
  • CERTIFIED EXPERT
  • 52,796 POSTS
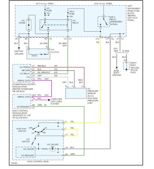
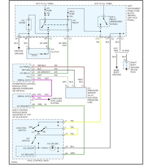
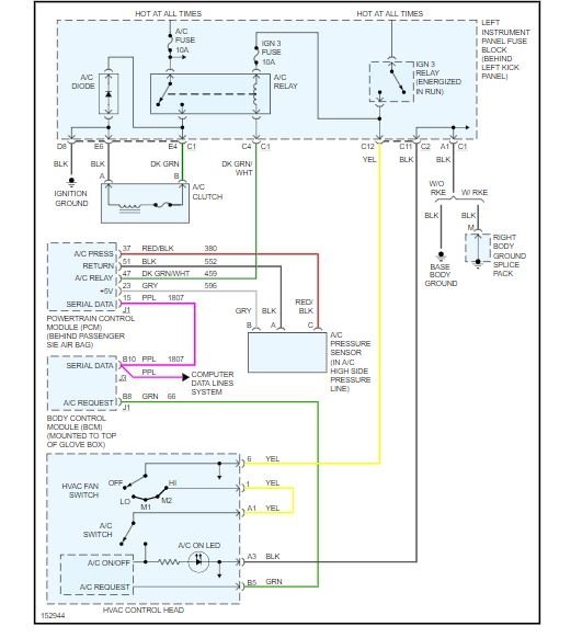
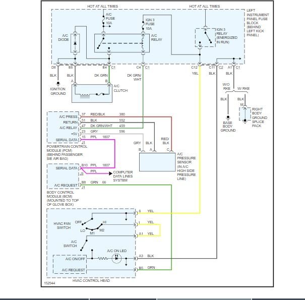
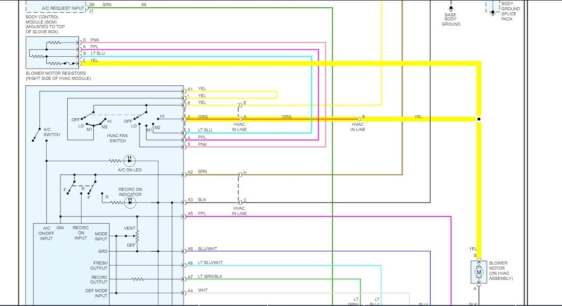
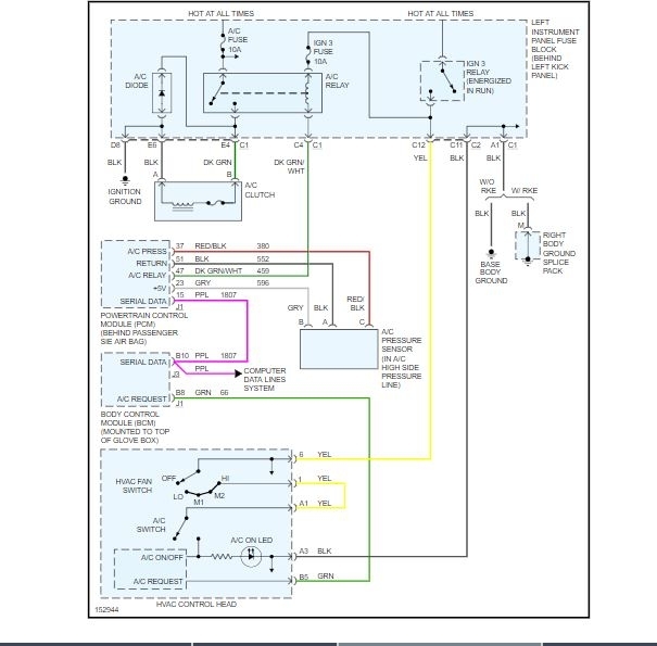
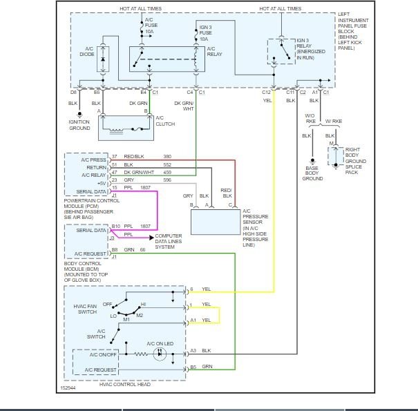
OK, I attached a wiring diagram for you to view. Test the 2 fuses I circled for power on both sides. Let's make sure power is available for the AC to work.

Roy

Jun 26, 2019 at 1:31 PM