ac pressure sensor

2002 PONTIAC FIREBIRD
87,000 MILES • 3.8L • V6 • RWD • AUTOMATIC
Avatar
BILLMILL5050
  • MEMBER
  • 66 POSTS
How would I ckeck if ac pressure sensor is good I'm getting code p1639 thanks
Aug 30, 2016 at 12:34 PM
Advertisement
Avatar
WRENCHTECH
  • CERTIFIED EXPERT
  • 20,761 POSTS
Examine the data with a scan tool and you can see what pressure the sensor is signaling to the computer.
Aug 30, 2016 at 3:03 PM
Avatar
BILLMILL5050
  • MEMBER
  • 66 POSTS
P1639 IS MANUFACTURERS COMPUTER AND AUXILIARY OUT
Aug 30, 2016 at 10:51 PM
Advertisement
Avatar
STRAILER
  • CERTIFIED EXPERT
  • 53,854 POSTS
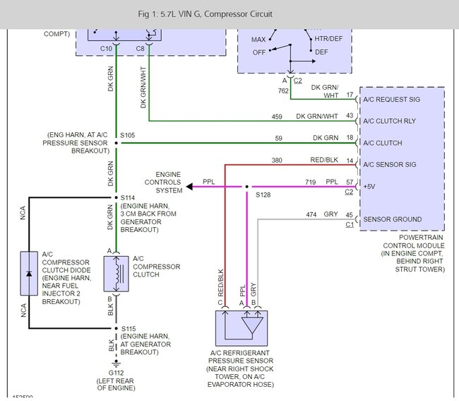
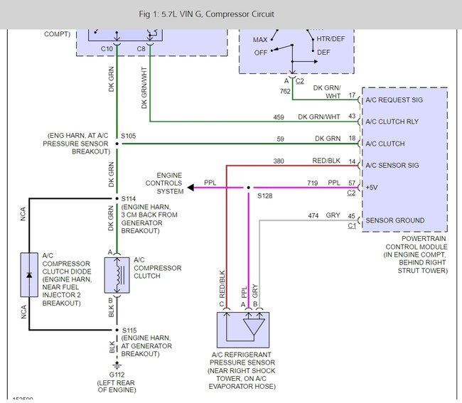
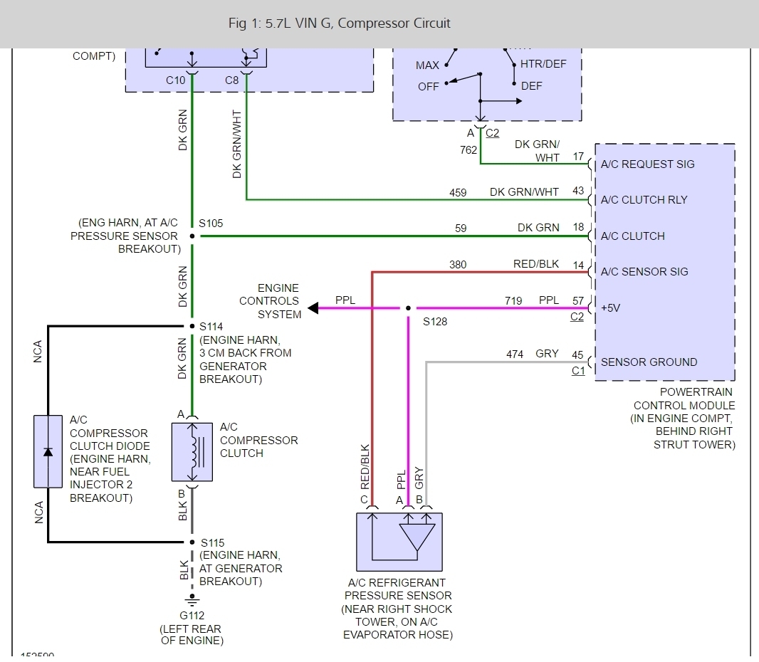
It is a three way pressure switch, use this wiring diagram to help you.
Sep 1, 2016 at 1:21 PM
Avatar
BILLMILL5050
  • MEMBER
  • 66 POSTS
is this it? will the ac leak if I take off ? does it un-screw? thanks all i appreciate it
Sep 1, 2016 at 1:53 PM
Avatar
WRENCHTECH
  • CERTIFIED EXPERT
  • 20,761 POSTS
It may have a schraeder valve under it to hold the refrigerant but I wouldn't take the chance that it may not. I would evacuate the system first.
Sep 1, 2016 at 3:00 PM