A/C panel working but no air coming out of vents

2001 BMW X5
98,000 MILES • 3.0L • 4 CYL • 4WD • AUTOMATIC
Avatar
VICTOR ANGUSTIA
  • MEMBER
  • 2 POSTS
My AC in my car is not blowing out any air. However, my panel is working. What do i need to check on to fix?
Apr 7, 2019 at 2:08 PM
Advertisement
Avatar
SCGRANTURISMO
  • CERTIFIED EXPERT
  • 4,897 POSTS
Hello,

This could be a problem with your blower motor. Your vehicle's blower motor is what is responsible for blowing the air out of the vents. It is usually called fan speed on many vehicle's. Please go to the link down below:

https://www.2carpros.com/articles/low-or-no-air-flow-from-vents

Go through this guide and get back to us with what you find out please.

Thanks,
Alex
2CarPros
Apr 7, 2019 at 10:10 PM
Avatar
VICTOR ANGUSTIA
  • MEMBER
  • 2 POSTS
It looks like the dashboard panel needs to be removed.
Apr 8, 2019 at 5:35 AM
Advertisement
Avatar
SCGRANTURISMO
  • CERTIFIED EXPERT
  • 4,897 POSTS
Hello again,

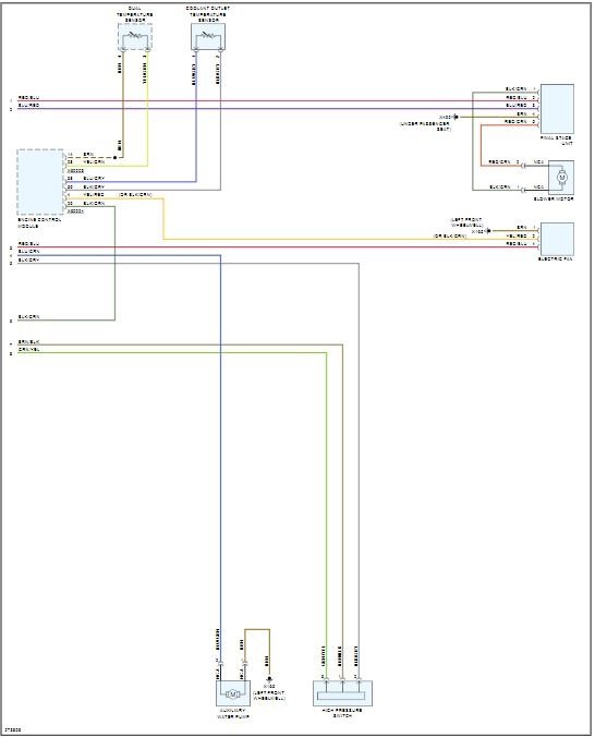
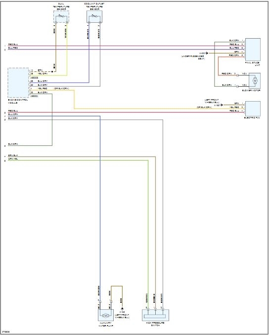
Here's what I have for the removal and installation of the blower motor on your vehicle. I have included it in the diagrams down below. You might want to check the"Final Stage Unit"they go bad often in BMW's

Thanks,
Alex
2CarPros
Apr 8, 2019 at 7:31 AM
Avatar
VICTOR ANGUSTIA
  • MEMBER
  • 2 POSTS
The image does not look like the blower motor for a BMW x5 3.0.
Apr 8, 2019 at 6:05 PM
Avatar
PUUALU
  • MEMBER
  • 1 POST
I drove with AC on running fine. Made one stop. After restarting my car the AC and fan stopped blowing. No air coming out of vents and no condensation on AC lines under the hood. So even at full blast the AC or fan doesn't blow any air into the cabin.

Please Help!!
Apr 8, 2019 at 6:06 PM (Merged)
Avatar
DOCHAGERTY
  • CERTIFIED EXPERT
  • 9,603 POSTS
The final stage is suspect. The failure you report is typical and replacement if recommended.

https://www.2carpros.com/makes/bmw/x5
Apr 8, 2019 at 6:06 PM (Merged)