A/C not working

2009 HONDA CRV
175,000 MILES • 4 CYL • 2WD • AUTOMATIC
Avatar
KJEJN1
  • MEMBER
  • 4 POSTS
Static pressure approximately 90. compressor clutch not engaging.

switched compressor clutch relay with fan relay. fans work, clutch not engaging.

tried to jumper clutch at relay unsuccessfully.

checked for power and ground at clutch relay terminals with test light. one terminal is continuous with positive battery terminal, no light on other switched terminal. one of the unswitched terminals of the clutch relay changes from continuous with positive battery terminal to continuous with negative battery terminal when the key is on and off. no light indicator on the other unswitched terminal.

checked all fuses in the engine compartment and cabin fuse boxes with test light and all lit.

what next?
Jul 25, 2020 at 10:56 AM
Advertisement
Avatar
KASEKENNY
  • CERTIFIED EXPERT
  • 18,907 POSTS
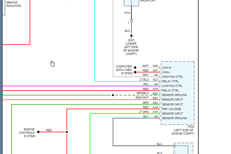
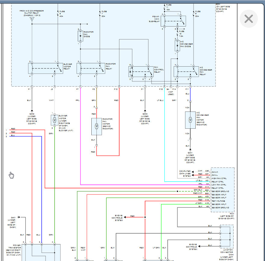
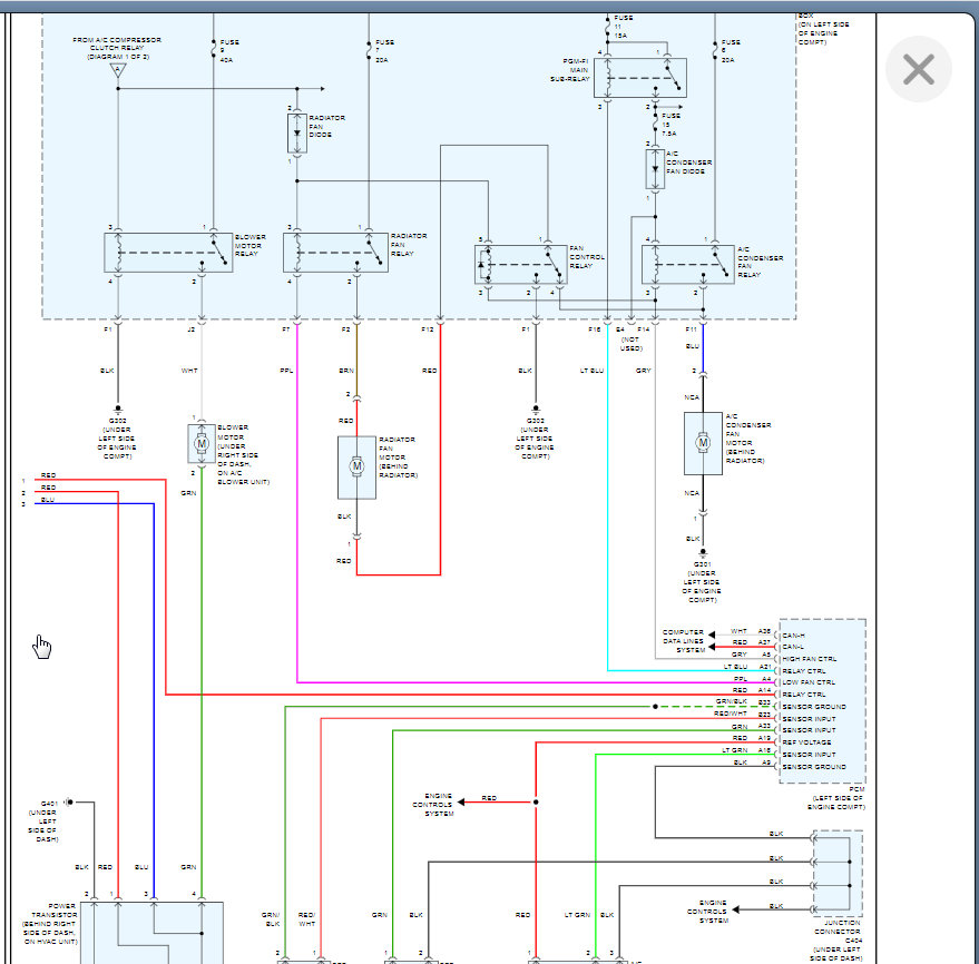
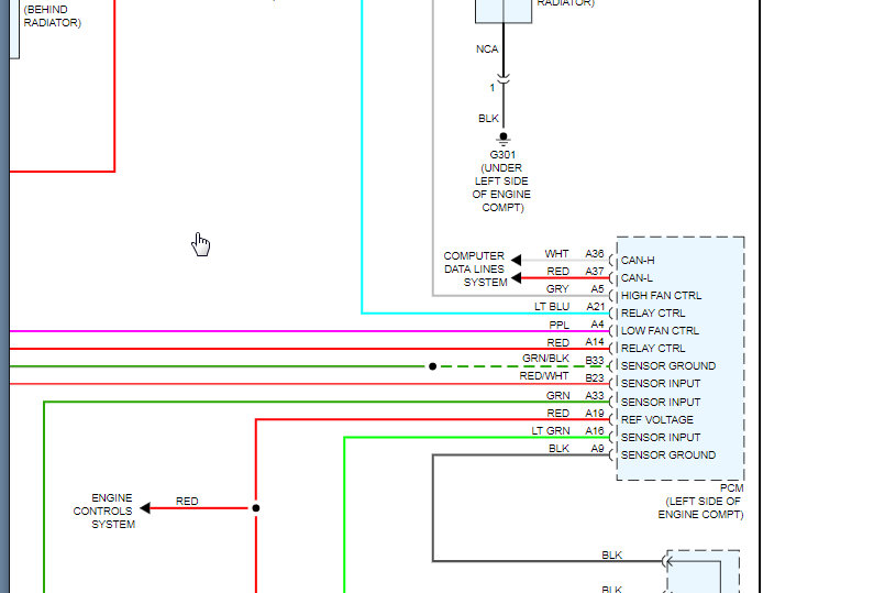
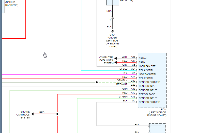
Let's look further into what you found when you were check voltage at the relay. Take a look at the diagram and do you have battery voltage at Pin 1? If you do, jump that to pin 2 when the engine is on and the A/C is turned on and see if the compressor comes on.

As for checking the ground that you were checking, that is pin 4 and the PCM grounds this relay which pulls the relay closed turning on the compressor. You need to put your meter lead on battery positive and then check this terminal with the other lead when the A/C is on. You should have 12 volts as you need to supply the voltage and then the PCM will supply the ground if it is intact. Does this make sense?
Jul 25, 2020 at 2:09 PM
Avatar
KJEJN1
  • MEMBER
  • 4 POSTS
Yes, I think so. I believe I tried jumping pin 1 to pin 2 already. The clutch did not engage, but there was also no spark or anything when I put the jumper in. I did check the voltage with multi-meter in pin 1 and negative battery lead showing 12+ volts, and between pin 4 and the positive battery lead 9+ volts.
Jul 25, 2020 at 3:07 PM
Advertisement
Avatar
KJEJN1
  • MEMBER
  • 4 POSTS
I'm suspicious of the thermal resistor at the compressor as the reason the clutch won't engage. If the thermal resistor was open would the clutch respond to the jumpering of pins 1 and 2 to make it engage?
Jul 25, 2020 at 3:44 PM
Avatar
KJEJN1
  • MEMBER
  • 4 POSTS
I meant to say thermal protector, not thermal resistor.
Jul 25, 2020 at 6:57 PM
Avatar
KASEKENNY
  • CERTIFIED EXPERT
  • 18,907 POSTS
I think you are on the right path but two things give me pause and think we should just back track a little. First, that the compressor does not come on when you jump 1 and 2 and the second is that you only have 9 volts from the PCM. However, take a look at this testing and let's go step by step and make sure we get to the same place.

Some of this will be stuff you have already done but I would suggest just doing it again to make sure. Otherwise, I would tell you to replace the compressor and/or clutch and that may not be the issue. However, we will find it with this info.

Let us know what you find. Thanks
Jul 26, 2020 at 7:24 PM