My A/C unit is not coming on. Fan works but no cold air. Compressor not getting signal to engage clutch. Freon level is okay.
Oct 19, 2023 at 9:36 PM
Advertisement
MONSTERTRUCKDADDY
CERTIFIED EXPERT
31 POSTS
Hello,
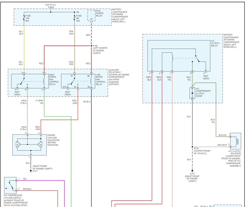
If you are sure the freon is ok, you'll want to check the fuses to be sure the clutch is getting proper power. It could also be a bad pressure switch, relay, or even wiring. Please look over these schematics and let me know if you have any questions.
Clutch relay is controlled by PCM, but powered through switch that gets power from fuse 34