A/C not working

2010 NISSAN PATHFINDER
136,000 MILES • 4.0L • 6 CYL • 4WD • AUTOMATIC
Avatar
LENNIKA
  • MEMBER
  • 1 POST
Can’t find the A/C relay. the A/C blows hot air and the air clutch is not catching.
Jul 2, 2020 at 10:41 AM
Advertisement
Avatar
ASEMASTER6371
  • CERTIFIED EXPERT
  • 52,796 POSTS
Good afternoon,

Did you check the freon pressures? If they are low, the compressor will not come on.

https://www.2carpros.com/articles/car-air-conditioner-not-working-or-is-weak

https://www.2carpros.com/articles/re-charge-an-air-conditioner-system

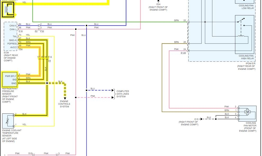
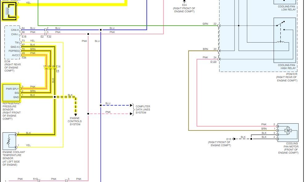
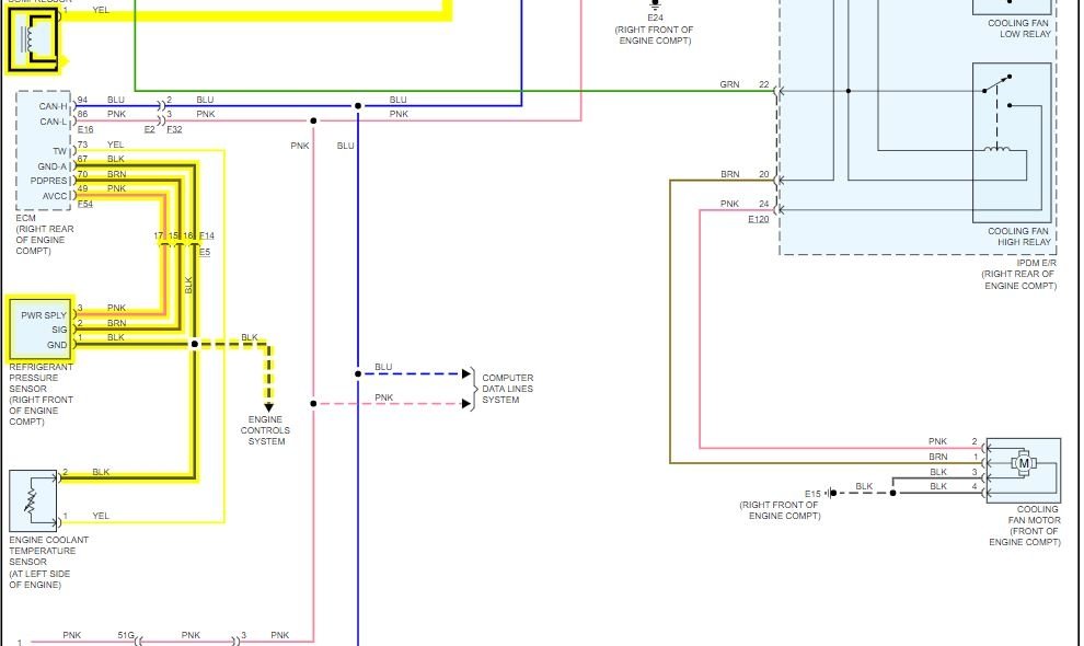
I attached a wiring diagram of the system for you. If you have a test light, we can do some voltage checks to see why the clutch is not engaging.

https://www.2carpros.com/articles/how-to-check-wiring

As far as the relay, it cannot be accessed. It is part of a module.

Note: The compressor relay or A/C relay is located in the IPDM (intelligent power distribution module) and is not serviceable.

Roy
Jul 2, 2020 at 11:45 AM