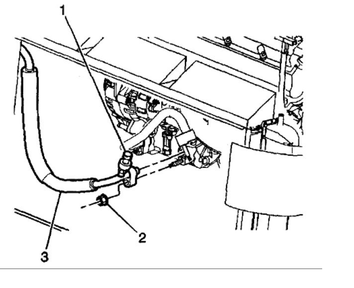
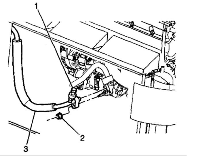
A/C Low pressure sensor switch location

2000 CADILLAC DEVILLE
103,400 MILES • 4.6L • V8 • 2WD • AUTOMATIC
Avatar
ABRAHAM CARDENAS
  • MEMBER
  • 2 POSTS
Where in the world is this thing?
Jun 13, 2017 at 5:44 PM
Advertisement
Avatar
ABRAHAM CARDENAS
  • MEMBER
  • 2 POSTS
Just replaced compressor.
Jun 13, 2017 at 6:00 PM
Avatar
MHPAUTOS
  • CERTIFIED EXPERT
  • 31,937 POSTS
What is the exact problem you are having and with the new compressor was the correct weight of refrigerant installed using the correct equipment, or was it filled with a top up can?
Jun 14, 2017 at 4:33 AM
Advertisement
Avatar
STRAILER
  • CERTIFIED EXPERT
  • 53,854 POSTS
Hello,

The pressure switch is on the hose from the compressor, here is a diagram (below) Please let us know if you need anything else to get the problem fixed. CLICK IMAGE BELOW
Jun 16, 2017 at 11:37 AM