A/C keeps blowing fuse

2006 HYUNDAI SANTA FE
143,000 MILES • 2.3L • 6 CYL • 4WD • AUTOMATIC
Avatar
JOEZ1966
  • MEMBER
  • 1 POST
New compressor, condenser, etc. Re-charged the A/C, keeps blowing the fuse. What next?
Jul 15, 2019 at 4:07 PM
Advertisement
Avatar
SCGRANTURISMO
  • CERTIFIED EXPERT
  • 4,897 POSTS
Hello,

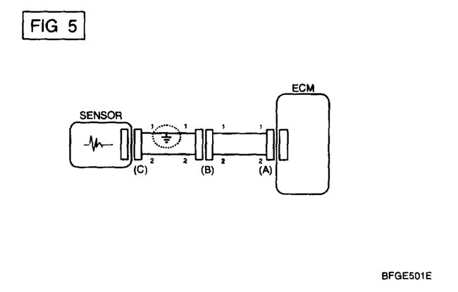
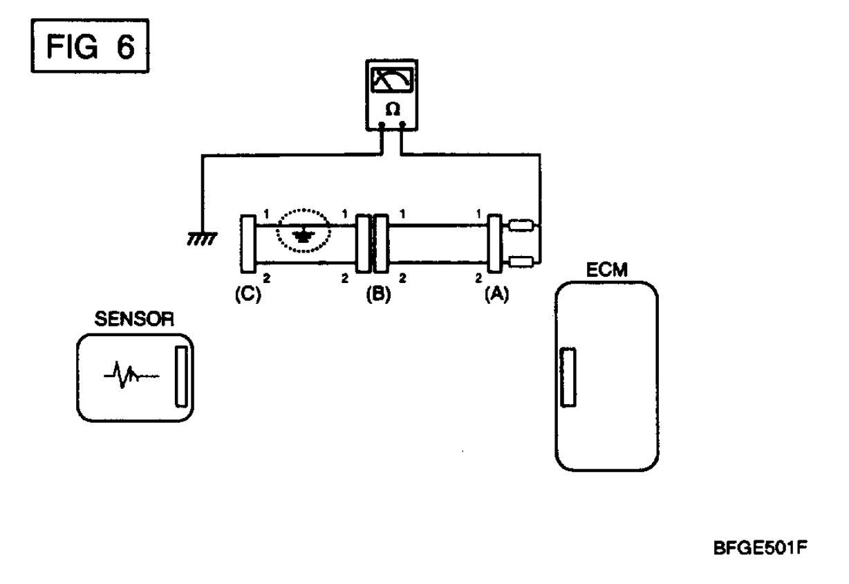
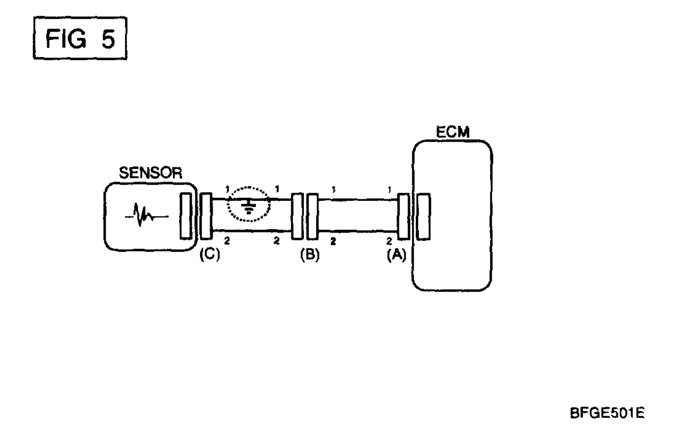
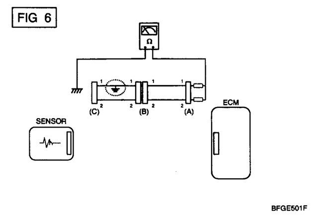
The A/C fuse keeps blowing because you have a short to ground in the circuit that the fuse is protecting. In the diagrams down below I have included a wiring diagram of your vehicle's A/C circuit as well as directions for how to find a short to ground. Please go through these guides and get back to us with what you are able to find out.

Thanks,
Alex
2CarPros
Jul 15, 2019 at 9:30 PM