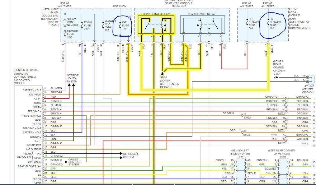
So whenever i turn the A/C knob on the A/C display to speeds 1, 2, or 3, nothing happens. blower does not come on and the A/C button cannot be displayed in green or does not show it to be on, but when i turn it on 4 the A/C button lights up but only cold air is felt in the rear. nothing comes from from vents.
Jul 11, 2020 at 8:49 AM



