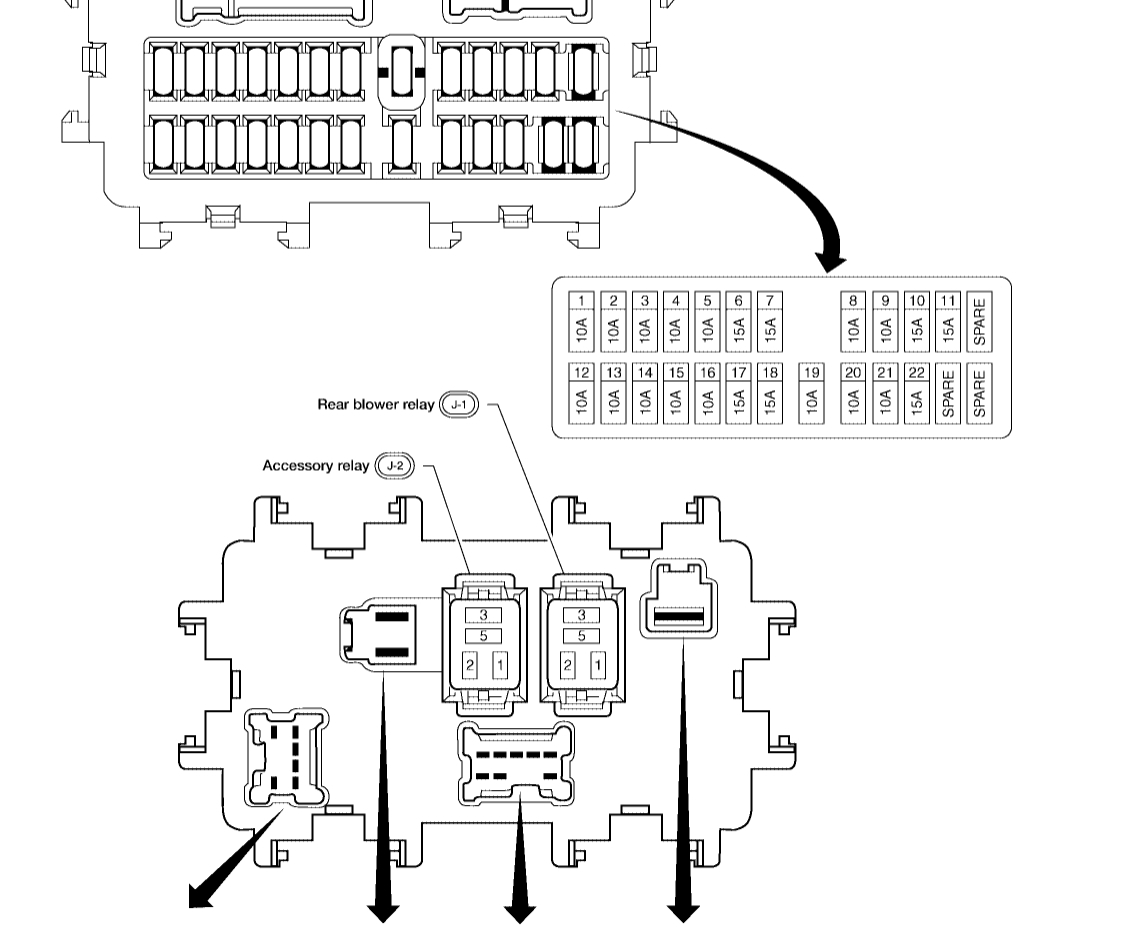
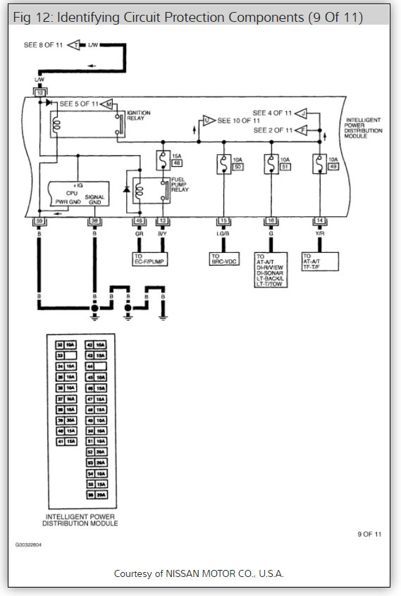
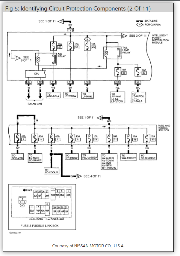
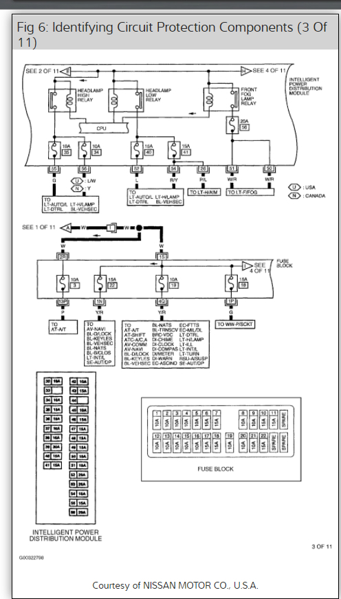
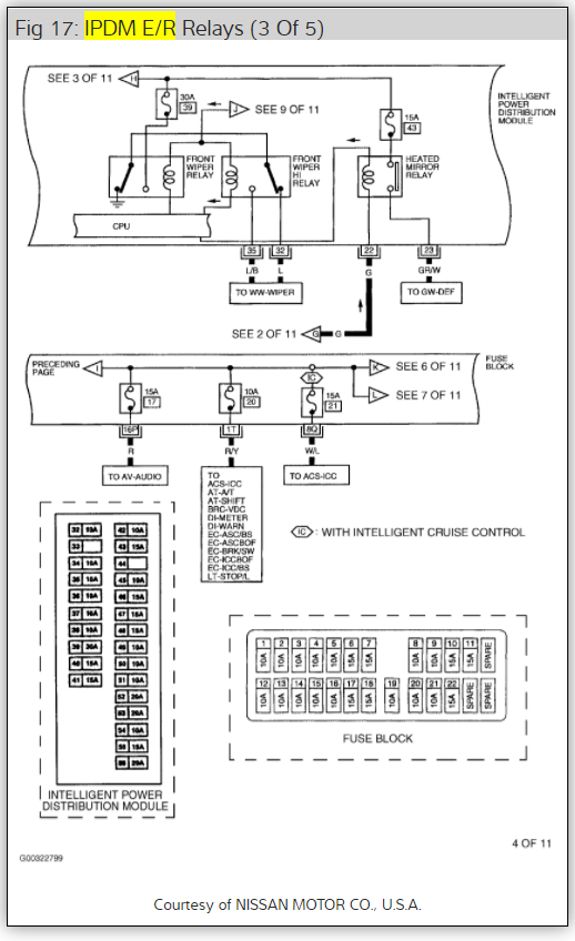
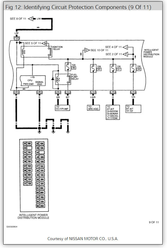
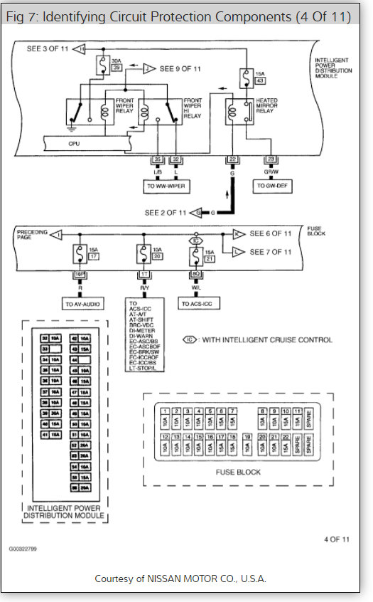
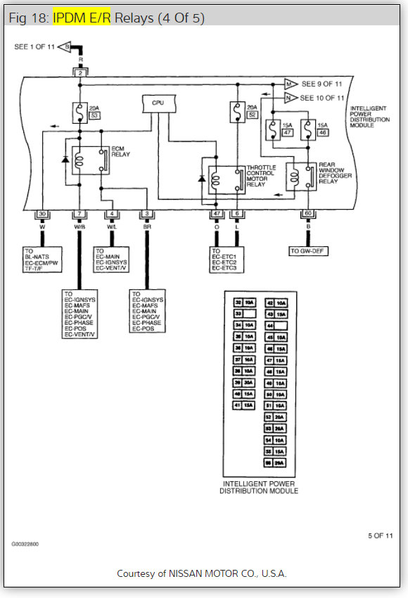
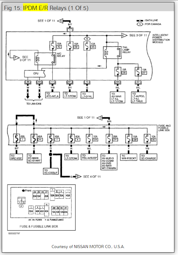
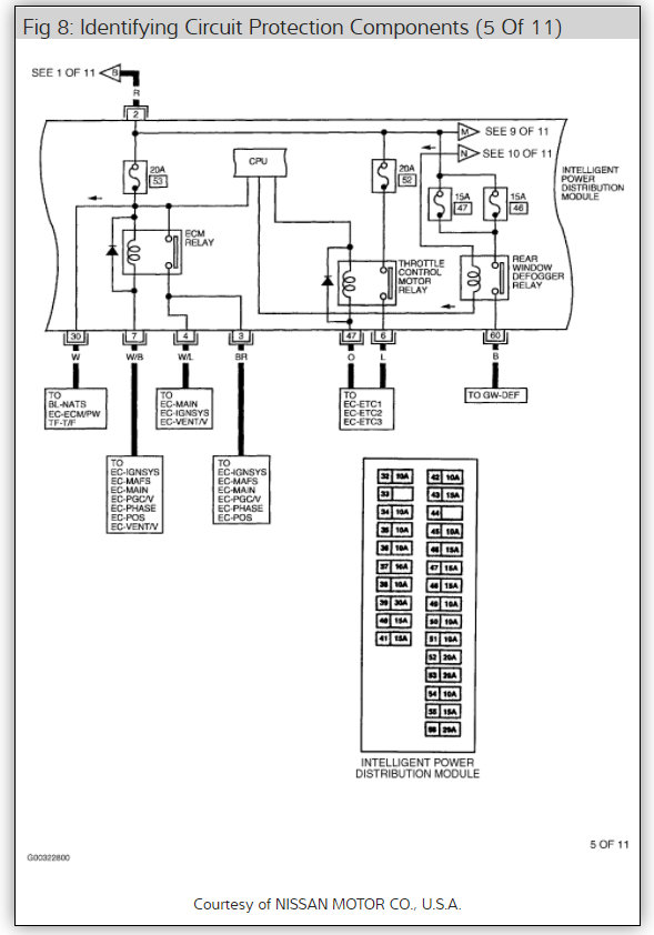
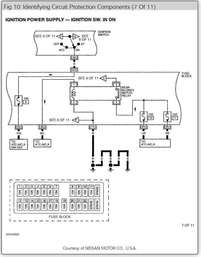
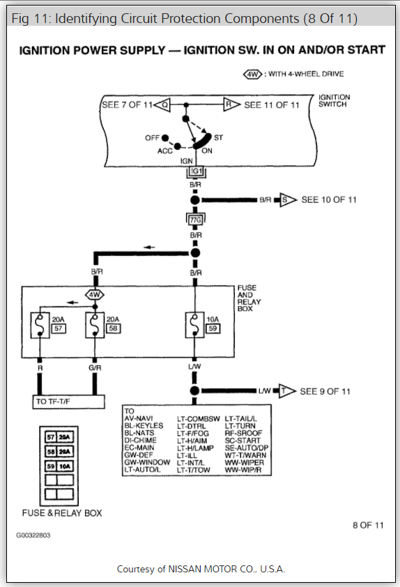
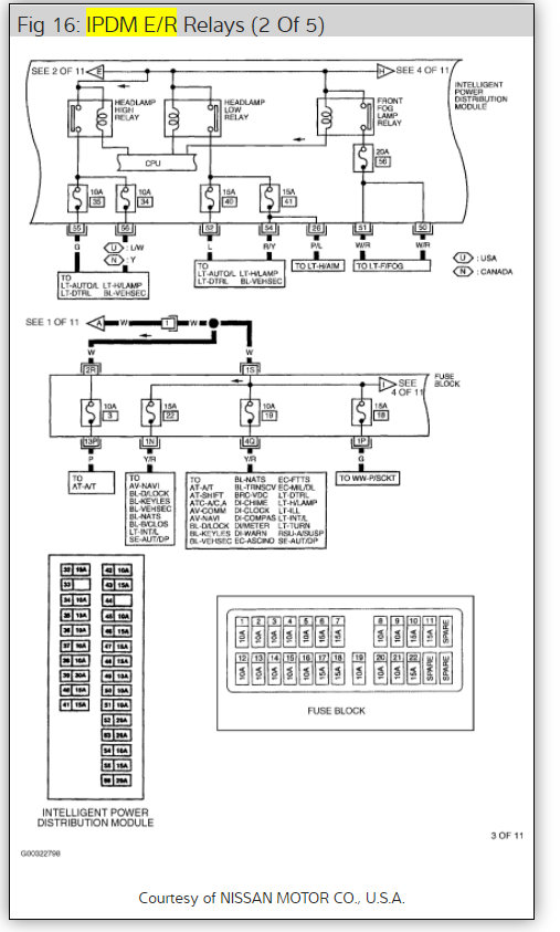
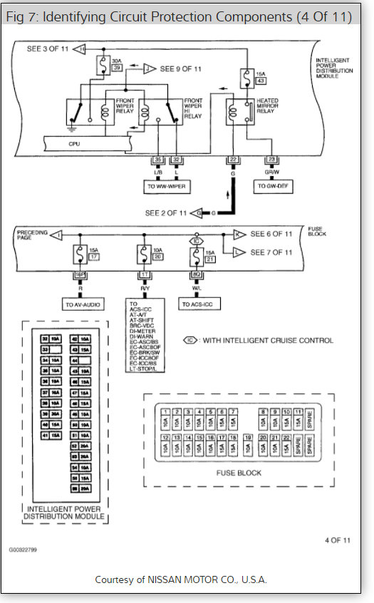
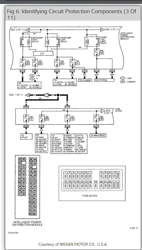
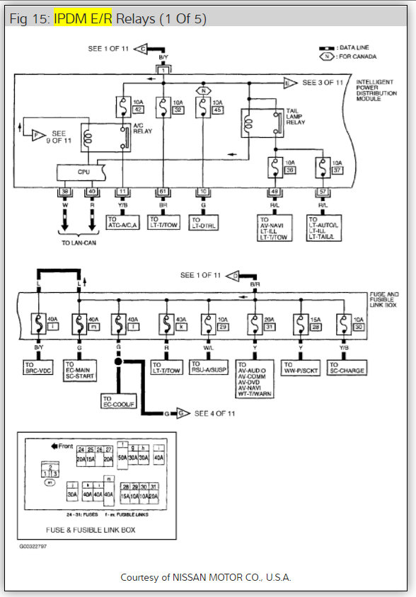
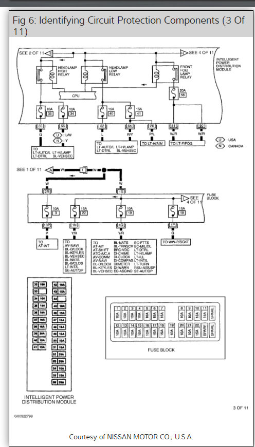
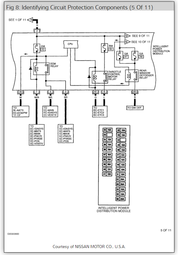
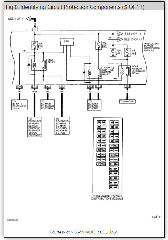
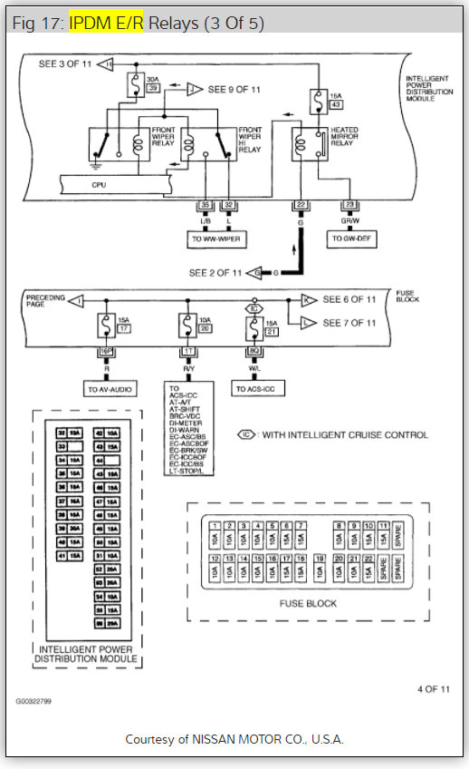
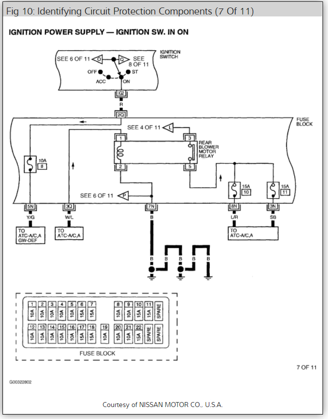
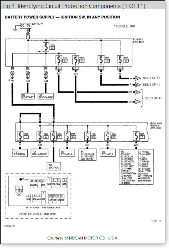
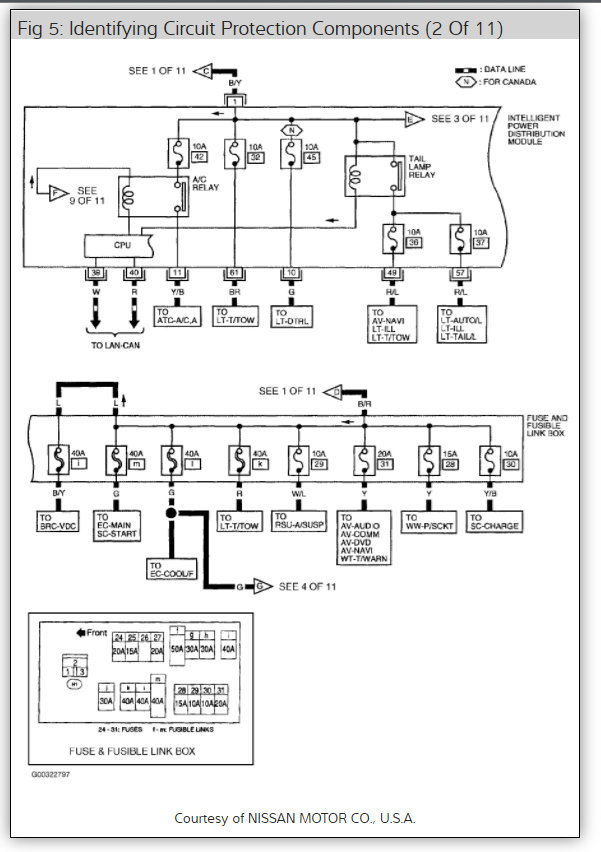
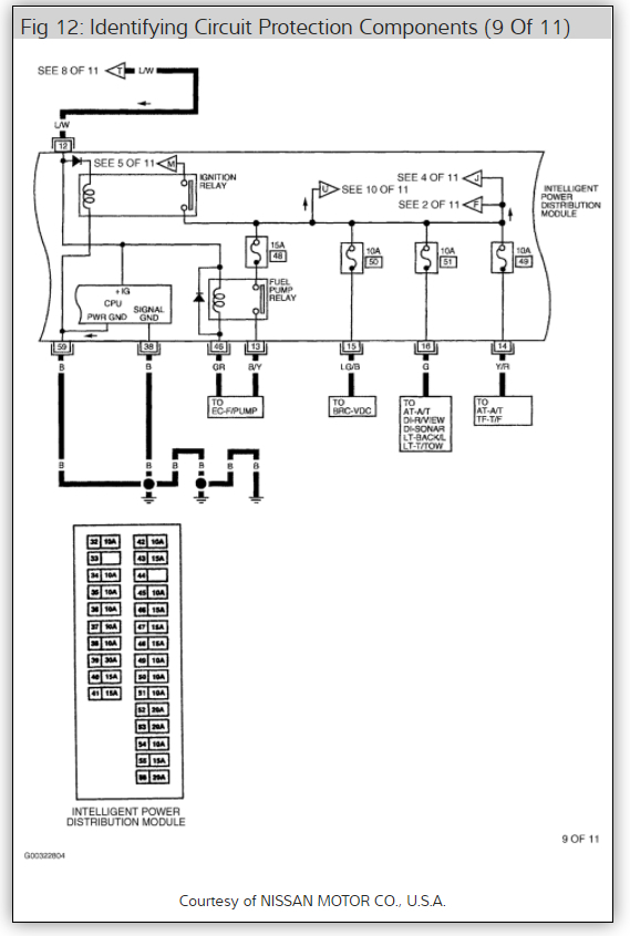
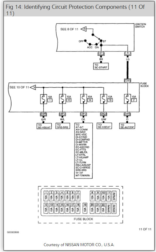
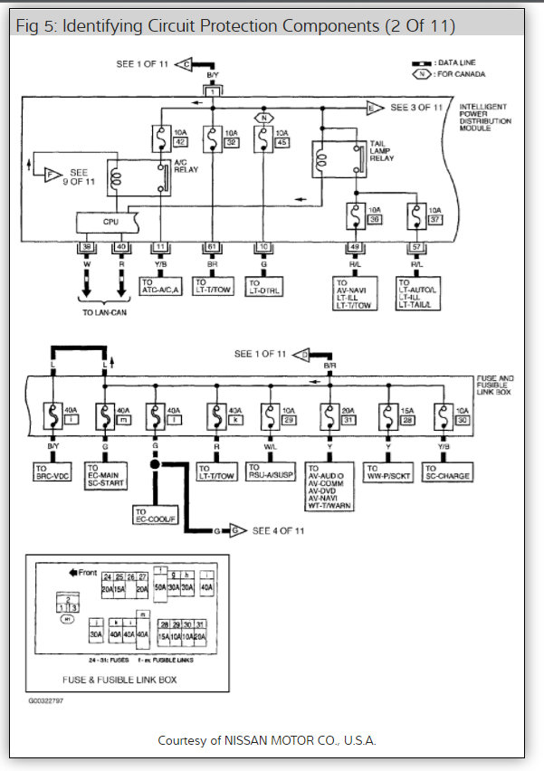
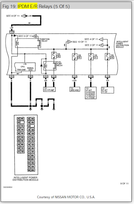
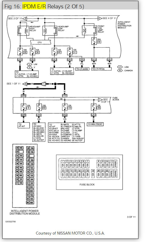
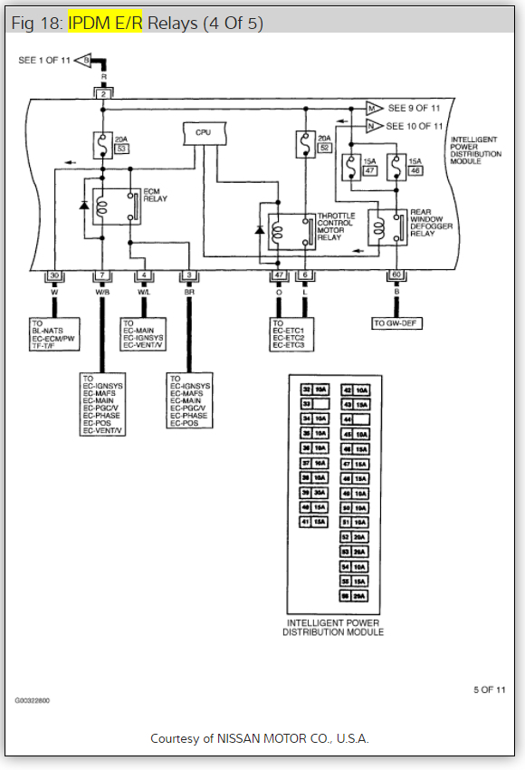
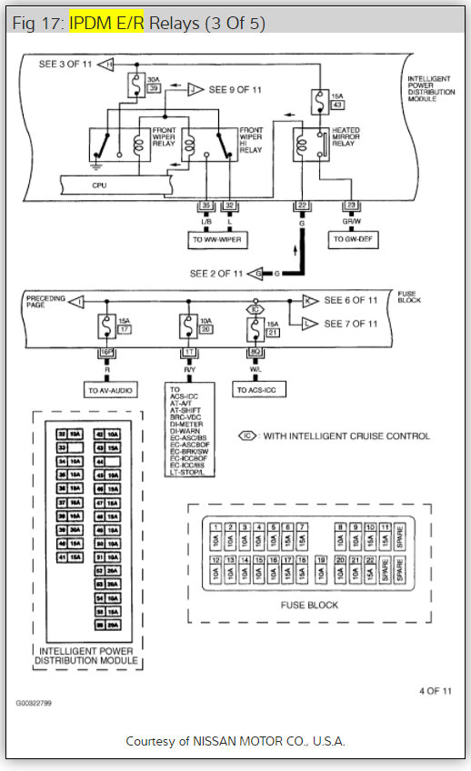
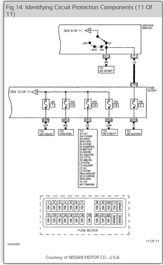
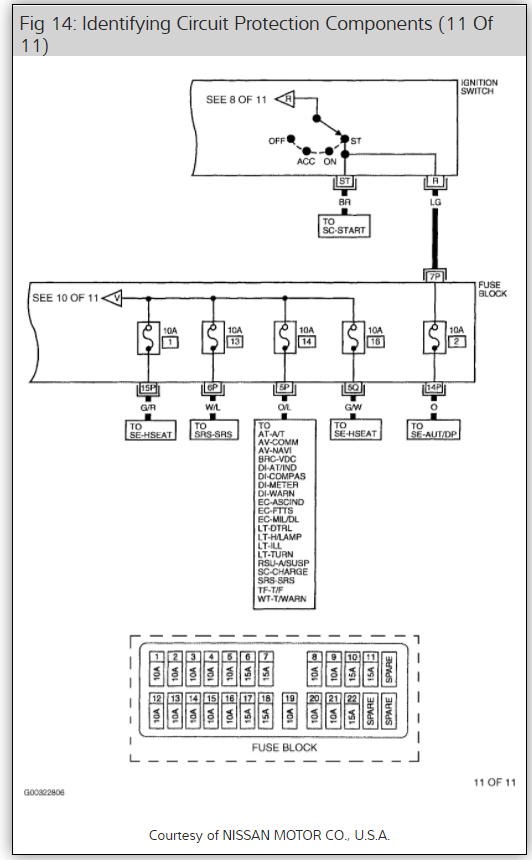
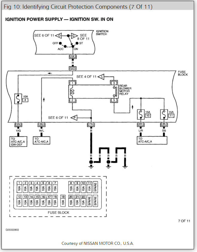
It sounds like you have a front blower motor that is not working. If you turn the rear air off do you not hear any fan running up front? If so I would start by checking the fuses. Here is a guide and the fuse panel diagrams to help us figure out whats wrong. Here are the complete fuse panel and relay location diagrams for you (below).
https://www.2carpros.com/articles/how-to-check-a-car-fuse
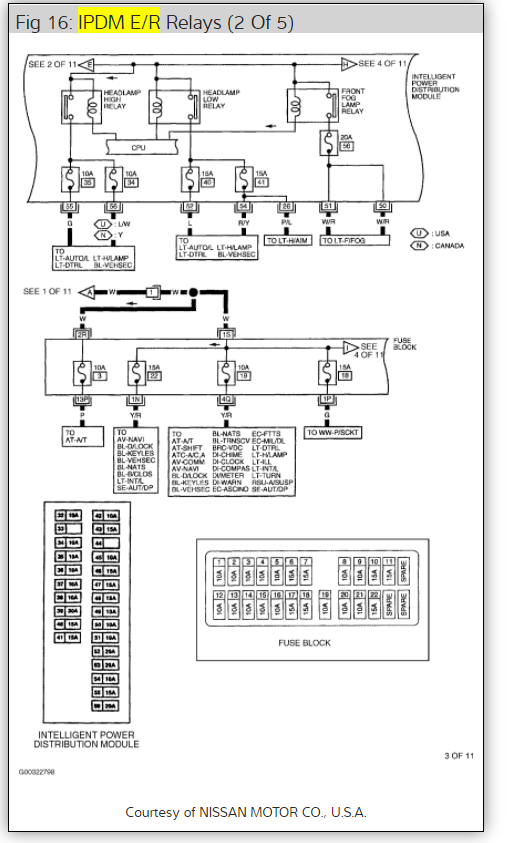
Check fuses number 8 and 19.
Please let us know what you find. We are interested to see what it is.
Cheers, Ken
Images (Click to enlarge)
Jan 31, 2018 at 1:52 PM