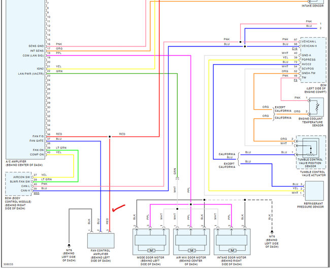
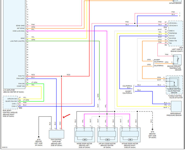
I’ve replaced the blower fan motor and the temperature control unit on the center dash. All the fuses are good and the compressor kicks on when I turn on the ac but fan won’t. No heat no defroster and no ac. Would it be a relay under the hood or in the cab fuse boxes? I’m starting to go a bit crazy and I’m very mechanically capable of doing the work! I just need a little help on if it’s a relay or what!! Thanks
Aug 25, 2025 at 5:23 AM


