AC/Heater digital display black

1991 CHEVROLET CHEYENNE
12,000 MILES • 4.3L • V6 • 2WD • AUTOMATIC
Avatar
J.STE
  • MEMBER
  • 4 POSTS
Started the car for the summer, battery was dead so i had to jump start the car.
Car starts, all electronics work exept for the display for AC/Heater. The fan will not start.
Checked fuses in the fuse box, they are all good.
I read something about the fusible links under the hood, does anyone have pictures on these cables?
Apr 11, 2020 at 3:41 AM
Advertisement
Avatar
ASEMASTER6371
  • CERTIFIED EXPERT
  • 52,796 POSTS
Good morning,

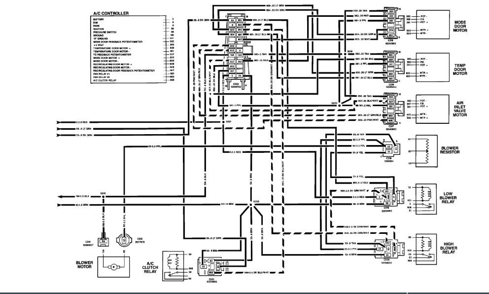
I attached diagrams of the connector for the control. You need to verify power to the connector in the terminal marked battery power.

https://www.2carpros.com/articles/how-to-check-a-car-fuse

If you have power, the control head is bad. If you do not, then it is either wiring or a link.

https://www.2carpros.com/articles/how-to-check-wiring

I attached the locations of the fusible links.

Roy
Apr 11, 2020 at 4:51 AM
Avatar
J.STE
  • MEMBER
  • 4 POSTS
Okay, so where is the control located? Is that the display, so I remove the dash and check the back of the display?
Apr 11, 2020 at 8:05 AM
Advertisement
Avatar
ASEMASTER6371
  • CERTIFIED EXPERT
  • 52,796 POSTS
Correct. Remove the bezel around the control head and then there should be a couple of screws to remove.

Roy
Apr 11, 2020 at 8:08 AM
Avatar
J.STE
  • MEMBER
  • 4 POSTS
Okay, thanks!
Is there a good tool to check if i have power?
Apr 11, 2020 at 9:01 AM
Avatar
ASEMASTER6371
  • CERTIFIED EXPERT
  • 52,796 POSTS
A test light is good to use. You can get it at any parts store.

https://www.2carpros.com/articles/how-to-use-a-test-light-circuit-tester

Roy
Apr 11, 2020 at 9:33 AM
Avatar
J.STE
  • MEMBER
  • 4 POSTS
Can i check the fusible links with the light pen? If so, how?
Apr 11, 2020 at 11:48 AM
Avatar
ASEMASTER6371
  • CERTIFIED EXPERT
  • 52,796 POSTS
You test for power on either side. The stud should show power and the wire at the end of the fuse wire should have power as well.

Roy
Apr 11, 2020 at 11:51 AM