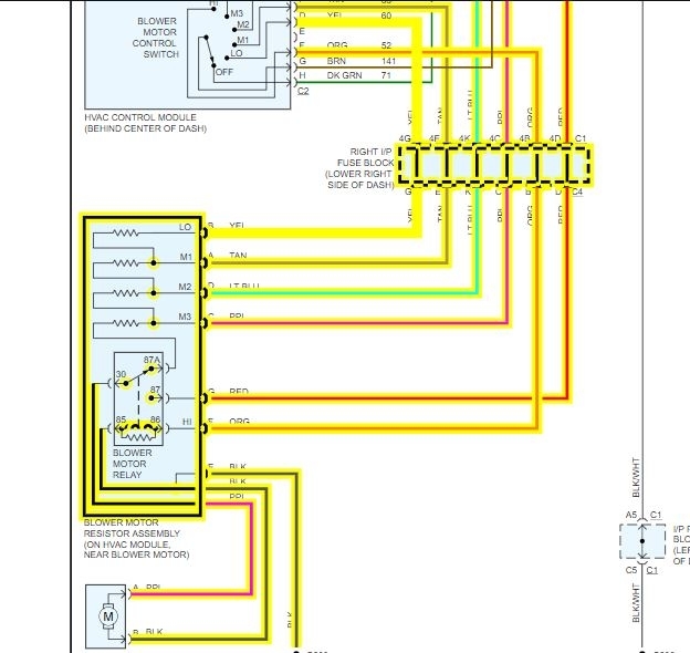
I have replaced all fuses and resistor pack along with replacing climate control . I am not getting any power to the resistor pack plug is there a breaker between the climate control and the resistor pack that could have gone bad? I am at a loss and can't figure what else to do.
Jun 9, 2020 at 6:27 PM

